вконтакте

Контактный телефон: +7 (981) 121-46-93, +7 (800) 200-90-76 , Email: parts-katalog@yandex.ru, где купить

 
 

  Логин:

Пароль:

Регистрация

www.partskatalog.ru Все каталоги Запчасти Mercury Запчасти Suzuki Запчасти Tohatsu Запчасти Honda Контакты



УВАЖАЕМЫЕ КЛИЕНТЫ!
C 19 ДЕКАБРЯ 2025 ПО 02 МАРТА 2026 ГОДА ОТДЕЛ ЗАПЧАСТЕЙ И СЕРВИС РАБОТАТЬ НЕ БУДУТ
ПРОДАЖА ЛОДОЧНЫХ МОТОРОВ В ШТАТНОМ РЕЖИМЕ
ОБ ИЗМЕНЕНИЯХ В ГРАФИКЕ РАБОТЫ ЧИТАЙТЕ НА САЙТА




Выбрать другую модель

назад Раздел:   вперёд

вернуться к списку узлов и деталей

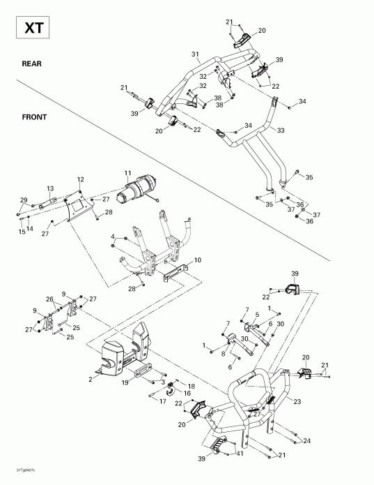
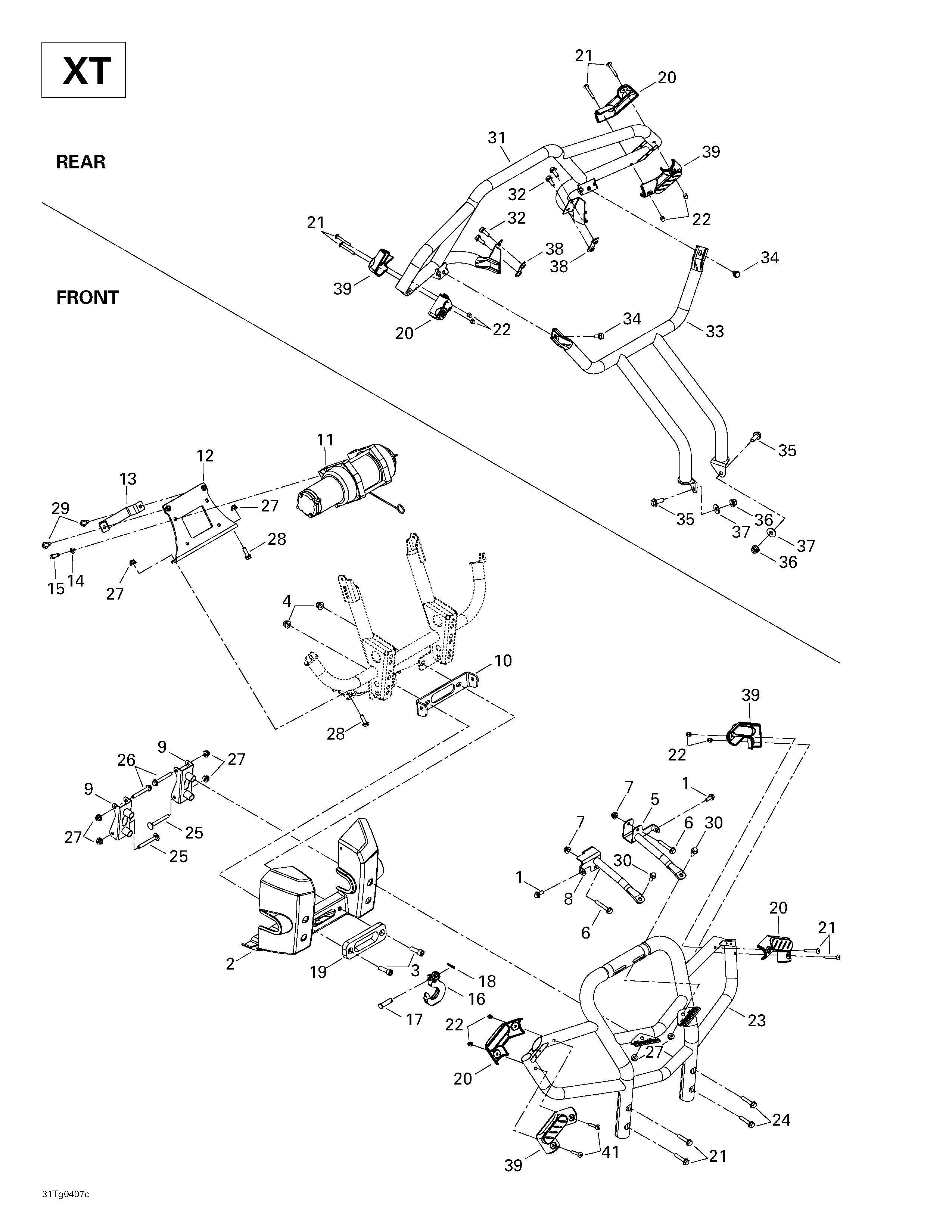
ДЕТАЛИРОВКА ДЛЯ МОДЕЛИ: BRP ATV Outlander 400 XT 4 X 4, 2004

Раздел: Winch (xt) | Winch (xt)


BRP Outlander 400 XT 4 X 4, 2004 раздел - Winch (xt)

Номер на
рисунке
АртикулНаименованиеКол-во
на складе
Цена
1 207682544

Hex Фланецd Винт M8 x 25 (Hex flanged screw M8 x 25)

под заказ230 руб.
1 732601284

(последний код) Hex Фланецd Винт M8 x 25 (Hex flanged screw M8 x 25)

под заказпо запросу
2 705001076

Front protection Пластина (Front protection plate)

под заказ2790 руб.
3 205003544

Socket Винт M10 x 35 (Socket screw M10 x 35)

под заказ290 руб.
3 222903565

(последний код) Socket Винт M10 x 35 (Socket screw M10 x 35)

под заказ230 руб.
4 233201414

Hex Фланецd elastic Гайка M10 (Hex flanged elastic nut M10)

под заказ280 руб.
4 228701045

(последний код) Hex Фланецd elastic Гайка M10 (Hex flanged elastic nut M10)

под заказ220 руб.
5 705001186

LH anchoКольцо. XT & CAMO (LH anchoring. XT & CAMO)

под заказ2580 руб.
705001215

L.h. anchoКольцо. XT & зелёный - SANDSTONE (L.h. anchoring. XT & GREEN - SANDSTONE)

под заказ2120 руб.
705001186

L.h. anchoКольцо. XT & жёлтый (L.h. anchoring. XT & YELLOW)

под заказ2580 руб.
705001186

L.h. anchoКольцо. XT & зелёный (L.h. anchoring. XT & GREEN)

под заказ2580 руб.
705001186

L.h. anchoКольцо. XT & красный (L.h. anchoring. XT & RED)

под заказ2580 руб.
6 207685044

Hex Фланецd Винт M8 x 50 (Hex flanged screw M8 x 50)

под заказ290 руб.
7 233281414

Hex Фланецd elastic Гайка M8 (Hex flanged elastic nut M8)

под заказ290 руб.
7 M33201

(последний код)

под заказпо запросу
8 705001190

R.h. anchoКольцо. XT & CAMO (R.h. anchoring. XT & CAMO)

под заказ1990 руб.
705001216

R.h. anchoКольцо. XT & зелёный - SANDSTONE (R.h. anchoring. XT & GREEN - SANDSTONE)

под заказ1720 руб.
705001190

R.h. anchoКольцо. XT & жёлтый (R.h. anchoring. XT & YELLOW)

под заказ1990 руб.
705001190

R.h. anchoКольцо. XT & зелёный (R.h. anchoring. XT & GREEN)

под заказ1990 руб.
705001190

R.h. anchoКольцо. XT & красный (R.h. anchoring. XT & RED)

под заказ1990 руб.
9 705001058

Бампер anchoКольцо (Bumper anchoring)

под заказ1640 руб.
9 705003006

(последний код) Бампер anchoКольцо (Bumper anchoring)

под заказ1530 руб.
10 705001073

Winch Кронштейн (Winch bracket)

под заказ1010 руб.
10 705003649

(последний код) Winch Кронштейн (Winch bracket)

под заказ1220 руб.
11 705000839

Winch (Winch)

под заказ28400 руб.
11 705002505

(последний код) Winch (Winch)

под заказ63500 руб.
12 705000415

Креплениеing Пластина (Mounting plate)

под заказ5070 руб.
13 705000416

Winch Кронштейн (Winch bracket)

под заказ860 руб.
14 234181401

Шайба с блокировкой 8 mm (Lock washer 8 mm)

под заказ140 руб.
14 224781140

(последний код) Шайба с блокировкой 8 mm (Lock washer 8 mm)

под заказ110 руб.
15 250000041

Socket Винт 5 / 16-18 x 1" (Socket screw 5/16-18 x 1")

под заказ730 руб.
16 705000618

Крючок (Hook)

под заказпо запросу
16 705000195

(последний код) Крючок (Hook)

под заказпо запросу
17 250400021

Clevis Штифт (Clevis pin)

под заказ1210 руб.
17 250400039

(последний код) Clevis Штифт (Clevis pin)

под заказ900 руб.
18 250400022

Шплинт (Cotter pin)

под заказ530 руб.
18 250400040

(последний код) Шплинт (Cotter pin)

под заказ450 руб.
19 705000194

Кабели Направляющая (Cable guide)

под заказ3160 руб.
20 705001043

Female Колпачок. XT & CAMO (Female cap. XT & CAMO)

под заказ830 руб.
705001094

Female Колпачок. XT & зелёный - SANDSTONE (Female cap. XT & GREEN - SANDSTONE)

под заказ930 руб.
705001043

Female Колпачок. XT & жёлтый (Female cap. XT & YELLOW)

под заказ830 руб.
705001043

Female Колпачок. XT & зелёный (Female cap. XT & GREEN)

под заказ830 руб.
705001043

Female Колпачок. XT & красный (Female cap. XT & RED)

под заказ830 руб.
21 250000167

Pan head Phillips Винт M6 x 45 (Pan head Phillips screw M6 x 45)

под заказ250 руб.
22 232361493

Колпачок гайки M6 (Cap nut M6)

под заказ290 руб.
23 705001077

Front Бампер. XT & CAMO (Front bumper. XT & CAMO)

под заказ22300 руб.
705001078

Front Бампер. XT & зелёный - SANDSTONE (Front bumper. XT & GREEN - SANDSTONE)

под заказ20500 руб.
705001077

Front Бампер. XT & жёлтый (Front bumper. XT & YELLOW)

под заказ22300 руб.
705001077

Front Бампер. XT & зелёный (Front bumper. XT & GREEN)

под заказ22300 руб.
705001077

Front Бампер. XT & красный (Front bumper. XT & RED)

под заказ22300 руб.
24 207584044

Hex Фланецd Винт M8 x 40 (scotch Рукоятка) (Hex flanged screw M8 x 40 (scotch grip))

под заказ290 руб.
25 207787044

Carriage Болт M8 x 70 (Carriage bolt M8 x 70)

под заказ290 руб.
25 732601308

(последний код) Carriage Болт M8 x 70 (Carriage bolt M8 x 70)

под заказ230 руб.
26 207686044

Hex Фланецd Винт M8 x 60 (Hex flanged screw M8 x 60)

под заказ290 руб.
27 233281414

Hex Фланецd elastic Гайка M8 (Hex flanged elastic nut M8)

под заказ290 руб.
27 M33201

(последний код)

под заказпо запросу
28 207682544

Hex Фланецd Винт M8 x 25 (Hex flanged screw M8 x 25)

под заказ230 руб.
28 732601284

(последний код) Hex Фланецd Винт M8 x 25 (Hex flanged screw M8 x 25)

под заказпо запросу
29 207582044

Hex Фланецd Винт M8 x 20 (scotch Рукоятка) (Hex flanged screw M8 x 20 (scotch grip))

под заказ290 руб.
30 207682044

Hex Фланецd Винт M8 x 20 (Hex flanged screw M8 x 20)

под заказ290 руб.
30 732601285

(последний код) Hex Фланецd Винт M8 x 20 (Hex flanged screw M8 x 20)

под заказ230 руб.
31 705001079

Rear Бампер. XT & CAMO OUTLANDER XT 4 x 4. (Rear bumper. XT & CAMO OUTLANDER XT 4 x 4.)

под заказ34400 руб.
705001080

Rear Бампер. XT & зелёный - SANDSTONE OUTLANDER XT 4 x 4. (Rear bumper. XT & GREEN - SANDSTONE OUTLANDER XT 4 x 4.)

под заказ19140 руб.
705001079

Rear Бампер. XT & жёлтый OUTLANDER XT 4 x 4. (Rear bumper. XT & YELLOW OUTLANDER XT 4 x 4.)

под заказ34400 руб.
705001079

Rear Бампер. XT & зелёный OUTLANDER XT 4 x 4. (Rear bumper. XT & GREEN OUTLANDER XT 4 x 4.)

под заказ34400 руб.
705001079

Rear Бампер. XT & красный OUTLANDER XT 4 x 4. (Rear bumper. XT & RED OUTLANDER XT 4 x 4.)

под заказ34400 руб.
32 207582044

Hex Фланецd Винт M8 x 20 (scotch Рукоятка) (Hex flanged screw M8 x 20 (scotch grip))

под заказ290 руб.
33 705001081

Rear нижний Бампер. XT & CAMO OUTLANDER XT 4 x 4. (Rear lower bumper. XT & CAMO OUTLANDER XT 4 x 4.)

под заказ11250 руб.
705001082

Rear нижний Бампер. XT & зелёный - SANDSTONE OUTLANDER XT 4 x 4. (Rear lower bumper. XT & GREEN - SANDSTONE OUTLANDER XT 4 x 4.)

под заказ11030 руб.
705001081

Rear нижний Бампер. XT & жёлтый OUTLANDER XT 4 x 4. (Rear lower bumper. XT & YELLOW OUTLANDER XT 4 x 4.)

под заказ11250 руб.
705001081

Rear нижний Бампер. XT & зелёный OUTLANDER XT 4 x 4. (Rear lower bumper. XT & GREEN OUTLANDER XT 4 x 4.)

под заказ11250 руб.
705001081

Rear нижний Бампер. XT & красный OUTLANDER XT 4 x 4. (Rear lower bumper. XT & RED OUTLANDER XT 4 x 4.)

под заказ11250 руб.
34 207581646

Hex Фланецd Винт M8 x 16 (scotch Рукоятка) (Hex flanged screw M8 x 16 (scotch grip))

под заказ290 руб.
35 207602544

Hex Фланецd Винт M10 x 25 (Hex flanged screw M10 x 25)

под заказ290 руб.
36 233201416

Hex Фланецd elastic Гайка M10 (Hex flanged elastic nut M10)

под заказ720 руб.
36 233201436

(последний код) Hex Фланецd elastic Гайка M10 (Hex flanged elastic nut M10)

под заказ860 руб.
37 250200014

плоский Шайба (Flat washer)

под заказ860 руб.
37 705400033

(последний код) плоский Шайба (Flat washer)

под заказ680 руб.
38 705001075

Соединитель Пластина (Attachment plate)

под заказ680 руб.
38 705003796

(последний код) Соединитель Пластина (Attachment plate)

под заказ720 руб.
39 705001042

Male Колпачок. XT & CAMO OUTLANDER XT 4 x 4. (Male cap. XT & CAMO OUTLANDER XT 4 x 4.)

под заказ830 руб.
705001095

Male Колпачок. XT & зелёный - SANDSTONE OUTLANDER XT 4 x 4. (Male cap. XT & GREEN - SANDSTONE OUTLANDER XT 4 x 4.)

под заказ930 руб.
705001042

Male Колпачок. XT & жёлтый OUTLANDER XT 4 x 4. (Male cap. XT & YELLOW OUTLANDER XT 4 x 4.)

под заказ830 руб.
705001042

Male Колпачок. XT & зелёный OUTLANDER XT 4 x 4. (Male cap. XT & GREEN OUTLANDER XT 4 x 4.)

под заказ830 руб.
705001042

Male Колпачок. XT & красный OUTLANDER XT 4 x 4. (Male cap. XT & RED OUTLANDER XT 4 x 4.)

под заказ830 руб.
brp atv

Время выполнения запроса 2.8084619045258 сек.


 
 

данный сайт носит информационный характер и не является публичной офертой

склад запчастей для водомоторной техники