вконтакте

Контактный телефон: +7 (981) 121-46-93, +7 (800) 200-90-76 , Email: parts-katalog@yandex.ru, где купить

 
 

  Логин:

Пароль:

Регистрация

www.partskatalog.ru Все каталоги Запчасти Mercury Запчасти Suzuki Запчасти Tohatsu Запчасти Honda Контакты



УВАЖАЕМЫЕ КЛИЕНТЫ!
C 19 ДЕКАБРЯ 2025 ПО 02 МАРТА 2026 ГОДА ОТДЕЛ ЗАПЧАСТЕЙ И СЕРВИС РАБОТАТЬ НЕ БУДУТ
ПРОДАЖА ЛОДОЧНЫХ МОТОРОВ В ШТАТНОМ РЕЖИМЕ
ОБ ИЗМЕНЕНИЯХ В ГРАФИКЕ РАБОТЫ ЧИТАЙТЕ НА САЙТА




Выбрать другую модель

назад Раздел:   вперёд

вернуться к списку узлов и деталей

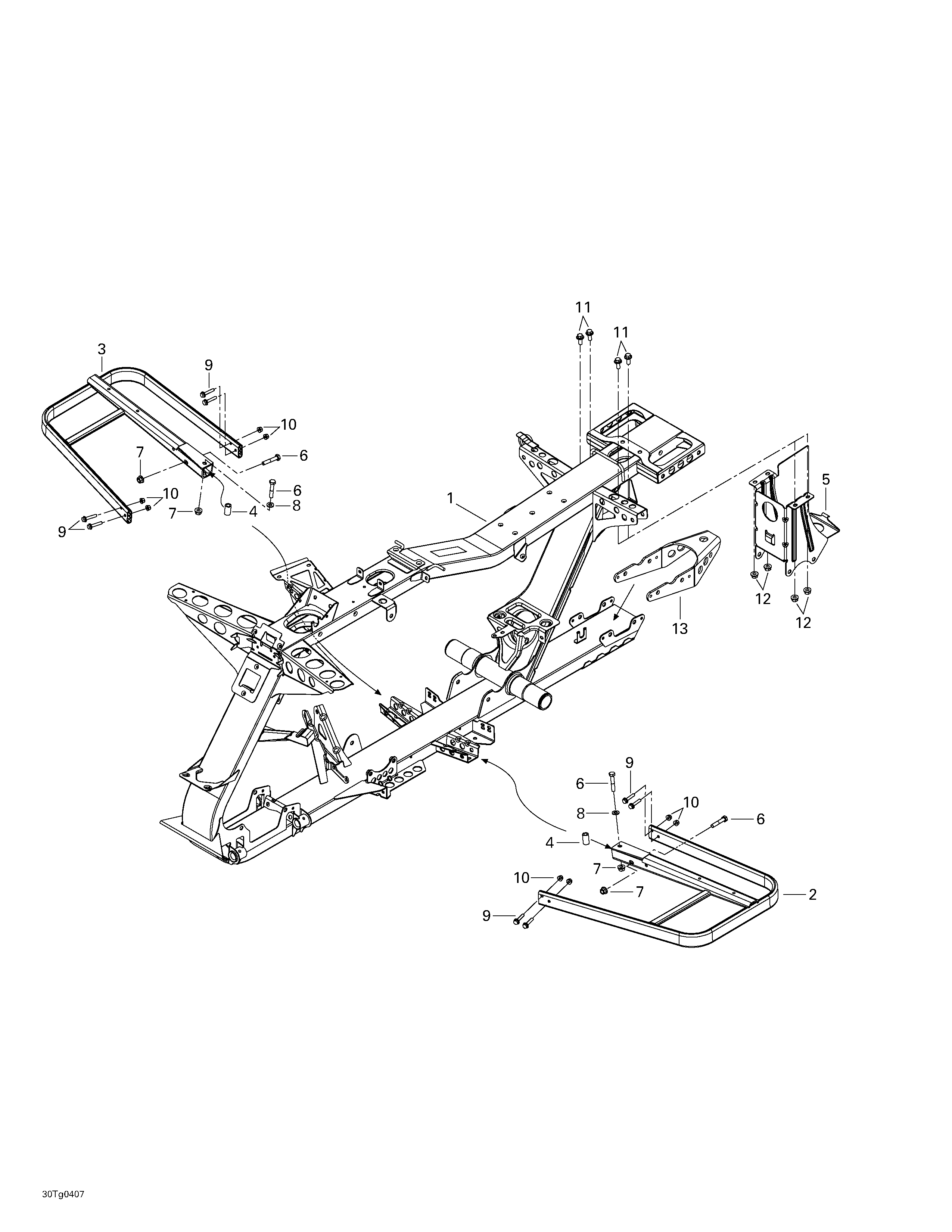
ДЕТАЛИРОВКА ДЛЯ МОДЕЛИ: BRP ATV Outlander 400 XT 4 X 4, 2004

Раздел: Рама | Frame


Квадроцикл  модель Outlander 400 XT 4 X 4, 2004 - Frame

Номер на
рисунке
АртикулНаименованиеКол-во
на складе
Цена
1 705200778

Рама (Frame)

под заказпо запросу
1 705200465

(последний код) Рама (Frame)

под заказпо запросу
2 705200526

L.h. footrest (L.h. footrest)

под заказ6980 руб.
3 705200529

R.h. footrest (R.h. footrest)

под заказ7330 руб.
4 705200645

Footrest Втулка (Footrest bushing)

под заказ410 руб.
5 705200814

Batterie sвышеport (Batterie support)

под заказ4510 руб.
5 705200703

(последний код) Batterie sвышеport (Batterie support)

под заказ3530 руб.
6 207685044

Hex Фланецd Винт M8 x 50 (Hex flanged screw M8 x 50)

под заказ290 руб.
7 233081416

Hex Фланецd Гайка M8 (Hex flanged nut M8)

под заказ270 руб.
7 A9405008000

(последний код)

под заказпо запросу
8 234082410

плоский Шайба 8 mm (Flat washer 8 mm)

под заказ270 руб.
8 702000064

(последний код) плоский Шайба 8 mm (Flat washer 8 mm)

под заказ210 руб.
9 207663044

Hex Фланецd Винт M6 x 30 (Hex flanged screw M6 x 30)

под заказ230 руб.
9 207663034

(последний код) Hex Фланецd Винт M6 x 30 (Hex flanged screw M6 x 30)

под заказ250 руб.
10 233261414

Hex Фланецd elastic Гайка M6 (Hex flanged elastic nut M6)

под заказ290 руб.
10 M33200

(последний код)

под заказпо запросу
11 207682046

Vis hex … -paulement M8 x 20 (Vis hex … -paulement M8 x 20)

под заказ290 руб.
12 233281414

Hex Фланецd elastic Гайка M8 (Hex flanged elastic nut M8)

под заказ290 руб.
12 M33201

(последний код)

под заказпо запросу
13 705200670

Trailer Крючок (Trailer hook)

под заказ1570 руб.
13 705200839

(последний код) Trailer Крючок (Trailer hook)

под заказ2010 руб.
brp atv

Время выполнения запроса 0.9495530128479 сек.


 
 

данный сайт носит информационный характер и не является публичной офертой

склад запчастей для водомоторной техники