вконтакте

Контактный телефон: +7 (981) 121-46-93, +7 (800) 200-90-76 , Email: parts-katalog@yandex.ru, где купить

 
 

  Логин:

Пароль:

Регистрация

www.partskatalog.ru Все каталоги Запчасти Mercury Запчасти Suzuki Запчасти Tohatsu Запчасти Honda Контакты



УВАЖАЕМЫЕ КЛИЕНТЫ!
C 19 ДЕКАБРЯ 2025 ПО 02 МАРТА 2026 ГОДА ОТДЕЛ ЗАПЧАСТЕЙ И СЕРВИС РАБОТАТЬ НЕ БУДУТ
ПРОДАЖА ЛОДОЧНЫХ МОТОРОВ В ШТАТНОМ РЕЖИМЕ
ОБ ИЗМЕНЕНИЯХ В ГРАФИКЕ РАБОТЫ ЧИТАЙТЕ НА САЙТА




Выбрать другую модель

назад Раздел:   вперёд

вернуться к списку узлов и деталей

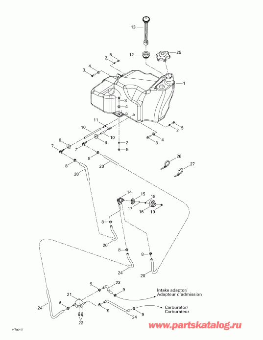
ДЕТАЛИРОВКА ДЛЯ МОДЕЛИ: BRP ATV Outlander 400 XT 4 X 4, 2004

Раздел: Топливный бак | Fuel Tank


Квадроцикл  Outlander 400 XT 4 X 4, 2004 раздел - Топливный бак

Номер на
рисунке
АртикулНаименованиеКол-во
на складе
Цена
1 709000062

Топливный бак (Fuel tank)

под заказ14750 руб.
2 293900029

Втулка (Bushing)

под заказ250 руб.
3 207662544

Hex Фланецd Винт M6 x25 (Hex flanged screw M6 x25)

под заказ290 руб.
3 420940568

(последний код) Hex Фланецd Винт M6 x25 (Hex flanged screw M6 x25)

под заказ230 руб.
4 391302000

плоский Шайба (Flat washer)

под заказ210 руб.
4 250200082

(последний код) плоский Шайба (Flat washer)

под заказ270 руб.
5 233261414

Hex Фланецd elastic Гайка M6 (Hex flanged elastic nut M6)

под заказ290 руб.
5 M33200

(последний код)

под заказпо запросу
6 570045500

Пыльник (Grommet)

под заказ430 руб.
7 414580600

Elbow Male Коннектор (Elbow Male Connector)

под заказ430 руб.
7 414362500

(последний код) Elbow Male Коннектор (Elbow Male Connector)

под заказ340 руб.
8 293650042

Oetiker Струбцина (Oetiker clamp)

под заказ290 руб.
9 414415200

Universal Пружина Струбцина (Universal spring clamp)

под заказ140 руб.
9 M27119F

(последний код)

под заказпо запросу
10 415080200

Polyurethane Шланг (Polyurethane hose)

под заказ1150 руб.
10 709000183

(последний код) Polyurethane Шланг (Polyurethane hose)

под заказпо запросу
11 414865700

Топливный фильтр (Fuel filter)

под заказ630 руб.
11 542743

(последний код) Топливный фильтр (Fuel filter)

под заказ500 руб.
11 07-241

   (не оригинальный аналог) Фильтр топливный в бак BRP/Polaris 07-241

под заказ590 руб.
12 293720058

Пыльник (Grommet)

под заказ860 руб.
12 709000006

(последний код) Пыльник (Grommet)

под заказ680 руб.
13 709000083

Fuel gauge (Fuel gauge)

под заказ3060 руб.
13 709000065

(последний код) Fuel gauge (Fuel gauge)

под заказ2360 руб.
14 275500098

Fuel Клапан (Fuel valve)

под заказ3220 руб.
14 275500024

(последний код) Fuel Клапан (Fuel valve)

под заказ2360 руб.
15 212100009

Hex пластиковый Гайка (Hex plastic nut)

под заказ580 руб.
15 212100008

(последний код) Hex пластиковый Гайка (Hex plastic nut)

под заказ100 руб.
16 275500263

Fuel Клапан Ручка (Fuel valve knob)

под заказ770 руб.
16 275500487

(последний код) Fuel Клапан Ручка (Fuel valve knob)

под заказ560 руб.
17 234040600

плоский Шайба 4 mm (Flat washer 4 mm)

под заказ130 руб.
17 213200010

(последний код) плоский Шайба 4 mm (Flat washer 4 mm)

под заказ110 руб.
18 208640860

Pan head Phillips Винт M4 x 8 (Pan head Phillips screw M4 x 8)

под заказ290 руб.
18 215840860

(последний код) Pan head Phillips Винт M4 x 8 (Pan head Phillips screw M4 x 8)

под заказ230 руб.
19 275500241

Fuel Клапан Колпачок Заглушка (Fuel valve cap plug)

под заказ290 руб.
19 293000073

(последний код) Fuel Клапан Колпачок Заглушка (Fuel valve cap plug)

под заказ230 руб.
20 415079800

Шланг 1 / 4" (Hose 1/4")

под заказпо запросу
20 414286700

(последний код) Шланг 1 / 4" (Hose 1/4")

под заказпо запросу
21 707200183

Топливный насос (Fuel pump)

под заказ5190 руб.
22 210261680

Hex Фланецd дляming Винт M6 x 16 (Hex flanged forming screw M6 x 16)

под заказ250 руб.
22 732600002

(последний код) Hex Фланецd дляming Винт M6 x 16 (Hex flanged forming screw M6 x 16)

под заказ230 руб.
23 709000063

Pulsation дляmed Шланг (Pulsation formed hose)

под заказ1160 руб.
24 415079800

Шланг 1 / 4" (Hose 1/4")

под заказпо запросу
24 414286700

(последний код) Шланг 1 / 4" (Hose 1/4")

под заказпо запросу
25 709000059

Fuel Колпачок (Fuel cap)

под заказ2150 руб.
26 414115200

Tie-rap 160 mm (Tie-rap 160 mm)

под заказ130 руб.
26 414587300

(последний код) Tie-rap 160 mm (Tie-rap 160 mm)

под заказ110 руб.
27 293750002

Tie-rap 130 mm (Tie-rap 130 mm)

под заказ130 руб.
brp atv

Время выполнения запроса 1.3237679004669 сек.


 
 

данный сайт носит информационный характер и не является публичной офертой

склад запчастей для водомоторной техники