вконтакте

Контактный телефон: +7 (981) 121-46-93, +7 (800) 200-90-76 , Email: parts-katalog@yandex.ru, где купить

 
 

  Логин:

Пароль:

Регистрация

www.partskatalog.ru Все каталоги Запчасти Mercury Запчасти Suzuki Запчасти Tohatsu Запчасти Honda Контакты



УВАЖАЕМЫЕ КЛИЕНТЫ!
C 19 ДЕКАБРЯ 2025 ПО 02 МАРТА 2026 ГОДА ОТДЕЛ ЗАПЧАСТЕЙ И СЕРВИС РАБОТАТЬ НЕ БУДУТ
ПРОДАЖА ЛОДОЧНЫХ МОТОРОВ В ШТАТНОМ РЕЖИМЕ
ОБ ИЗМЕНЕНИЯХ В ГРАФИКЕ РАБОТЫ ЧИТАЙТЕ НА САЙТА




Выбрать другую модель

назад Раздел:   вперёд

вернуться к списку узлов и деталей

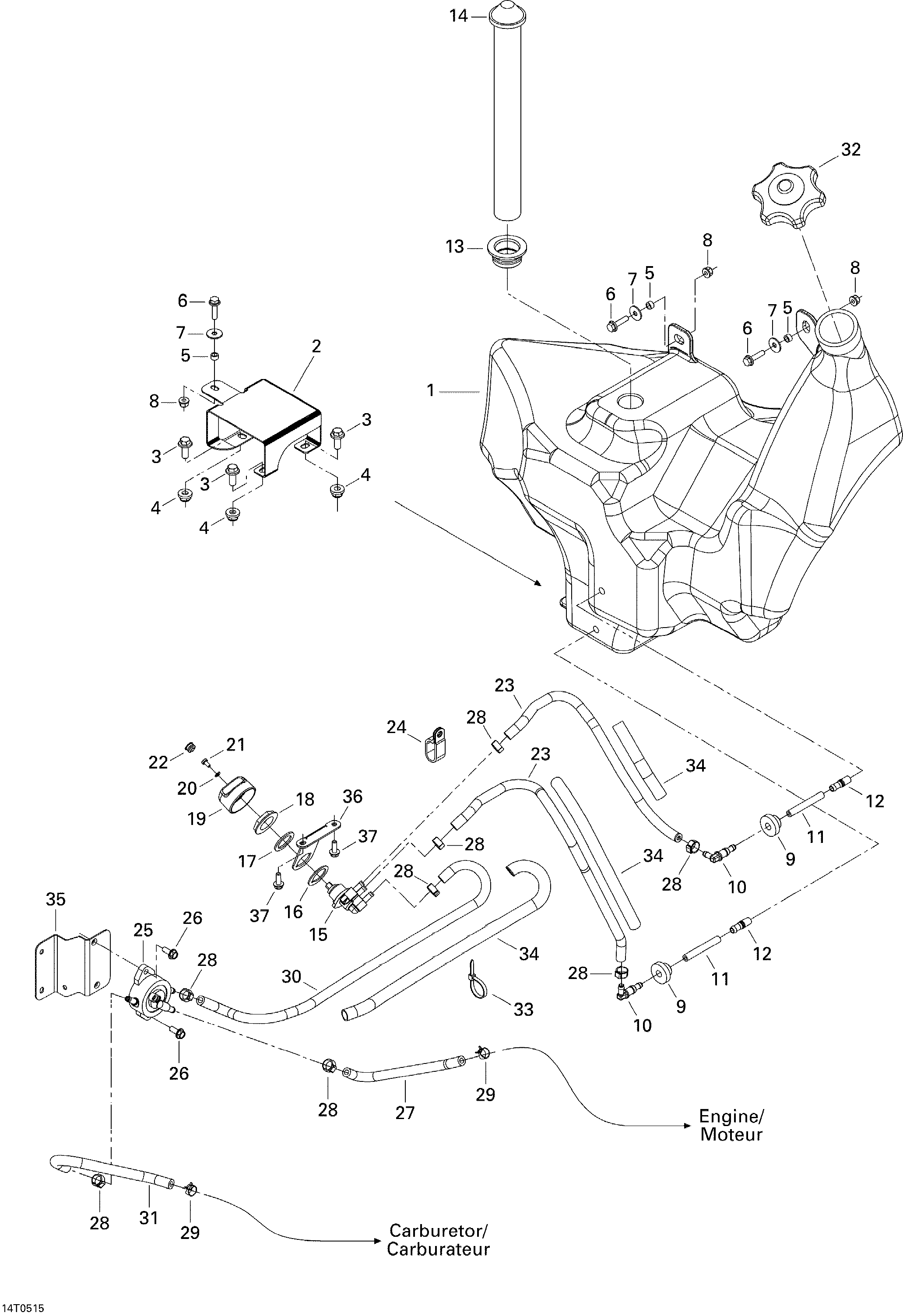
ДЕТАЛИРОВКА ДЛЯ МОДЕЛИ: BRP ATV Traxter Max CVT 650, 2005

Раздел: Топливный бак | Fuel Tank


BRP Traxter Max CVT 650, 2005 - Fuel Tank

Номер на
рисунке
АртикулНаименованиеКол-во
на складе
Цена
1 709000035

Топливный бак (Fuel Tank)

под заказ12980 руб.
2 709000039

Топливный бак Sвышеport, чёрный (Fuel Tank Support, Black)

под заказ2010 руб.
3 207682044

Hex Фланецd Винт M8 X 20 (Hex Flanged Screw M8 X 20)

под заказ290 руб.
3 732601285

(последний код) Hex Фланецd Винт M8 X 20 (Hex Flanged Screw M8 X 20)

под заказ230 руб.
4 233281414

Hex Фланецd Elastic Гайка M8 (Hex Flanged Elastic Nut M8)

под заказ290 руб.
4 M33201

(последний код)

под заказпо запросу
5 293900029

Втулка (Bushing)

под заказ250 руб.
6 207662544

Hex Фланецd Винт M6 X 25 (Hex Flanged Screw M6 X 25)

под заказ290 руб.
6 420940568

(последний код) Hex Фланецd Винт M6 X 25 (Hex Flanged Screw M6 X 25)

под заказ230 руб.
7 224061201

плоский Шайба (Flat Washer)

под заказ290 руб.
7 224061200

(последний код) плоский Шайба (Flat Washer)

под заказ230 руб.
8 233261414

Hex Фланецd Elastic Гайка M6 (Hex Flanged Elastic Nut M6)

под заказ290 руб.
8 M33200

(последний код)

под заказпо запросу
9 570045500

Пыльник (Grommet)

под заказ430 руб.
10 414580600

Elbow Male Коннектор (Elbow Male Connector)

под заказ430 руб.
10 414362500

(последний код) Elbow Male Коннектор (Elbow Male Connector)

под заказ340 руб.
11 415080200

Polyurethane Шланг (Polyurethane Hose)

под заказ1150 руб.
11 709000183

(последний код) Polyurethane Шланг (Polyurethane Hose)

под заказпо запросу
12 414865700

Топливный фильтр (Fuel Filter)

под заказ630 руб.
12 542743

(последний код) Топливный фильтр (Fuel Filter)

под заказ500 руб.
12 07-241

   (не оригинальный аналог) Фильтр топливный в бак BRP/Polaris 07-241

под заказ590 руб.
13 293720058

Пыльник (Grommet)

под заказ860 руб.
13 709000006

(последний код) Пыльник (Grommet)

под заказ680 руб.
14 709000078

Fuel Gauge (Fuel Gauge)

под заказ3220 руб.
14 709000033

(последний код) Fuel Gauge (Fuel Gauge)

под заказ2360 руб.
15 275500098

Fuel Клапан (Fuel Valve)

под заказ3220 руб.
15 275500024

(последний код) Fuel Клапан (Fuel Valve)

под заказ2360 руб.
16 293250004

Прокладка (Gasket)

под заказ760 руб.
17 250200015

Шайба (Washer)

под заказ280 руб.
18 212100009

Hex пластиковый Гайка (Hex Plastic Nut)

под заказ580 руб.
18 212100008

(последний код) Hex пластиковый Гайка (Hex Plastic Nut)

под заказ100 руб.
19 275500263

Fuel Клапан Ручка, чёрный (Fuel Valve Knob, Black)

под заказ770 руб.
19 275500487

(последний код) Fuel Клапан Ручка, чёрный (Fuel Valve Knob, Black)

под заказ560 руб.
20 234040600

плоский Шайба 4 mm (Flat Washer 4 mm)

под заказ130 руб.
20 213200010

(последний код) плоский Шайба 4 mm (Flat Washer 4 mm)

под заказ110 руб.
21 208640860

Pan Head Phillips Винт M4 X 8 (Pan Head Phillips Screw M4 X 8)

под заказ290 руб.
21 215840860

(последний код) Pan Head Phillips Винт M4 X 8 (Pan Head Phillips Screw M4 X 8)

под заказ230 руб.
22 275500241

Fuel Клапан Колпачок Заглушка, чёрный (Fuel Valve Cap Plug, Black)

под заказ290 руб.
22 293000073

(последний код) Fuel Клапан Колпачок Заглушка, чёрный (Fuel Valve Cap Plug, Black)

под заказ230 руб.
23 415079800

Шланг 1 / 4" (Hose 1/4")

под заказпо запросу
23 414286700

(последний код) Шланг 1 / 4" (Hose 1/4")

под заказпо запросу
24 709000057

Open Струбцина (Open Clamp)

под заказ450 руб.
25 709000103

Gas Помпа (Gas Pump)

под заказ5310 руб.
26 210261680

Hex Фланецd дляming Винт M6 X 16 (Hex Flanged Forming Screw M6 X 16)

под заказ250 руб.
26 732600002

(последний код) Hex Фланецd дляming Винт M6 X 16 (Hex Flanged Forming Screw M6 X 16)

под заказ230 руб.
27 709000047

дляmed Шланг (Formed Hose)

под заказ1860 руб.
28 293650042

Oetiker Струбцина (Oetiker Clamp)

под заказ290 руб.
29 414415200

Universal Пружина Струбцина (Universal Spring Clamp)

под заказ140 руб.
29 M27119F

(последний код)

под заказпо запросу
30 415079800

Шланг 1 / 4" (Hose 1/4")

под заказпо запросу
30 414286700

(последний код) Шланг 1 / 4" (Hose 1/4")

под заказпо запросу
31 709000104

Gas Шланг (Gas Hose)

под заказ1150 руб.
32 709000059

Fuel Колпачок (Fuel Cap)

под заказ2150 руб.
33 414115200

Tie-Rap (Tie-Rap)

под заказ130 руб.
33 414587300

(последний код) Tie-Rap (Tie-Rap)

под заказ110 руб.
33 293750009

Tie-Rap 160 mm (Tie-Rap 160 mm)

под заказ140 руб.
34 409901800

Трубопровод (Tubing)

под заказ110 руб.
34 414612400

(последний код) Трубопровод (Tubing)

под заказпо запросу
35 709000111

Sвышеport Помпа, чёрный (Support Pump, Black)

под заказ960 руб.
36 709000070

Клапан Sвышеport, чёрный (Valve Support, Black)

под заказ410 руб.
37 210261680

Hex Фланецd дляming Винт M6 X 16 (Hex Flanged Forming Screw M6 X 16)

под заказ250 руб.
37 732600002

(последний код) Hex Фланецd дляming Винт M6 X 16 (Hex Flanged Forming Screw M6 X 16)

под заказ230 руб.
brp atv

Время выполнения запроса 2.1864309310913 сек.


 
 

данный сайт носит информационный характер и не является публичной офертой

склад запчастей для водомоторной техники