вконтакте

Контактный телефон: +7 (981) 121-46-93, +7 (800) 200-90-76 , Email: parts-katalog@yandex.ru, где купить

 
 

  Логин:

Пароль:

Регистрация

www.partskatalog.ru Все каталоги Запчасти Mercury Запчасти Suzuki Запчасти Tohatsu Запчасти Honda Контакты



УВАЖАЕМЫЕ КЛИЕНТЫ!
C 19 ДЕКАБРЯ 2025 ПО 02 МАРТА 2026 ГОДА ОТДЕЛ ЗАПЧАСТЕЙ И СЕРВИС РАБОТАТЬ НЕ БУДУТ
ПРОДАЖА ЛОДОЧНЫХ МОТОРОВ В ШТАТНОМ РЕЖИМЕ
ОБ ИЗМЕНЕНИЯХ В ГРАФИКЕ РАБОТЫ ЧИТАЙТЕ НА САЙТА




Выбрать другую модель

назад Раздел:   вперёд

вернуться к списку узлов и деталей

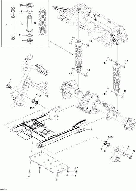
ДЕТАЛИРОВКА ДЛЯ МОДЕЛИ: BRP ATV Traxter XL, 2005

Раздел: Задняя подвеска | Rear Suspension


модификация Traxter XL, 2005 - Rear Suspension

Номер на
рисунке
АртикулНаименованиеКол-во
на складе
Цена
1 706000295

Swing Рычаг, чёрный (Swing Arm, Black)

под заказ41700 руб.
1 706000177

(последний код) Swing Рычаг, чёрный (Swing Arm, Black)

под заказ32600 руб.
2 706000169

Cone Подшипник (Cone Bearing)

под заказ2640 руб.
3 706000010

Сальник (Oil Seal)

под заказ1290 руб.
4 706000092

RH Стержень Болт (RH Pivot Bolt)

под заказ3740 руб.
4 706000004

(последний код) RH Стержень Болт (RH Pivot Bolt)

под заказ3520 руб.
5 706000093

LH Стержень Болт (LH Pivot Bolt)

под заказ3300 руб.
6 706000006

Hex Jam Гайка (Hex Jam Nut)

под заказ1290 руб.
7 706000377

Rear Shock (Rear Shock)

под заказ6860 руб.
8 706000398

Rear Пружина, жёлтый (Rear Spring, Yellow)

под заказ4460 руб.
9 706000294

Кольцо Регулятор (Ring Adjuster)

под заказ900 руб.
9 706001033

(последний код) Кольцо Регулятор (Ring Adjuster)

под заказ980 руб.
10 503140600

Пружина Стопор (Spring Stopper)

под заказ680 руб.
10 706200881

(последний код) Пружина Стопор (Spring Stopper)

под заказ860 руб.
11 706000335

Пружина Седло (Spring Seat)

под заказпо запросу
11 706000028

(последний код) Пружина Седло (Spring Seat)

под заказпо запросу
12 503190436

Защита (Protector)

под заказ840 руб.
13 503141600

Колпачок (Cap)

под заказ250 руб.
13 503191610

(последний код) Колпачок (Cap)

под заказ270 руб.
14 207605544

Hex Фланецd Винт M10 X 55 (Hex Flanged Screw M10 X 55)

под заказ290 руб.
14 V9600010055

(последний код)

под заказпо запросу
15 233201414

Hex Фланецd Elastic Гайка M10 (Hex Flanged Elastic Nut M10)

под заказ280 руб.
15 228701045

(последний код) Hex Фланецd Elastic Гайка M10 (Hex Flanged Elastic Nut M10)

под заказ220 руб.
16 293550010

Synthetic Смазка, 400 G (Synthetic Grease, 400 G)

под заказ2490 руб.
16 293550018

(последний код) Synthetic Смазка, 400 G (Synthetic Grease, 400 G)

под заказ1950 руб.
17 706200293

Защита Пластина (Protector Plate)

под заказ1230 руб.
18 210261680

Hex Фланецd дляming Винт M6 X 16 (Hex Flanged Forming Screw M6 X 16)

под заказ250 руб.
18 732600002

(последний код) Hex Фланецd дляming Винт M6 X 16 (Hex Flanged Forming Screw M6 X 16)

под заказ230 руб.
19 391302000

плоский Шайба (Flat Washer)

под заказ210 руб.
19 250200082

(последний код) плоский Шайба (Flat Washer)

под заказ270 руб.
brp atv

Время выполнения запроса 1.6738910675049 сек.


 
 

данный сайт носит информационный характер и не является публичной офертой

склад запчастей для водомоторной техники