вконтакте

Контактный телефон: +7 (981) 121-46-93, +7 (800) 200-90-76 , Email: parts-katalog@yandex.ru, где купить

 
 

  Логин:

Пароль:

Регистрация

www.partskatalog.ru Все каталоги Запчасти Mercury Запчасти Suzuki Запчасти Tohatsu Запчасти Honda Контакты



УВАЖАЕМЫЕ КЛИЕНТЫ!
C 19 ДЕКАБРЯ 2025 ПО 02 МАРТА 2026 ГОДА ОТДЕЛ ЗАПЧАСТЕЙ И СЕРВИС РАБОТАТЬ НЕ БУДУТ
ПРОДАЖА ЛОДОЧНЫХ МОТОРОВ В ШТАТНОМ РЕЖИМЕ
ОБ ИЗМЕНЕНИЯХ В ГРАФИКЕ РАБОТЫ ЧИТАЙТЕ НА САЙТА




Выбрать другую модель

назад Раздел:   вперёд

вернуться к списку узлов и деталей

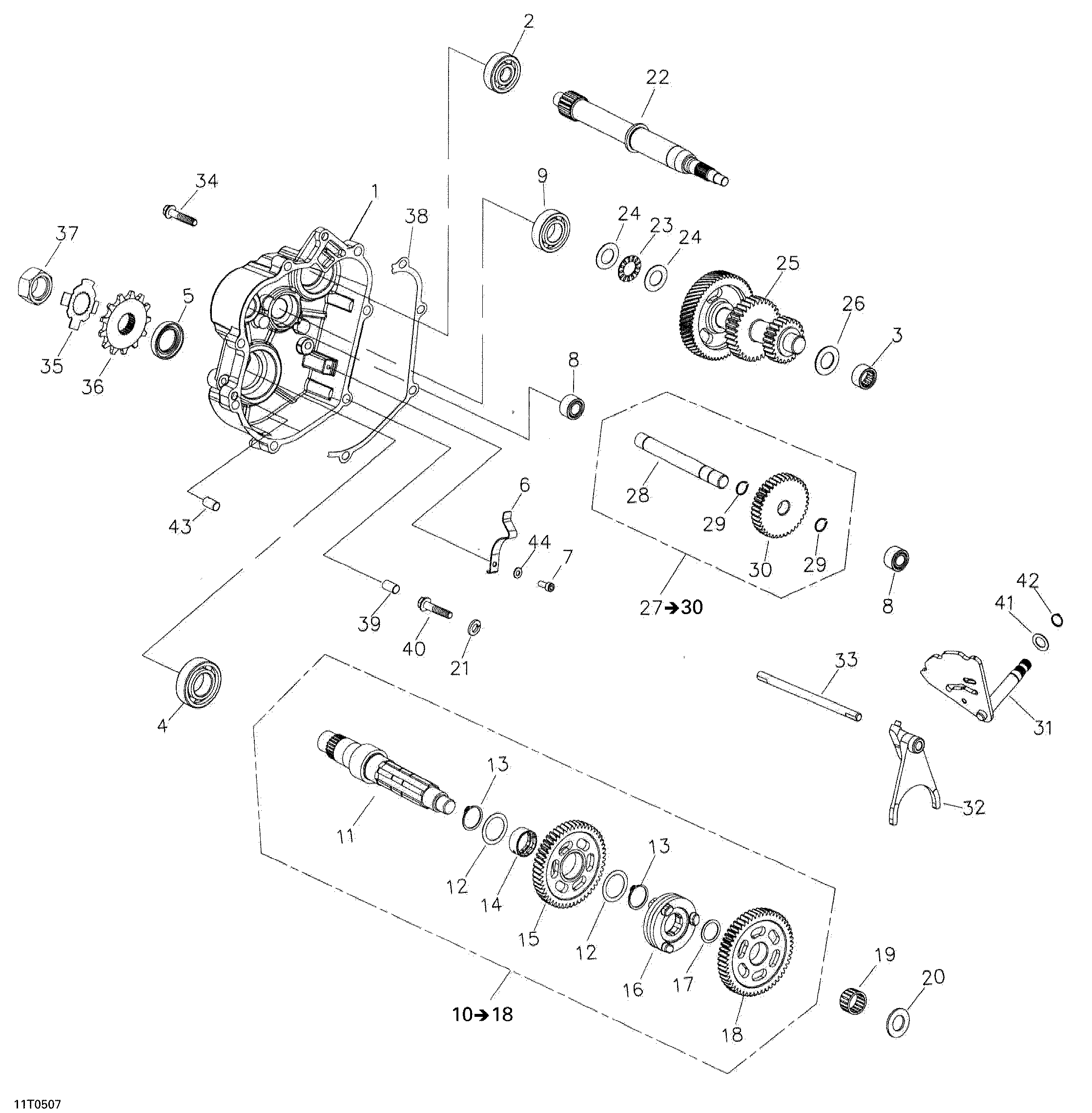
ДЕТАЛИРОВКА ДЛЯ МОДЕЛИ: BRP ATV Rally 175, 2005

Раздел: Шестерня Переключатель | Gear Shift


Квадроцикл BRP Rally 175, 2005 - Gear Shift

Номер на
рисунке
АртикулНаименованиеКол-во
на складе
Цена
1 A21301179001

Шестерня Box Крышка (Gear Box Cover)

под заказ10370 руб.
2 A961006302C3

Шариковый подшипник 6302 (Ball Bearing 6302)

под заказ2010 руб.
3 A96200HK1812

иголка Втулка (Needle Bushing)

под заказ2580 руб.
4 A961006205C3

Шариковый подшипник (Ball Bearing)

под заказ2580 руб.
5 A9650025407

Сальник (Oil Seal)

под заказ1580 руб.
6 A24435179001

Пружина (Spring)

под заказпо запросу
7 420241841

Socket Винт M5 x 12 (Socket Screw M5 x 12)

под заказ250 руб.
7 711241841

(последний код) Socket Винт M5 x 12 (Socket Screw M5 x 12)

под заказ230 руб.
8 A96200HK1512

Игольчатый подшипник (Needle Bearing)

под заказ2720 руб.
9 A961006303

Шариковый подшипник 6003 (Ball Bearing 6003)

под заказ3450 руб.
10 A23220179002

Driven Шестерни, комплект Includes 10 To 18 (Driven Gear Assy. Includes 10 To 18)

под заказ32200 руб.
11 A23221179001

Driven Вал (Driven Shaft)

под заказпо запросу
12 A941052635005

Шайба (Washer)

под заказ1440 руб.
13 A945112500S

Стопорное кольцо (Circlip)

под заказ1000 руб.
14 A23402179001

Inner Втулка (Inner Bushing)

под заказ3730 руб.
15 A23405179001

High Шестерня, 51 Teeth (High Gear, 51 Teeth)

под заказпо запросу
16 A23461179001

Sliding Втулка (Sliding Bushing)

под заказпо запросу
17 A941052026010

Шайба (Washer)

под заказпо запросу
18 A23406179001

Reverse Idle Шестерня, 53 Teeth (Reverse Idle Gear, 53 Teeth)

под заказпо запросу
19 A96200202413

Sprag Сцепление (Sprag Clutch)

под заказ3030 руб.
20 A941051528010

Шайба (Washer)

под заказпо запросу
21 420927571

Шайба (Washer)

под заказ250 руб.
22 A23411179001

Шкив привода Вал 24T (Drive Pulley Shaft 24T)

под заказ32200 руб.
23 A968001730A

Plain Подшипник (Plain Bearing)

под заказ1370 руб.
24 A941051730010

Упорная шайба (Thrust Washer)

под заказ1820 руб.
25 A23211179001

Intermediate Вал в сборе (Intermediate Shaft Assy)

под заказ58500 руб.
26 A941051826010

Упорная шайба (Thrust Washer)

под заказ580 руб.
27 A24773179000

Reverse Idle Шестерни, комплект Includes 27 To 30 (Reverse Idle Gear Assy. Includes 27 To 30)

под заказ8190 руб.
28 A24775179001

Reverse Idle Шестерня Вал (Reverse Idle Gear Shaft)

под заказпо запросу
29 A945111800S

Стопорное кольцо (Circlip)

под заказпо запросу
30 A23407179001

Idle Шестерня, 38 Teeth (Idle Gear, 38 Teeth)

под заказпо запросу
31 A24630179001

Переключающий вал в сборе (Shift Shaft Assy)

под заказ7190 руб.
32 A24211179000

Переключатель дляk (Shift Fork)

под заказ5530 руб.
33 A24241179000

Направляющая Штифт (Guide Pin)

под заказ2730 руб.
34 A960000804010G

Allen Винт M8 x 40 (Allen Screw M8 x 40)

под заказ1000 руб.
35 A23415179001

Шайба с блокировкой (Lock Washer)

под заказ1000 руб.
36 A23801179000

Цепное колесо ЗВЕЗДОЧКА, 13 Teeth (Sprocket, 13 Teeth)

под заказ5170 руб.
37 420242651

Гайка M20 (Nut M20)

под заказпо запросу
37 711242651

(последний код) Гайка M20 (Nut M20)

под заказпо запросу
38 A21395179001

Прокладка (Gasket)

под заказ3330 руб.
39 A9430110140

Шпонка (Dowel Pin)

под заказ290 руб.
40 A960000804510G

Hex. Фланецd Винт M8 X 45 (Hex. Flanged Screw M8 X 45)

под заказ860 руб.
41 A941051222010

Шайба (Washer)

под заказ1000 руб.
42 A945111200S

Стопорное кольцо (Circlip)

под заказ430 руб.
43 A9430708120

Center Штифт 8x12 (Center Pin 8x12)

под заказ1000 руб.
44 XXX

Шайба с блокировкой 5 mm. (Lock washer 5 mm.)

brp atv

Время выполнения запроса 5.3810288906097 сек.


 
 

данный сайт носит информационный характер и не является публичной офертой

склад запчастей для водомоторной техники