вконтакте

Контактный телефон: +7 (981) 121-46-93, +7 (800) 200-90-76 , Email: parts-katalog@yandex.ru, где купить

 
 

  Логин:

Пароль:

Регистрация

www.partskatalog.ru Все каталоги Запчасти Mercury Запчасти Suzuki Запчасти Tohatsu Запчасти Honda Контакты



УВАЖАЕМЫЕ КЛИЕНТЫ!
C 19 ДЕКАБРЯ 2025 ПО 02 МАРТА 2026 ГОДА ОТДЕЛ ЗАПЧАСТЕЙ И СЕРВИС РАБОТАТЬ НЕ БУДУТ
ПРОДАЖА ЛОДОЧНЫХ МОТОРОВ В ШТАТНОМ РЕЖИМЕ
ОБ ИЗМЕНЕНИЯХ В ГРАФИКЕ РАБОТЫ ЧИТАЙТЕ НА САЙТА




Выбрать другую модель

назад Раздел:   вперёд

вернуться к списку узлов и деталей

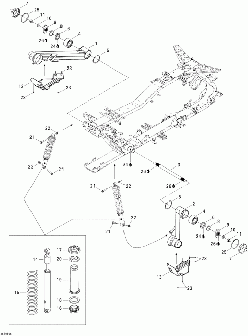
ДЕТАЛИРОВКА ДЛЯ МОДЕЛИ: BRP ATV Outlander MAX 400, 2005

Раздел: Задняя подвеска | Rear Suspension


Мотовездеход Bombardier модификация Outlander MAX 400, 2005 - Задняя подвеска

Номер на
рисунке
АртикулНаименованиеКол-во
на складе
Цена
1 706000347

Swing Рычаг LH (Swing Arm LH)

под заказ15280 руб.
1 706000496

(последний код) Swing Рычаг LH (Swing Arm LH)

под заказ16650 руб.
2 706000350

Swing Рычаг RH (Swing Arm RH)

под заказпо запросу
2 706000498

(последний код) Swing Рычаг RH (Swing Arm RH)

под заказпо запросу
3 706000450

Sway Bar (Sway Bar)

под заказ7310 руб.
3 706001077

(последний код) Sway Bar (Sway Bar)

под заказ9040 руб.
4 293350037

Шариковый подшипник (Ball Bearing)

под заказ11590 руб.
4 AT-04552

   (не оригинальный аналог) Подшипник заднего рычага BRP AT-04552

под заказ4690 руб.
5 293370041

Стопорное кольцо (Circlip)

под заказ580 руб.
6 706000221

Гайка (Nut)

под заказ1310 руб.
7 706000222

Крышка (Cover)

под заказ900 руб.
7 706000749

(последний код) Крышка (Cover)

под заказ1170 руб.
8 293370027

Стопорное кольцо 45 mm (Circlip 45 mm)

под заказ90 руб.
9 706000224

Рычаг (Lever)

под заказ1800 руб.
9 706000548

(последний код) Рычаг (Lever)

под заказ2130 руб.
10 250200045

Шайба (Washer)

под заказ330 руб.
11 232591414

Hex Elastic Гайка M18 (Hex Elastic Nut M18)

под заказ290 руб.
12 706000333

LH Защита (LH Protector)

под заказ550 руб.
13 706000334

RH Защита (RH Protector)

под заказ550 руб.
14 706000382

Rear Shock (Rear Shock)

под заказ7620 руб.
14 706000287

(последний код) Rear Shock (Rear Shock)

под заказ5730 руб.
15 706000261

Rear Пружина, Full Moon (Rear Spring, Full Moon)

под заказ3670 руб.
16 706000294

Кольцо Регулятор (Ring Adjuster)

под заказ900 руб.
16 706001033

(последний код) Кольцо Регулятор (Ring Adjuster)

под заказ980 руб.
17 503140600

Пружина Стопор (Spring Stopper)

под заказ680 руб.
17 706200881

(последний код) Пружина Стопор (Spring Stopper)

под заказ860 руб.
18 706000335

Пружина Седло (Spring Seat)

под заказпо запросу
18 706000028

(последний код) Пружина Седло (Spring Seat)

под заказпо запросу
19 503190436

Защита (Protector)

под заказ840 руб.
20 503141600

Колпачок (Cap)

под заказ250 руб.
20 503191610

(последний код) Колпачок (Cap)

под заказ270 руб.
21 207605544

Hex Фланецd Винт M10 X 55 (Hex Flanged Screw M10 X 55)

под заказ290 руб.
21 V9600010055

(последний код)

под заказпо запросу
22 233201414

Hex Фланецd Elastic Гайка M10 (Hex Flanged Elastic Nut M10)

под заказ280 руб.
22 228701045

(последний код) Hex Фланецd Elastic Гайка M10 (Hex Flanged Elastic Nut M10)

под заказ220 руб.
23 293150104

Pop Заклёпка 3 / 16" (Pop Rivet 3/16")

под заказ80 руб.
23 861783600

(последний код) Pop Заклёпка 3 / 16" (Pop Rivet 3/16")

под заказ570 руб.
24 293800060

Loctite 243, 10 ml (Loctite 243, 10 ml)

под заказ2150 руб.
24 420897651

(последний код) Loctite 243, 10 ml (Loctite 243, 10 ml)

под заказпо запросу
25 293650162

Oetiker Струбцина (Oetiker Clamp)

под заказ730 руб.
26 293800005

Loctite 271, 10 ml (Loctite 271, 10 ml)

под заказ2150 руб.
26 747020000

(последний код) Loctite 271, 10 ml (Loctite 271, 10 ml)

под заказ1680 руб.
brp atv

Время выполнения запроса 2.9661109447479 сек.


 
 

данный сайт носит информационный характер и не является публичной офертой

склад запчастей для водомоторной техники