вконтакте

Контактный телефон: +7 (981) 121-46-93, +7 (800) 200-90-76 , Email: parts-katalog@yandex.ru, где купить

 
 

  Логин:

Пароль:

Регистрация

www.partskatalog.ru Все каталоги Запчасти Mercury Запчасти Suzuki Запчасти Tohatsu Запчасти Honda Контакты



УВАЖАЕМЫЕ КЛИЕНТЫ!
C 19 ДЕКАБРЯ 2025 ПО 02 МАРТА 2026 ГОДА ОТДЕЛ ЗАПЧАСТЕЙ И СЕРВИС РАБОТАТЬ НЕ БУДУТ
ПРОДАЖА ЛОДОЧНЫХ МОТОРОВ В ШТАТНОМ РЕЖИМЕ
ОБ ИЗМЕНЕНИЯХ В ГРАФИКЕ РАБОТЫ ЧИТАЙТЕ НА САЙТА




Выбрать другую модель

назад Раздел:   вперёд

вернуться к списку узлов и деталей

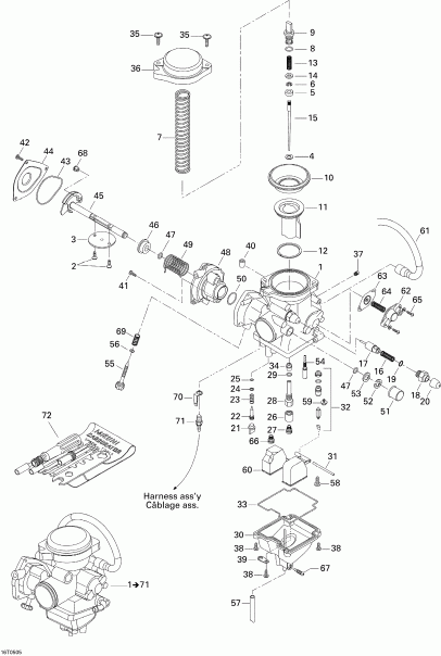
ДЕТАЛИРОВКА ДЛЯ МОДЕЛИ: BRP ATV Outlander 400 XT 4 X 4, 2005

Раздел: Карбюратор | Carburetor


Квадроцикл BRP Outlander 400 XT 4 X 4, 2005 раздел - Карбюратор

Номер на
рисунке
АртикулНаименованиеКол-во
на складе
Цена
1 707200190

Carburator (mikuni Bsr33-49) 400HO / Includes 1 to 71 (Carburator (mikuni Bsr33-49). 400HO / Includes 1 to 71)

под заказ45100 руб.
1 707200230

Carburator (mikuni Bsr33-56) 330HO / Includes 1 to 71 (Carburator (mikuni Bsr33-56). 330HO / Includes 1 to 71)

под заказ55600 руб.
1 707000402

Carburator Ce (mikuni Bsr33-67) 400HO Европа / Includes 1 to 71 (Carburator Ce (mikuni Bsr33-67). 400HO Europe / Includes 1 to 71)

под заказ37600 руб.
1 XXX

Mixing Корпус в сборе (Mixing Body Assy)

2 XXX

Винт (Screw)

3 XXX

Клапан дросселя (Throttle Valve)

4 707200064

Шайба (Washer)

под заказ720 руб.
5 707200065

Кольцо (Ring)

под заказ720 руб.
6 404152200

Уплотнительное кольцо (E-Ring)

под заказ430 руб.
7 404162051

Пружина (Spring)

под заказ720 руб.
8 270500144

Уплотнительное кольцо (O-Ring)

под заказ1210 руб.
9 707200067

Держатель (Holder)

под заказ1070 руб.
10 707200068

Диафрагма (Diaphragm)

под заказ4300 руб.
11 404162039

Поршень Клапан (Piston Valve)

под заказ6450 руб.
12 707200070

Кольцо (Ring)

под заказ720 руб.
13 707200071

Пружина (Spring)

под заказ720 руб.
14 707200072

Шайба (Washer)

под заказ720 руб.
15 707200109

иголка J8-5fey01-3. 400HO (Needle J8-5fey01-3. 400HO)

под заказ2120 руб.
15 404162052

иголка J8-5hgy75-53. 330HO (Needle J8-5hgy75-53. 330HO)

под заказ3380 руб.
15 404162073

иголка J8-5fey02-52. 400HO Европа (Needle J8-5fey02-52. 400HO Europe)

под заказ3030 руб.
16 707200144

Пружина (Spring)

под заказ210 руб.
17 404162038

Плунжер в сборе (Plunger AssY)

под заказ4450 руб.
18 707200009

Держатель Направляющая (Holder Guide)

под заказ1150 руб.
19 404140200

Уплотнительное кольцо (O-Ring)

под заказ610 руб.
20 707200010

Колпачок (Cap)

под заказ770 руб.
21 707200004

Колпачок (Cap)

под заказ1150 руб.
22 707200077

Регулятор (Adjuster)

под заказ1230 руб.
23 707200078

Пружина (Spring)

под заказ720 руб.
24 707200018

Шайба (Washer)

под заказ430 руб.
25 404139900

Уплотнительное кольцо (O-Ring)

под заказ720 руб.
26 707200079

Кольцо (Ring)

под заказ2010 руб.
27 404162037

Главный жиклёр 133.8. 400HO (Main Jet 133.8. 400HO)

под заказ1000 руб.
27 270500148

Главный жиклёр 127.5. 330HO (Main Jet 127.5. 330HO)

под заказ430 руб.
28 707200080

Jet Держатель (Jet Holder)

под заказ2870 руб.
29 270500119

Уплотнительное кольцо (O-Ring)

под заказ760 руб.
30 707200119

Поплавок Корпус в сборе (Float Body AssY)

под заказ8370 руб.
31 404123400

Штифт (Pin)

под заказ430 руб.
32 707200082

Игольчатый клапан 1.0 (Needle Valve 1.0)

под заказ6090 руб.
33 707200083

Уплотнительное кольцо (O-Ring)

под заказ890 руб.
34 404162036

Игла распылителя. 400HO (Needle Jet. 400HO)

под заказ2150 руб.
34 404162053

Игла распылителя. 330HO (Needle Jet. 330HO)

под заказ2150 руб.
34 404162043

(последний код) Игла распылителя. 330HO (Needle Jet. 330HO)

под заказ1680 руб.
34 707200121

Игла распылителя. 400HO Европа (Needle Jet. 400HO Europe)

под заказ1290 руб.
34 404162055

(последний код) Игла распылителя. 400HO Европа (Needle Jet. 400HO Europe)

под заказ1010 руб.
35 707200085

Винт (Screw)

под заказ580 руб.
36 707200086

Крышка диафрагмы (Diaphragm Cover)

под заказ3830 руб.
37 707200188

Pilot Jet 50.0. 400HO (Pilot Jet 50.0. 400HO)

под заказ1440 руб.
37 707200177

Pilot Jet 80.0. 330HO / 400HO Европа (Pilot Jet 80.0. 330HO / 400HO Europe)

под заказ1290 руб.
38 404159300

Винт (Screw)

под заказ430 руб.
39 404162035

Пластина (Plate)

под заказ720 руб.
40 404154900

Колпачок (Cap)

под заказ1150 руб.
41 XXX

Болт (Bolt)

42 707200091

Винт (Screw)

под заказ430 руб.
43 707200092

Уплотнительное кольцо (O-Ring)

под заказ2420 руб.
44 707200093

Крышка (Cover)

под заказ2300 руб.
44 719000033

(последний код) Крышка (Cover)

под заказ1800 руб.
45 XXX

Вал дросселя в сборе (Throttle Shaft Assy)

46 XXX

Кольцо (Ring)

47 XXX

Сальник (Seal)

48 XXX

Case (Case)

49 XXX

Torsion Пружина (Torsion Spring)

50 XXX

Уплотнительное кольцо (O-Ring)

51 XXX

Колпачок (Cap)

52 XXX

Уплотнительное кольцо (E-Ring)

53 XXX

Прокладка (Packing)

54 707200100

Pilot Jet 32.5 (Pilot Jet 32.5)

под заказ1360 руб.
54 404162074

Pilot Jet 27.5. 400HO Европа (Pilot Jet 27.5. 400HO Europe)

под заказ880 руб.
55 707200180

Регулятор Винт (Adjuster Screw)

под заказ2150 руб.
56 707200020

Уплотнительное кольцо (O-Ring)

под заказ210 руб.
57 404162034

Шланг (Hose)

под заказ5170 руб.
58 404138600

Винт (Screw)

под заказ290 руб.
59 404161861

Винт (Screw)

под заказ430 руб.
60 707200103

Поплавок в сборе (Float Assy)

под заказ3690 руб.
61 707200179

Шланг (Hose)

под заказ2150 руб.
62 707200105

Крышка в сборе (Cover Assy)

под заказ3570 руб.
63 707200106

Диафрагма в сборе (Diaphragm Assy)

под заказ2810 руб.
64 707200160

Richer Пружина (Richer Spring)

под заказ720 руб.
65 404901400

Винт (Screw)

под заказ430 руб.
66 404145800

Главный жиклёр Pwj 80 (Main Jet Pwj 80)

под заказ860 руб.
67 707200024

Винт (Screw)

под заказ1000 руб.
68 707200058

Кабели Направляющая (Cable Guide)

под заказ1060 руб.
69 404101700

Пружина (Spring)

под заказ300 руб.
69 420938940

(последний код) Пружина (Spring)

под заказ240 руб.
70 707200164

Клемма (Terminal)

под заказ760 руб.
71 707200163

Heater Element (Heater Element)

под заказ9440 руб.
72 404112000

Набор инструмента (Tool Kit)

под заказ7330 руб.
72 876960

(последний код) Набор инструмента (Tool Kit)

под заказ5730 руб.
brp atv

Время выполнения запроса 3.0897438526154 сек.


 
 

данный сайт носит информационный характер и не является публичной офертой

склад запчастей для водомоторной техники