вконтакте

Контактный телефон: +7 (981) 121-46-93, +7 (800) 200-90-76 , Email: parts-katalog@yandex.ru, где купить

 
 

  Логин:

Пароль:

Регистрация

www.partskatalog.ru Все каталоги Запчасти Mercury Запчасти Suzuki Запчасти Tohatsu Запчасти Honda Контакты



УВАЖАЕМЫЕ КЛИЕНТЫ!
C 19 ДЕКАБРЯ 2025 ПО 02 МАРТА 2026 ГОДА ОТДЕЛ ЗАПЧАСТЕЙ И СЕРВИС РАБОТАТЬ НЕ БУДУТ
ПРОДАЖА ЛОДОЧНЫХ МОТОРОВ В ШТАТНОМ РЕЖИМЕ
ОБ ИЗМЕНЕНИЯХ В ГРАФИКЕ РАБОТЫ ЧИТАЙТЕ НА САЙТА




Выбрать другую модель

назад Раздел:   вперёд

вернуться к списку узлов и деталей

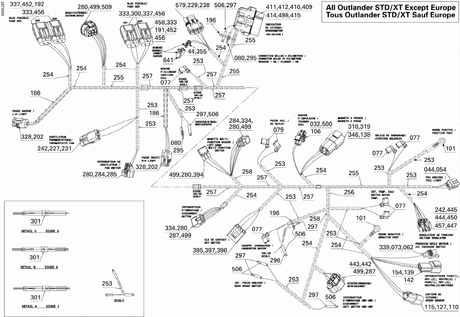
ДЕТАЛИРОВКА ДЛЯ МОДЕЛИ: BRP ATV Outlander 330/400 STD 2 X 4, 2005

Раздел: Main Жгут проводов | Main Harness


Квадроцикл - Main Жгут проводов

Номер на
рисунке
АртикулНаименованиеКол-во
на складе
Цена
1 710000713

Main Жгут проводов в сборе. Includes 1 To 641 (Except Европа) (Main Harness Assy. Includes 1 To 641 (Except Europe))

под заказ38300 руб.
32 278000998

Female Клемма (Female Terminal)

под заказ430 руб.
32 415128502

(последний код) Female Клемма (Female Terminal)

под заказ340 руб.
44 515175231

Female Клемма 16-20 Awg (Female Terminal 16-20 Awg)

под заказ430 руб.
54 515175495

Female Корпус (3 Circuits) (Female Housing (3 Circuits))

под заказ1580 руб.
62 278001014

Female Клемма (Female Terminal)

под заказ290 руб.
73 278001013

Провод Сальник (Wire Seal)

под заказ290 руб.
77 409010300

Female Клемма (Female Terminal)

под заказ430 руб.
79 710000038

Female Клемма (Female Terminal)

под заказ450 руб.
80 278000230

Male Клемма (Male Terminal)

под заказ430 руб.
80 730100001

(последний код) Male Клемма (Male Terminal)

под заказ340 руб.
101 278001392

Open Barrel (Open Barrel)

под заказ430 руб.
101 409012600

(последний код) Open Barrel (Open Barrel)

под заказ340 руб.
106 278001005

Male Клемма Корпус (2 Circuits) (Male Terminal Housing (2 Circuits))

под заказ1440 руб.
110 278000631

Male Клемма (Male Terminal)

под заказ430 руб.
115 409207000

Male Клемма Корпус (3 Circuits) (Male Terminal Housing (3 Circuits))

под заказпо запросу
127 409207600

Male Lock (3 Circuits) (Male Lock (3 Circuits))

под заказ430 руб.
138 293000052

Сальникing Колпачок (Sealing Cap)

под заказ290 руб.
139 409014800

Male Клемма (Male Terminal)

под заказ430 руб.
142 710000044

Male Клемма Корпус (3 Circuits) (Male Terminal Housing (3 Circuits))

под заказ2870 руб.
154 710000043

(Male) Secondary Lock (3 Circuits) (Deutsch) ((Male) Secondary Lock (3 Circuits) (Deutsch))

под заказ580 руб.
186 515175332

Vinyl Трубопровод (low температура) (Vinyl Tubing (low Temperature))

под заказ720 руб.
191 410917200

Предохранитель (30 Amperes) (Fuse (30 Amperes))

под заказ290 руб.
191 42043

(последний код) Предохранитель (30 Amperes) (Fuse (30 Amperes))

под заказ140 руб.
192 409003900

Предохранитель (20 Amperes) (Fuse (20 Amperes))

под заказ290 руб.
192 42042

(последний код) Предохранитель (20 Amperes) (Fuse (20 Amperes))

под заказ110 руб.
196 293750002

Tie-Rap 130 mm (Tie-Rap 130 mm)

под заказ130 руб.
202 278001114

Female Клемма (Female Terminal)

под заказ290 руб.
210 278000736

Male Клемма Корпус (6 Circuits) (Male Terminal Housing (6 Circuits))

под заказ1590 руб.
227 409004300

Male Клемма (Male Terminal)

под заказ580 руб.
231 278000217

Female Клемма Корпус (2 Circuits) (Female Terminal Housing (2 Circuits))

под заказ720 руб.
242 278000218

Провод Сальник (Wire Seal)

под заказ430 руб.
253 515175442

Трубопровод 6 mm (Tubing 6 mm)

под заказ430 руб.
253 513033364

(последний код) Трубопровод 6 mm (Tubing 6 mm)

под заказ340 руб.
254 409901700

Трубопровод 9 mm (Tubing 9 mm)

под заказ720 руб.
255 409901800

Трубопровод (Tubing)

под заказ110 руб.
255 414612400

(последний код) Трубопровод (Tubing)

под заказпо запросу
256 415080000

Трубопровод 16 mm (Tubing 16 mm)

под заказ720 руб.
256 513033461

(последний код) Трубопровод 16 mm (Tubing 16 mm)

под заказ560 руб.
257 409901600

Трубопровод (Tubing)

под заказ860 руб.
280 409012100

Female Клемма (Female Terminal)

под заказ430 руб.
284 409012300

Сальник (Seal)

под заказ290 руб.
285 710000078

Female Клемма Корпус (2 Circuits) (Female Terminal Housing (2 Circuits))

под заказ2440 руб.
287 710000080

Колпачок (Cap)

под заказ620 руб.
295 278001009

Female Клемма (Female Terminal)

под заказ290 руб.
295 290964068

(последний код) Female Клемма (Female Terminal)

под заказ230 руб.
296 278000770

Insulated Sheet (Insulated Sheet)

под заказ770 руб.
297 278001007

Insulated Sheet (Insulated Sheet)

под заказ290 руб.
297 730451000

(последний код) Insulated Sheet (Insulated Sheet)

под заказпо запросу
300 278000343

Предохранитель (15 Amperes) (Fuse (15 Amperes))

под заказ290 руб.
301 XXX

Diode (Diode)

318 278001477

Female Клемма Корпус (4 Circuits) (Female Terminal Housing (4 Circuits))

под заказ2580 руб.
319 515175568

Male Клемма (Male Terminal)

под заказ720 руб.
328 278001467

Male Клемма Корпус (3 Circuits) (Male Terminal Housing (3 Circuits))

под заказ1090 руб.
333 278001325

Предохранитель Держатель (Fuse Holder)

под заказ720 руб.
334 710000081

Female Клемма Корпус (6 Circuits) (Female Terminal Housing (6 Circuits))

под заказ370 руб.
336 710000115

Rubber Envelope Клемма (Rubber Envelope Terminal)

под заказ450 руб.
337 710000113

Female Клемма (Female Terminal)

под заказ580 руб.
338 710000114

Female Клемма (Female Terminal)

под заказ720 руб.
338 278001317

(последний код) Female Клемма (Female Terminal)

под заказ560 руб.
339 278001012

Male Клемма Корпус (1 Circuit) (Male Terminal Housing (1 Circuit))

под заказ1150 руб.
346 278001478

(Female) Secondary Lock (4 Circuits) (Deutsch) ((Female) Secondary Lock (4 Circuits) (Deutsch))

под заказ290 руб.
355 515175658

Female Корпус (2 Circuits) (Female Housing (2 Circuits))

под заказ1580 руб.
394 710000275

Female Клемма Корпус (3 Circuits) (Female Terminal Housing (3 Circuits))

под заказ820 руб.
395 710000274

Female Клемма (Female Terminal)

под заказ860 руб.
396 710000272

Female Клемма Корпус (4 Circuits) (Female Terminal Housing (4 Circuits))

под заказ1000 руб.
397 710000273

Lock (4 Circuits) (Lock (4 Circuits))

под заказ860 руб.
409 515175812

Заглушка (Plug)

под заказ210 руб.
410 409204600

Female Клемма Корпус (24 Circuits) (Female Terminal Housing (24 Circuits))

под заказ430 руб.
410 409203600

(последний код) Female Клемма Корпус (24 Circuits) (Female Terminal Housing (24 Circuits))

под заказ340 руб.
411 515175802

Фиксатор Block (24 Circuits) (Retainer Block (24 Circuits))

под заказ1000 руб.
412 515175803

Провод Сальник (24 Circuits) (Wire Seal (24 Circuits))

под заказ300 руб.
414 515175805

Female Lock (24 Circuits) (Female Lock (24 Circuits))

под заказ430 руб.
415 515175806

Female Клемма (Female Terminal)

под заказ110 руб.
435 409009500

Female Клемма (Female Terminal)

под заказ290 руб.
444 710000336

Male Клемма Корпус (6 Circuits) (Male Terminal Housing (6 Circuits))

под заказ1180 руб.
445 710000337

Соединитель Сальник (Joint Seal)

под заказ600 руб.
447 710000339

Secondary Lock (Secondary Lock)

под заказ1180 руб.
450 710000343

Колпачок (Cap)

под заказ140 руб.
452 710000342

Корпус Крышка (Housing Cover)

под заказ1370 руб.
456 278000805

Подушка (Cushion)

под заказ290 руб.
457 710000356

Female Клемма (Female Terminal)

под заказ600 руб.
458 710000357

Female Клемма (Female Terminal)

под заказ580 руб.
498 710000399

Female Клемма Корпус (24 Circ.) (Female Terminal Housing (24 Circ.))

под заказ1440 руб.
499 710000402

Провод Сальник (Wire Seal)

под заказ430 руб.
500 710000403

Провод Сальник (Wire Seal)

под заказ290 руб.
506 710000421

Female Клемма (Female Terminal)

под заказ430 руб.
509 710000474

Female Клемма Корпус (6 Circuits) (Female Terminal Housing (6 Circuits))

под заказ1500 руб.
641 710000667

Male Корпус (2 Circuits) (Male Housing (2 Circuits))

под заказ720 руб.
brp atv

Время выполнения запроса 4.3770411014557 сек.


 
 

данный сайт носит информационный характер и не является публичной офертой

склад запчастей для водомоторной техники