вконтакте

Контактный телефон: +7 (981) 121-46-93, +7 (800) 200-90-76 , Email: parts-katalog@yandex.ru, где купить

 
 

  Логин:

Пароль:

Регистрация

www.partskatalog.ru Все каталоги Запчасти Mercury Запчасти Suzuki Запчасти Tohatsu Запчасти Honda Контакты



УВАЖАЕМЫЕ КЛИЕНТЫ!
C 19 ДЕКАБРЯ 2025 ПО 02 МАРТА 2026 ГОДА ОТДЕЛ ЗАПЧАСТЕЙ И СЕРВИС РАБОТАТЬ НЕ БУДУТ
ПРОДАЖА ЛОДОЧНЫХ МОТОРОВ В ШТАТНОМ РЕЖИМЕ
ОБ ИЗМЕНЕНИЯХ В ГРАФИКЕ РАБОТЫ ЧИТАЙТЕ НА САЙТА




Выбрать другую модель

назад Раздел:   вперёд

вернуться к списку узлов и деталей

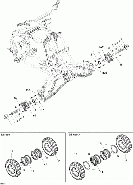
ДЕТАЛИРОВКА ДЛЯ МОДЕЛИ: BRP ATV DS 650/DS 650 X, 2005

Раздел: Drive System, Front | Drive System, Front


Квадроцикл BRP модификация DS 650/DS 650 X, 2005 - Drive System, Front

Номер на
рисунке
АртикулНаименованиеКол-во
на складе
Цена
1 705400217

Wheel Hub в сборе. Includes 1 to 2 (Wheel Hub AssY. Includes 1 to 2)

под заказ14790 руб.
2 250000138

Wheel Шпилька (Wheel Stud)

под заказ770 руб.
3 293900043

Inside Втулка (Inside Bushing)

под заказ1580 руб.
4 293350049

Шариковый подшипник (Ball Bearing)

под заказ1350 руб.
4 293350036

(последний код) Шариковый подшипник (Ball Bearing)

под заказ1720 руб.
5 250200019

Шайба (Washer)

под заказ860 руб.
5 211200049

(последний код) Шайба (Washer)

под заказ680 руб.
6 705400012

Wheel Колпачок (Wheel Cap)

под заказ760 руб.
7 293250094

Сальник (Seal)

под заказ3010 руб.
8 232291413

Hex Фланецd Castellated Гайка M18 (Hex Flanged Castellated Nut M18)

под заказ750 руб.
8 250100047

(последний код) Hex Фланецd Castellated Гайка M18 (Hex Flanged Castellated Nut M18)

под заказ740 руб.
9 211400011

Шплинт (Cotter Pin)

под заказпо запросу
10 705400136

Front Tire. DS 650 X (Front Tire. DS 650 X)

под заказ5900 руб.
11 705400137

Front Rim RH. DS 650 X (Front Rim RH. DS 650 X)

под заказ13120 руб.
12 705400193

Rim Клапан. DS 650 X (Rim Valve. DS 650 X)

под заказ450 руб.
12 705400067

(последний код) Rim Клапан. DS 650 X (Rim Valve. DS 650 X)

под заказ340 руб.
13 705400136

Front Tire. DS 650 (Front Tire. DS 650)

под заказ5900 руб.
14 705400121

Front Rim. DS 650 (Front Rim. DS 650)

под заказ9370 руб.
14 705400048

(последний код) Front Rim. DS 650 (Front Rim. DS 650)

под заказ7320 руб.
15 705400193

Rim Клапан. DS 650 (Rim Valve. DS 650)

под заказ450 руб.
15 705400067

(последний код) Rim Клапан. DS 650 (Rim Valve. DS 650)

под заказ340 руб.
16 732610084

Фланецd Гайка M10 (Flanged Nut M10)

под заказ1570 руб.
16 250100105

(последний код) Фланецd Гайка M10 (Flanged Nut M10)

под заказ2010 руб.
17 705400136

Front Tire. DS 650 X (Front Tire. DS 650 X)

под заказ5900 руб.
18 705400140

Front Rim LH. DS 650 X (Front Rim LH. DS 650 X)

под заказ13120 руб.
19 705400193

Rim Клапан. DS 650 X (Rim Valve. DS 650 X)

под заказ450 руб.
19 705400067

(последний код) Rim Клапан. DS 650 X (Rim Valve. DS 650 X)

под заказ340 руб.
20 705400136

Front Tire. DS 650 (Front Tire. DS 650)

под заказ5900 руб.
21 705400121

Front Rim. DS 650 (Front Rim. DS 650)

под заказ9370 руб.
21 705400048

(последний код) Front Rim. DS 650 (Front Rim. DS 650)

под заказ7320 руб.
22 705400193

Rim Клапан. DS 650 (Rim Valve. DS 650)

под заказ450 руб.
22 705400067

(последний код) Rim Клапан. DS 650 (Rim Valve. DS 650)

под заказ340 руб.
23 293550010

Synthetic Смазка, 400 G (Synthetic Grease, 400 G)

под заказ2490 руб.
23 293550018

(последний код) Synthetic Смазка, 400 G (Synthetic Grease, 400 G)

под заказ1950 руб.
brp atv

Время выполнения запроса 8.0439910888672 сек.


 
 

данный сайт носит информационный характер и не является публичной офертой

склад запчастей для водомоторной техники