вконтакте

Контактный телефон: +7 (981) 121-46-93, +7 (800) 200-90-76 , Email: parts-katalog@yandex.ru, где купить

 
 

  Логин:

Пароль:

Регистрация

www.partskatalog.ru Все каталоги Запчасти Mercury Запчасти Suzuki Запчасти Tohatsu Запчасти Honda Контакты



УВАЖАЕМЫЕ КЛИЕНТЫ!
C 19 ДЕКАБРЯ 2025 ПО 02 МАРТА 2026 ГОДА ОТДЕЛ ЗАПЧАСТЕЙ И СЕРВИС РАБОТАТЬ НЕ БУДУТ
ПРОДАЖА ЛОДОЧНЫХ МОТОРОВ В ШТАТНОМ РЕЖИМЕ
ОБ ИЗМЕНЕНИЯХ В ГРАФИКЕ РАБОТЫ ЧИТАЙТЕ НА САЙТА




Выбрать другую модель

назад Раздел:   вперёд

вернуться к списку узлов и деталей

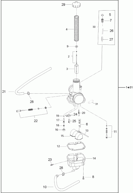
ДЕТАЛИРОВКА ДЛЯ МОДЕЛИ: BRP ATV Rally 175, 2006

Раздел: Карбюратор | Carburetor


Квадроцикл BRP Rally 175, 2006 - Carburetor

Номер на
рисунке
АртикулНаименованиеКол-во
на складе
Цена
1 A16100179000

Carburator в сборе VM24-502. Includes 1 To 31 (Carburator Assy VM24-502. Includes 1 To 31)

под заказ34600 руб.
2 A16104179000

Ensemble Daiguille (Ensemble Daiguille)

под заказ2420 руб.
3 707200201

Клапан Поршень (Valve Piston)

под заказ4310 руб.
4 707200202

Пружина (Spring)

под заказ860 руб.
5 XXX

Резиновый колпачок (Rubber Cap)

6 404046103

Игольчатый клапан 1.8 (Needle Valve 1.8)

под заказ4040 руб.
6 707200221

(последний код) Игольчатый клапан 1.8 (Needle Valve 1.8)

под заказ3150 руб.
7 XXX

Фиксатор Направляющая (Retainer Guide)

8 404901400

Винт (Screw)

под заказ430 руб.
9 707200204

Зажим (Clip)

под заказ760 руб.
10 707200218

Шланг (Hose)

под заказ1150 руб.
11 A16115179000

Air Регулятор Винт Kit (Air Adjuster Screw Kit)

под заказ1150 руб.
12 707200206

Прокладка (Gasket)

под заказ3300 руб.
13 404123400

Штифт (Pin)

под заказ430 руб.
14 XXX

Поплавок Корпус в сборе (Float Body Assy)

15 707200207

Поплавок в сборе (Float Assy)

под заказ7760 руб.
16 707200208

Держатель (Holder)

под заказ760 руб.
17 707200225

Jet Держатель (Jet Holder)

под заказ1150 руб.
18 707200229

Главный жиклёр 105.0 (Main Jet 105.0)

под заказ860 руб.
19 270500119

Уплотнительное кольцо (O-Ring)

под заказ760 руб.
20 707200227

Pilot Jet 22.5 (Pilot Jet 22.5)

под заказ860 руб.
21 707200212

Шланг (Hose)

под заказ1000 руб.
22 A16114179000

Idle Винт Kit (Idle Screw Kit)

под заказ2270 руб.
23 707200024

Винт (Screw)

под заказ1000 руб.
24 707200217

Пластина (Plate)

под заказ1000 руб.
25 404121300

Винт with Шайба (Screw with Washer)

под заказ430 руб.
25 404128200

(последний код) Винт with Шайба (Screw with Washer)

под заказ340 руб.
26 XXX

Пружина (Spring)

27 XXX

Плунжер в сборе (Plunger Assy)

28 707200222

Зажим (Clip)

под заказ610 руб.
29 707200220

Mixing Колпачок (Mixing Cap)

под заказ2010 руб.
30 A17215179000

ручной Choke (Manual Choke)

под заказ3640 руб.
31 A16151179000

Шланг Fixed Пластина (Hose Fixed Plate)

под заказ1230 руб.
brp atv

Время выполнения запроса 2.5394849777222 сек.


 
 

данный сайт носит информационный характер и не является публичной офертой

склад запчастей для водомоторной техники