вконтакте

Контактный телефон: +7 (981) 121-46-93, +7 (800) 200-90-76 , Email: parts-katalog@yandex.ru, где купить

 
 

  Логин:

Пароль:

Регистрация

www.partskatalog.ru Все каталоги Запчасти Mercury Запчасти Suzuki Запчасти Tohatsu Запчасти Honda Контакты



УВАЖАЕМЫЕ КЛИЕНТЫ!
C 19 ДЕКАБРЯ 2025 ПО 02 МАРТА 2026 ГОДА ОТДЕЛ ЗАПЧАСТЕЙ И СЕРВИС РАБОТАТЬ НЕ БУДУТ
ПРОДАЖА ЛОДОЧНЫХ МОТОРОВ В ШТАТНОМ РЕЖИМЕ
ОБ ИЗМЕНЕНИЯХ В ГРАФИКЕ РАБОТЫ ЧИТАЙТЕ НА САЙТА




Выбрать другую модель

назад Раздел:   вперёд

вернуться к списку узлов и деталей

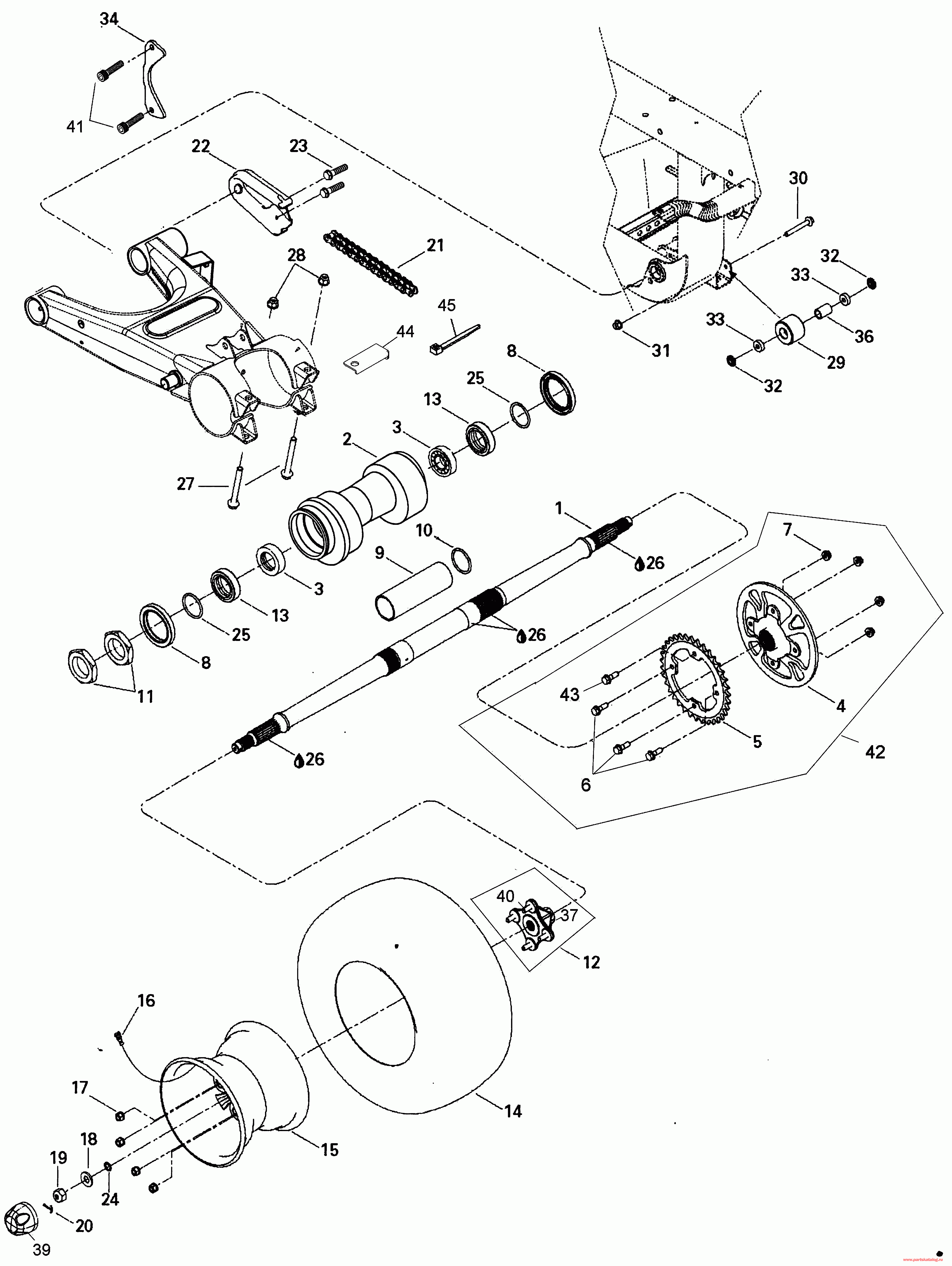
ДЕТАЛИРОВКА ДЛЯ МОДЕЛИ: BRP ATV Rally 175, 2007

Раздел: Drive System, Rear Европа | Drive System, Rear Europe


Квадроцикл BRP Rally 175, 2007 раздел - Drive System, Rear Европа

Номер на
рисунке
АртикулНаименованиеКол-во
на складе
Цена
1 A42301179001

Rear Axle (Rear Axle)

под заказ47200 руб.
2 A52200179000

Цепь Tensionner (Chain Tensionner)

под заказ16050 руб.
3 A961006007LLU

Шариковый подшипник (Ball Bearing)

под заказ5910 руб.
4 A42610179001

Hub (Hub)

под заказ14380 руб.
5 705500219

Цепное колесо ЗВЕЗДОЧКА, 35 Teeth (Sprocket, 35 Teeth)

под заказ5310 руб.
5 A41201179000

(последний код) Цепное колесо ЗВЕЗДОЧКА, 35 Teeth (Sprocket, 35 Teeth)

под заказ7120 руб.
6 207582586

Hex. Фланецd Винт M8 x 25 (Hex. Flanged Screw M8 x 25)

под заказ290 руб.
7 233281416

Elastic Фланецd Гайка M8 (Elastic Flanged Nut M8)

под заказ290 руб.
8 A96500506810

Сальник (Oil Seal)

под заказ1860 руб.
9 705500291

Проставка (Spacer)

под заказ3300 руб.
10 705500292

Фиксатор Кольцо (Retainer Ring)

под заказ580 руб.
11 A9407233000

Гайка Locking (Nut Locking)

под заказ3160 руб.
12 A42035179000

Wheel Hub в сборе (Wheel Hub Assy)

под заказ13120 руб.
13 A52109179000

Wear Кольцо (Wear Ring)

под заказ2300 руб.
14 A4281117900A

Rear Tire (Rear Tire)

под заказ9910 руб.
15 705500295

Rear Rim (Rear Rim)

под заказ7530 руб.
16 705400193

Rim Клапан (Rim Valve)

под заказ450 руб.
16 705400067

(последний код) Rim Клапан (Rim Valve)

под заказ340 руб.
17 250100042

Wheel Гайка (Wheel Nut)

под заказ480 руб.
17 250100039

(последний код) Wheel Гайка (Wheel Nut)

под заказ210 руб.
18 705500481

дляmed Шайба (Formed Washer)

под заказ580 руб.
19 232591414

Эластичная гайка со стопором M18 (Elastic Stop Nut M18)

под заказ290 руб.
20 250400016

Шплинт (Cotter Pin)

под заказ190 руб.
20 250400036

(последний код) Шплинт (Cotter Pin)

под заказ290 руб.
21 705500274

Цепь (Chain)

под заказ15210 руб.
22 A40533179000

Shoe Slider (Shoe Slider)

под заказ1960 руб.
23 207661644

Hex. Фланецd Винт M6 X 16 (Hex. Flanged Screw M6 X 16)

под заказ280 руб.
24 293300082

Уплотнительное кольцо (O-Ring)

под заказ450 руб.
25 293300089

Уплотнительное кольцо (O-Ring)

под заказ140 руб.
26 293550030

Смазка, Sвышеer Lube (Grease, Super Lube)

под заказ2870 руб.
26 293550014

(последний код) Смазка, Sвышеer Lube (Grease, Super Lube)

под заказ2250 руб.
27 A9600010090

Hex. Фланецd Винт M10 X 90 (Hex. Flanged Screw M10 X 90)

под заказ1150 руб.
28 A9035110000

Elastic Фланецd Гайка M10 (Elastic Flanged Nut M10)

под заказ2010 руб.
29 A40537179000

Ролик Цепь (Roller Chain)

под заказ3070 руб.
30 207686044

Hex. Фланецd Винт M8 X 60 (Hex. Flanged Screw M8 X 60)

под заказ290 руб.
31 233281416

Elastic Фланецd Гайка M8 (Elastic Flanged Nut M8)

под заказ290 руб.
32 705500398

Проставка (Spacer)

под заказ860 руб.
33 293350039

Шариковый подшипник (Ball Bearing)

под заказ1310 руб.
34 A40516179000

Цепь Направляющая (Chain Guide)

под заказ3010 руб.
36 A40539179000

Проставка (Spacer)

под заказ1150 руб.
37 XXX

Wheel Hub в сборе (Wheel Hub Assy)

39 705400012

Wheel Колпачок (Wheel Cap)

под заказ760 руб.
40 250300013

Wheel Шпилька (Wheel Stud)

под заказ230 руб.
41 A9600008016G

Hex. Фланецd Винт M8 X 16 (Hex. Flanged Screw M8 X 16)

под заказ580 руб.
42 XXX

Rear Цепное колесо ЗВЕЗДОЧКА в сборе (Rear Sprocket Assy)

43 207682544

Hex. Фланецd Винт M8 X 25 (Hex. Flanged Screw M8 X 25)

под заказ230 руб.
43 732601284

(последний код) Hex. Фланецd Винт M8 X 25 (Hex. Flanged Screw M8 X 25)

под заказпо запросу
44 A37219179000

Кронштейн (Bracket)

под заказ1530 руб.
45 A90669179000

Tie Rap (Tie Rap)

под заказ1440 руб.
brp atv

Время выполнения запроса 7.0630629062653 сек.


 
 

данный сайт носит информационный характер и не является публичной офертой

склад запчастей для водомоторной техники