вконтакте

Контактный телефон: +7 (981) 121-46-93, +7 (800) 200-90-76 , Email: parts-katalog@yandex.ru, где купить

 
 

  Логин:

Пароль:

Регистрация

www.partskatalog.ru Все каталоги Запчасти Mercury Запчасти Suzuki Запчасти Tohatsu Запчасти Honda Контакты



УВАЖАЕМЫЕ КЛИЕНТЫ!
C 19 ДЕКАБРЯ 2025 ПО 02 МАРТА 2026 ГОДА ОТДЕЛ ЗАПЧАСТЕЙ И СЕРВИС РАБОТАТЬ НЕ БУДУТ
ПРОДАЖА ЛОДОЧНЫХ МОТОРОВ В ШТАТНОМ РЕЖИМЕ
ОБ ИЗМЕНЕНИЯХ В ГРАФИКЕ РАБОТЫ ЧИТАЙТЕ НА САЙТА




Выбрать другую модель

назад Раздел:   вперёд

вернуться к списку узлов и деталей

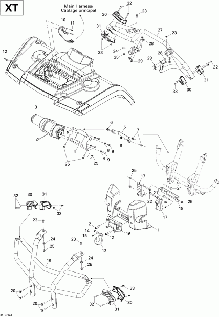
ДЕТАЛИРОВКА ДЛЯ МОДЕЛИ: BRP ATV Outlander 400 XT 4 X 4, 2007

Раздел: Корпус и Аксессуары 4 | Body And Accessories 4


ATV BRP Outlander 400 XT 4 X 4, 2007 - Корпус и Аксессуары 4

Номер на
рисунке
АртикулНаименованиеКол-во
на складе
Цена
1 705001531

Front Protection Пластина (Front Protection Plate)

под заказ2580 руб.
1 705003496

(последний код) Front Protection Пластина (Front Protection Plate)

под заказ5160 руб.
2 205003544

Socket Винт M10 X 35 (Socket Screw M10 X 35)

под заказ290 руб.
2 222903565

(последний код) Socket Винт M10 X 35 (Socket Screw M10 X 35)

под заказ230 руб.
3 705002327

Winch (Winch)

под заказ28400 руб.
3 705002505

(последний код) Winch (Winch)

под заказ63500 руб.
4 705001351

Креплениеing Пластина, чёрный (Mounting Plate, Black)

под заказпо запросу
4 705002816

(последний код) Креплениеing Пластина, чёрный (Mounting Plate, Black)

под заказ2920 руб.
5 705001460

Winch Кронштейн, чёрный (Winch Bracket, Black)

под заказ1000 руб.
6 207682544

Hex Фланецd Винт M8 X 25 (Hex Flanged Screw M8 X 25)

под заказ230 руб.
6 732601284

(последний код) Hex Фланецd Винт M8 X 25 (Hex Flanged Screw M8 X 25)

под заказпо запросу
7 233281414

Hex Фланецd Elastic Гайка M8 (Hex Flanged Elastic Nut M8)

под заказ290 руб.
7 M33201

(последний код)

под заказпо запросу
8 234181401

Шайба с блокировкой 8 mm (Lock Washer 8 mm)

под заказ140 руб.
8 224781140

(последний код) Шайба с блокировкой 8 mm (Lock Washer 8 mm)

под заказ110 руб.
9 250000041

Socket Винт 5 / 16"-18 X 1" (Socket Screw 5/16"-18 X 1")

под заказ730 руб.
10 710001023

Winch Коннектор (Winch Connector)

под заказ4880 руб.
11 205052588

Socket Head Винт M5 X 25 (Socket Head Screw M5 X 25)

под заказ290 руб.
12 233251414

Hex Фланецd Elastic Гайка M5 (Hex Flanged Elastic Nut M5)

под заказ270 руб.
12 233251434

(последний код) Hex Фланецd Elastic Гайка M5 (Hex Flanged Elastic Nut M5)

под заказ290 руб.
13 705002329

Крючок (Hook)

под заказ2700 руб.
14 250400021

Clevis Штифт (Clevis Pin)

под заказ1210 руб.
14 250400039

(последний код) Clevis Штифт (Clevis Pin)

под заказ900 руб.
15 250400022

Шплинт (Cotter Pin)

под заказ530 руб.
15 250400040

(последний код) Шплинт (Cotter Pin)

под заказ450 руб.
16 715000011

Winch Ролик (Winch Roller)

под заказ4910 руб.
17 705001058

Бампер AnchoКольцо (Bumper Anchoring)

под заказ1640 руб.
17 705003006

(последний код) Бампер AnchoКольцо (Bumper Anchoring)

под заказ1530 руб.
18 705001073

Winch Кронштейн (Winch Bracket)

под заказ1010 руб.
18 705003649

(последний код) Winch Кронштейн (Winch Bracket)

под заказ1220 руб.
19 705001964

Front Бампер (Front Bumper)

под заказ14520 руб.
19 705002677

(последний код) Front Бампер (Front Bumper)

под заказ18870 руб.
20 207584044

Hex Фланецd Винт M8x40, Scotch Рукоятка (Hex Flanged Screw M8x40, Scotch Grip)

под заказ290 руб.
21 207787044

Carriage Болт M8 X 70 (Carriage Bolt M8 X 70)

под заказ290 руб.
21 732601308

(последний код) Carriage Болт M8 X 70 (Carriage Bolt M8 X 70)

под заказ230 руб.
22 207686044

Hex Фланецd Винт M8 X 60 (Hex Flanged Screw M8 X 60)

под заказ290 руб.
23 235482584

Torx Винт M8 X 25 (Torx Screw M8 X 25)

под заказ860 руб.
24 234082410

плоский Шайба 8 mm (Flat Washer 8 mm)

под заказ270 руб.
24 702000064

(последний код) плоский Шайба 8 mm (Flat Washer 8 mm)

под заказ210 руб.
25 233281414

Hex Фланецd Elastic Гайка M8 (Hex Flanged Elastic Nut M8)

под заказ290 руб.
25 M33201

(последний код)

под заказпо запросу
26 207682544

Hex Фланецd Винт M8 X 25 (Hex Flanged Screw M8 X 25)

под заказ230 руб.
26 732601284

(последний код) Hex Фланецd Винт M8 X 25 (Hex Flanged Screw M8 X 25)

под заказпо запросу
27 705001973

Rear Бампер (Rear Bumper)

под заказ13750 руб.
27 703500550

(последний код) Rear Бампер (Rear Bumper)

под заказ15600 руб.
28 207582084

Hex Фланецd Винт M8 X 20, Scotch Рукоятка (Hex Flanged Screw M8 X 20, Scotch Grip)

под заказ250 руб.
29 705001075

Соединитель Пластина (Attachment Plate)

под заказ680 руб.
29 705003796

(последний код) Соединитель Пластина (Attachment Plate)

под заказ720 руб.
30 705001042

Male Колпачок (Male Cap)

под заказ830 руб.
31 705001043

Female Колпачок (Female Cap)

под заказ830 руб.
32 250000215

Torx Винт M6 X 45 (Torx Screw M6 X 45)

под заказ290 руб.
33 232361493

Колпачок гайки M6 (Cap Nut M6)

под заказ290 руб.
brp atv

Время выполнения запроса 2.6387071609497 сек.


 
 

данный сайт носит информационный характер и не является публичной офертой

склад запчастей для водомоторной техники