вконтакте

Контактный телефон: +7 (981) 121-46-93, +7 (800) 200-90-76 , Email: parts-katalog@yandex.ru, где купить

 
 

  Логин:

Пароль:

Регистрация

www.partskatalog.ru Все каталоги Запчасти Mercury Запчасти Suzuki Запчасти Tohatsu Запчасти Honda Контакты



УВАЖАЕМЫЕ КЛИЕНТЫ!
C 19 ДЕКАБРЯ 2025 ПО 02 МАРТА 2026 ГОДА ОТДЕЛ ЗАПЧАСТЕЙ И СЕРВИС РАБОТАТЬ НЕ БУДУТ
ПРОДАЖА ЛОДОЧНЫХ МОТОРОВ В ШТАТНОМ РЕЖИМЕ
ОБ ИЗМЕНЕНИЯХ В ГРАФИКЕ РАБОТЫ ЧИТАЙТЕ НА САЙТА




Выбрать другую модель

назад Раздел:   вперёд

вернуться к списку узлов и деталей

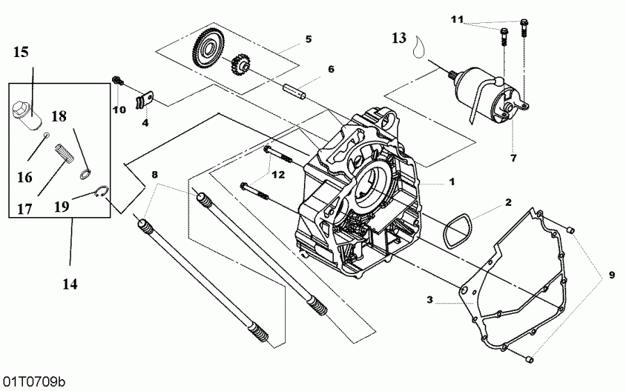
ДЕТАЛИРОВКА ДЛЯ МОДЕЛИ: BRP ATV DS 250, CE, 2007

Раздел: правый Картер двигателя Half | Right Crankcase Half


Мотовездеход BRP DS 250, CE, 2007 - Right Crankcase Half

Номер на
рисунке
АртикулНаименованиеКол-во
на складе
Цена
1 S11100RB1000

RH Картер двигателя в сборе (RH Crankcase Assy)

под заказ29900 руб.
2 S11108HMA000

Волнистая шайба (Wave Washer)

под заказ610 руб.
3 S11191RB1000

Картер двигателя Прокладка (Crankcase Gasket)

под заказ760 руб.
4 S14151HMA000

Cam Цепь Установочная пластина (Cam Chain Setting Plate)

под заказ450 руб.
5 S28101RB1000

Стартер красныйuction Шестерня в сборе (Starter Reduction Gear Assy)

под заказ4300 руб.
6 S28102RB1000

Стартер красныйuction Шестерня Вал (Starter Reduction Gear Shaft)

под заказ620 руб.
7 S31200RB1000

Двигатель стартера (Starter Motor)

под заказ28800 руб.
8 S90031HMA000

Цилиндр Шпилька (Cylinder Stud)

под заказ910 руб.
9 S9430108140

Шпонка (Dowel Pin)

под заказ300 руб.
10 S960010601008

Фланецd Болт M6 X 10 (Flanged Bolt M6 X 10)

под заказ300 руб.
11 S960010602200

Фланецd Болт M6 X 22 (Flanged Bolt M6 X 22)

под заказ300 руб.
12 S960010605500

Фланецd Болт M6 X 55 (Flanged Bolt M6 X 55)

под заказ300 руб.
13 XXX

Моторное масло (Engine Oil)

14 S15200HMA000

Oil Предохранительный клапан в сборе (Oil Relief Valve Assy)

под заказ1060 руб.
15 NASP/NDPR

Не доступно As Spare Parts (Not Available As Spare Parts)

под заказпо запросу
16 NASP/NDPR

Не доступно As Spare Parts (Not Available As Spare Parts)

под заказпо запросу
17 NASP/NDPR

Не доступно As Spare Parts (Not Available As Spare Parts)

под заказпо запросу
18 NASP/NDPR

Не доступно As Spare Parts (Not Available As Spare Parts)

под заказпо запросу
19 NASP/NDPR

Не доступно As Spare Parts (Not Available As Spare Parts)

под заказпо запросу
brp atv

Время выполнения запроса 5.36714220047 сек.


 
 

данный сайт носит информационный характер и не является публичной офертой

склад запчастей для водомоторной техники