вконтакте

Контактный телефон: +7 (981) 121-46-93, +7 (800) 200-90-76 , Email: parts-katalog@yandex.ru, где купить

 
 

  Логин:

Пароль:

Регистрация

www.partskatalog.ru Все каталоги Запчасти Mercury Запчасти Suzuki Запчасти Tohatsu Запчасти Honda Контакты



УВАЖАЕМЫЕ КЛИЕНТЫ!
C 19 ДЕКАБРЯ 2025 ПО 02 МАРТА 2026 ГОДА ОТДЕЛ ЗАПЧАСТЕЙ И СЕРВИС РАБОТАТЬ НЕ БУДУТ
ПРОДАЖА ЛОДОЧНЫХ МОТОРОВ В ШТАТНОМ РЕЖИМЕ
ОБ ИЗМЕНЕНИЯХ В ГРАФИКЕ РАБОТЫ ЧИТАЙТЕ НА САЙТА




Выбрать другую модель

назад Раздел:   вперёд

вернуться к списку узлов и деталей

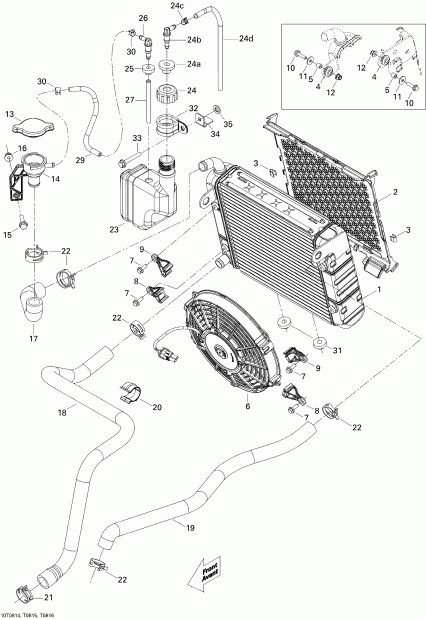
ДЕТАЛИРОВКА ДЛЯ МОДЕЛИ: BRP ATV Renegade 800 X, 2008

Раздел: Охлаждение System | Cooling System


Bombardier Renegade 800 X, 2008 - Охлаждение System

Номер на
рисунке
АртикулНаименованиеКол-во
на складе
Цена
1 709200178

Radiator (Radiator)

под заказпо запросу
1 709200306

(последний код) Radiator (Radiator)

под заказ21800 руб.
2 709200187

Radiator Защита Includes 2, 3 (Radiator Protector. Includes 2, 3)

под заказ3300 руб.
3 414479100

Зажим (Clip)

под заказ290 руб.
4 293720053

Пыльник (Grommet)

под заказ260 руб.
4 709000582

(последний код) Пыльник (Grommet)

под заказ310 руб.
4 SM-12511

   (не оригинальный аналог) Втулка резиновая BRP SM-12511

под заказ160 руб.
5 293900045

Втулка (Bushing)

под заказ430 руб.
5 512045400

(последний код) Втулка (Bushing)

под заказ400 руб.
6 709200124

Fan в сборе (Fan Assy)

под заказ21900 руб.
6 709200242

(последний код) Fan в сборе (Fan Assy)

под заказ17360 руб.
7 207561644

Hex Фланецd Винт M6 X 16, Scotch Рукоятка (Hex Flanged Screw M6 X 16, Scotch Grip)

под заказ290 руб.
8 709200125

Fan Sвышеport (Fan Support)

под заказ410 руб.
9 709200126

Fan Sвышеport (Fan Support)

под заказ410 руб.
10 207662544

Hex Фланецd Винт M6 X 25 (Hex Flanged Screw M6 X 25)

под заказ290 руб.
10 420940568

(последний код) Hex Фланецd Винт M6 X 25 (Hex Flanged Screw M6 X 25)

под заказ230 руб.
11 391302000

плоский Шайба (Flat Washer)

под заказ210 руб.
11 250200082

(последний код) плоский Шайба (Flat Washer)

под заказ270 руб.
12 233261414

Hex Фланецd Elastic Гайка M6 (Hex Flanged Elastic Nut M6)

под заказ290 руб.
12 M33200

(последний код)

под заказпо запросу
13 709200033

Pressure Колпачок (Pressure Cap)

под заказ1120 руб.
13 709200207

(последний код) Pressure Колпачок (Pressure Cap)

под заказ1400 руб.
14 709200179

Filler Neck (Filler Neck)

под заказ1130 руб.
15 207662544

Hex Фланецd Винт M6 X 25 (Hex Flanged Screw M6 X 25)

под заказ290 руб.
15 420940568

(последний код) Hex Фланецd Винт M6 X 25 (Hex Flanged Screw M6 X 25)

под заказ230 руб.
16 233261414

Hex Фланецd Elastic Гайка M6 (Hex Flanged Elastic Nut M6)

под заказ290 руб.
16 M33200

(последний код)

под заказпо запросу
17 709200180

Filler Neck Шланг (Filler Neck Hose)

под заказ1520 руб.
18 709200181

выход Radiator Шланг (Outlet Radiator Hose)

под заказ3070 руб.
19 709200182

вход Шланг (Inlet Hose)

под заказ1700 руб.
20 275500526

Фиксатор (Retainer)

под заказ430 руб.
21 293650108

Norma Пружина Струбцина (Norma Spring Clamp)

под заказ570 руб.
22 293650109

Norma Пружина Струбцина (Norma Spring Clamp)

под заказ500 руб.
23 709200099

Coolant Tank (Coolant Tank)

под заказ5030 руб.
23 709200065

(последний код) Coolant Tank (Coolant Tank)

под заказ3930 руб.
24 548872589

Coolant Резервный бак Колпачок (Coolant Reserve Tank Cap)

под заказ740 руб.
24 709200262

(последний код) Coolant Резервный бак Колпачок (Coolant Reserve Tank Cap)

под заказ680 руб.
24a 293830136

Groomet (Groomet)

под заказ580 руб.
24a 548872584

(последний код) Groomet (Groomet)

под заказпо запросу
24b 414580700

Elbow Male Коннектор (Elbow Male Connector)

под заказ430 руб.
24b 414388900

(последний код) Elbow Male Коннектор (Elbow Male Connector)

под заказ340 руб.
24c 414554800

Пружина Струбцина (Spring Clamp)

под заказ140 руб.
24c 414278600

(последний код) Пружина Струбцина (Spring Clamp)

под заказ110 руб.
24d 415080200

Polyurethane Шланг (Polyurethane Hose)

под заказ1150 руб.
24d 709000183

(последний код) Polyurethane Шланг (Polyurethane Hose)

под заказпо запросу
25 570135100

Пыльник (Grommet)

под заказ560 руб.
25 709200285

(последний код) Пыльник (Grommet)

под заказ720 руб.
26 414580600

Male Коннектор (Male Connector)

под заказ430 руб.
26 414362500

(последний код) Male Коннектор (Male Connector)

под заказ340 руб.
27 415110000

Polyurethane Шланг 5.2 mm (Polyurethane Hose 5.2 mm)

под заказ280 руб.
27 709000017

(последний код) Polyurethane Шланг 5.2 mm (Polyurethane Hose 5.2 mm)

под заказ220 руб.
29 415110000

Polyurethane Шланг 5.2 mm (Polyurethane Hose 5.2 mm)

под заказ280 руб.
29 709000017

(последний код) Polyurethane Шланг 5.2 mm (Polyurethane Hose 5.2 mm)

под заказ220 руб.
30 414554800

Пружина Струбцина (Spring Clamp)

под заказ140 руб.
30 414278600

(последний код) Пружина Струбцина (Spring Clamp)

под заказ110 руб.
31 570135100

Пыльник (Grommet)

под заказ560 руб.
31 709200285

(последний код) Пыльник (Grommet)

под заказ720 руб.
32 709200036

Шланг Anchor (Hose Anchor)

под заказ770 руб.
33 207562044

Фланецd Винт M6 X 20, Scotch Рукоятка (Flanged Screw M6 X 20, Scotch Grip)

под заказпо запросу
34 709200209

Кронштейн (Bracket)

под заказ460 руб.
34 709200196

(последний код) Кронштейн (Bracket)

под заказ340 руб.
35 732610072

Push Гайка (Push Nut)

под заказ270 руб.
35 732610068

(последний код) Push Гайка (Push Nut)

под заказ210 руб.
brp atv

Время выполнения запроса 3.2609469890594 сек.


 
 

данный сайт носит информационный характер и не является публичной офертой

склад запчастей для водомоторной техники