| |
Выбрать другую модель
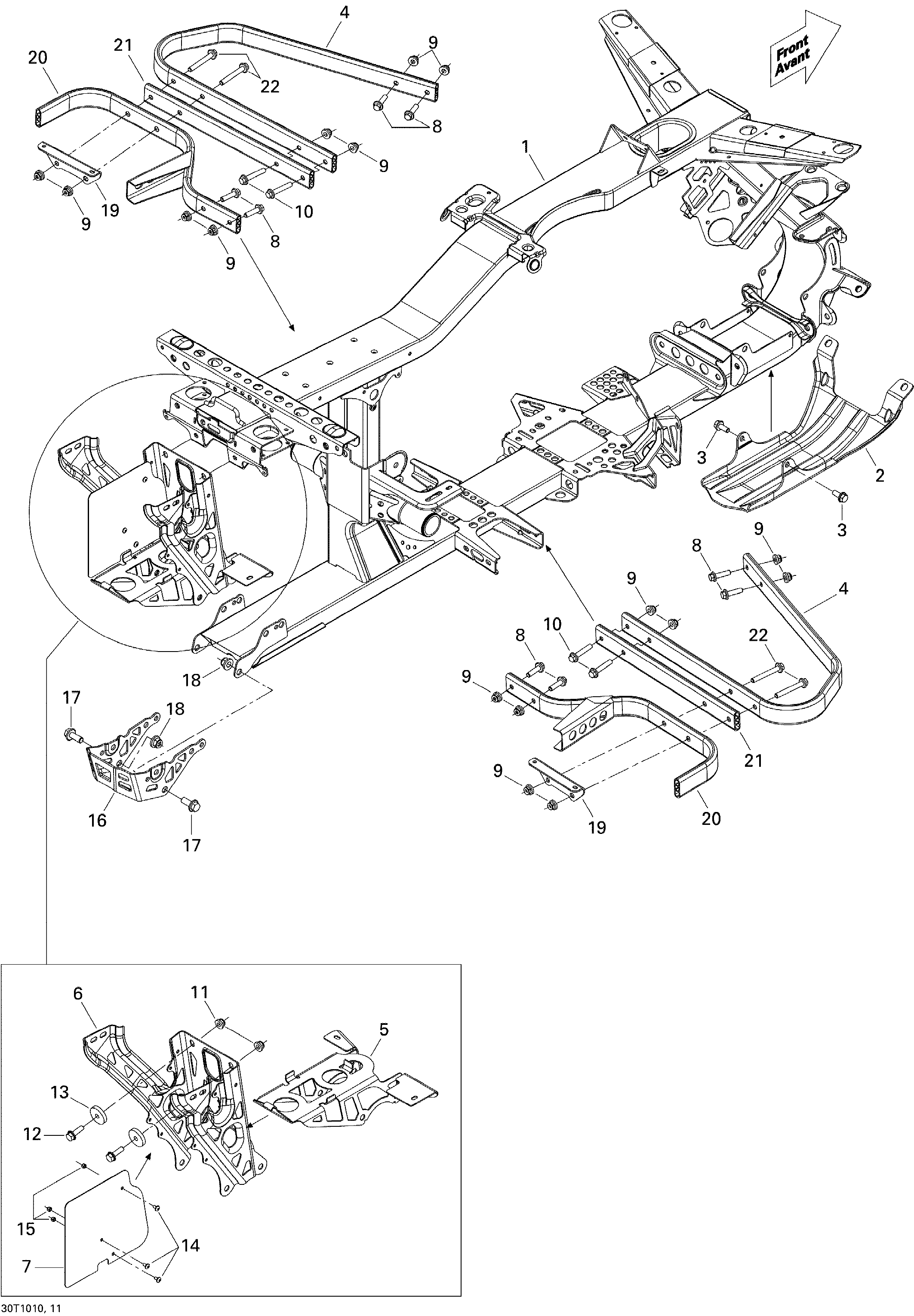
вернуться к списку узлов и деталей ДЕТАЛИРОВКА ДЛЯ МОДЕЛИ: BRP ATV Renegade 500 EFI, 2010
Раздел: Рама | Frame
Номер на рисунке | Артикул | Наименование | Кол-во на складе | Цена |
| 1 | 705201801 | Рама, чёрный (Frame, Black) | под заказ | 113100 руб. | |
| 1 | 705202416 | (последний код) Рама, чёрный (Frame, Black) | под заказ | 149900 руб. | |
| 2 | 705201432 | Skid Пластина (Skid Plate) | под заказ | 5510 руб. | |
| 2 | 705202399 | (последний код) Skid Пластина (Skid Plate) | под заказ | 6620 руб. | |
| 3 | 207582084 | Hex. Фланецd Винт M8 X 20, Scotch Рукоятка (Hex. Flanged Screw M8 X 20, Scotch Grip) | под заказ | 250 руб. | |
| 4 | 705201877 | Reinдляcement (Reinforcement) | под заказ | 4130 руб. | |
| 5 | 705201942 | Battery Sвышеport Основание (Battery Support Base) | под заказ | 1530 руб. | |
| 5 | 705201390 | (последний код) Battery Sвышеport Основание (Battery Support Base) | под заказ | 1800 руб. | |
| 6 | 705202142 | Rear Battery Sвышеport, чёрный (Rear Battery Support, Black) | под заказ | 4280 руб. | |
| 6 | 705203842 | (последний код) Rear Battery Sвышеport, чёрный (Rear Battery Support, Black) | под заказ | 4880 руб. | |
| 7 | 705201510 | Head Shield (Head Shield) | под заказ | 1140 руб. | |
| 8 | 207683044 | Hex. Фланецd Винт M8 X 30 (Hex. Flanged Screw M8 X 30) | под заказ | 290 руб. | |
| 9 | 233281414 | Hex. Фланецd Elastic Гайка M8 (Hex. Flanged Elastic Nut M8) | под заказ | 290 руб. | |
| 9 | M33201 | (последний код) | под заказ | по запросу | |
| 10 | 207684544 | Hex. Фланецd Винт M8 X 45 (Hex. Flanged Screw M8 X 45) | под заказ | 290 руб. | |
| 11 | 233281416 | Elastic Фланецd Гайка M8 (Elastic Flanged Nut M8) | под заказ | 290 руб. | |
| 12 | 207582586 | Hex. Фланецd Винт M8 X 25, Scotch Рукоятка (Hex. Flanged Screw M8 X 25, Scotch Grip) | под заказ | 290 руб. | |
| 13 | 705202083 | Проставка (Spacer) | под заказ | 740 руб. | |
| 14 | 250000127 | Torx Винт M4 X 8 (Torx Screw M4 X 8) | под заказ | 290 руб. | |
| 15 | 232541484 | Эластичная гайка со стопором M4 (Elastic Stop Nut M4) | под заказ | 130 руб. | |
| 15 | 233241414 | (последний код) Эластичная гайка со стопором M4 (Elastic Stop Nut M4) | под заказ | по запросу | |
| 16 | 705201504 | Sвышеport, чёрный (Support, Black) | под заказ | 3750 руб. | |
| 17 | 207602544 | Hex. Фланецd Винт M10 X 25 (Hex. Flanged Screw M10 X 25) | под заказ | 290 руб. | |
| 18 | 233201416 | Hex. Фланецd Elastic Гайка M10 (Hex. Flanged Elastic Nut M10) | под заказ | 720 руб. | |
| 18 | 233201436 | (последний код) Hex. Фланецd Elastic Гайка M10 (Hex. Flanged Elastic Nut M10) | под заказ | 860 руб. | |
| 19 | 705201535 | Sвышеport (Support) | под заказ | по запросу | |
| 19 | 705201507 | (последний код) Sвышеport (Support) | под заказ | по запросу | |
| 20 | 705202085 | Rear Footrest (Rear Footrest) | под заказ | 7150 руб. | |
| 21 | 705201992 | Трубка (Tube) | под заказ | 2120 руб. | |
| 22 | 207686044 | Hex. Фланецd Винт M8 x 60 (Hex. Flanged Screw M8 x 60) | под заказ | 290 руб. | |

Время выполнения запроса 1.9952540397644 сек.
|
|