вконтакте

Контактный телефон: +7 (981) 121-46-93, +7 (800) 200-90-76 , Email: parts-katalog@yandex.ru, где купить

 
 

  Логин:

Пароль:

Регистрация

www.partskatalog.ru Все каталоги Запчасти Mercury Запчасти Suzuki Запчасти Tohatsu Запчасти Honda Контакты



УВАЖАЕМЫЕ КЛИЕНТЫ!
C 19 ДЕКАБРЯ 2025 ПО 02 МАРТА 2026 ГОДА ОТДЕЛ ЗАПЧАСТЕЙ И СЕРВИС РАБОТАТЬ НЕ БУДУТ
ПРОДАЖА ЛОДОЧНЫХ МОТОРОВ В ШТАТНОМ РЕЖИМЕ
ОБ ИЗМЕНЕНИЯХ В ГРАФИКЕ РАБОТЫ ЧИТАЙТЕ НА САЙТА




Выбрать другую модель

назад Раздел:   вперёд

вернуться к списку узлов и деталей

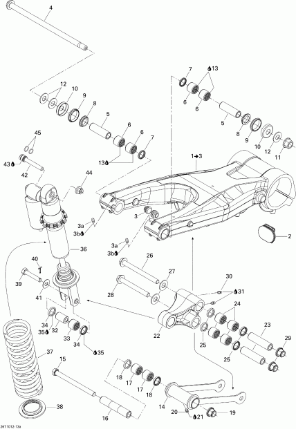
ДЕТАЛИРОВКА ДЛЯ МОДЕЛИ: BRP ATV DS 450 EFI, 2010

Раздел: Задняя подвеска | Rear Suspension


Мотовездеход - Rear Suspension

Номер на
рисунке
АртикулНаименованиеКол-во
на складе
Цена
1 706000849

Swing Рычаг в сборе. Includes 1 to 3 (Swing Arm Assy. Includes 1 to 3)

под заказ69300 руб.
2 706000459

Swing Рычаг Колпачок (Swing Arm Cap)

под заказ660 руб.
3 517302716

Колпачок (Cap)

под заказ430 руб.
3a 250000315

Смазочный фиттинг (Grease Fitting)

под заказ430 руб.
3b 293550010

Synthetic Смазка, 400 G (Synthetic Grease, 400 G)

под заказ2490 руб.
3b 293550018

(последний код) Synthetic Смазка, 400 G (Synthetic Grease, 400 G)

под заказ1950 руб.
4 250000358

Шестигранный винт M14 X 287 (Hex. Screw M14 X 287)

под заказ3630 руб.
5 706000978

Втулка (Bushing)

под заказ1270 руб.
6 706000447

Подшипник (Bearing)

под заказ950 руб.
7 706000850

Сальник (Seal)

под заказ880 руб.
8 706000701

Проставка (Spacer)

под заказ1120 руб.
8 706000423

(последний код) Проставка (Spacer)

под заказ900 руб.
9 706000750

Сальник (Seal)

под заказ400 руб.
10 706000738

Сальник Колпачок (Seal Cap)

под заказ720 руб.
11 232571436

Эластичная гайка со стопором (Elastic Stop Nut)

под заказ580 руб.
11 232571414

(последний код) Эластичная гайка со стопором (Elastic Stop Nut)

под заказпо запросу
12 250200079

плоский Шайба (Flat Washer)

под заказ290 руб.
13 293550010

Synthetic Смазка, 400 G (Synthetic Grease, 400 G)

под заказ2490 руб.
13 293550018

(последний код) Synthetic Смазка, 400 G (Synthetic Grease, 400 G)

под заказ1950 руб.
14 706000445

Рычаг (Lever)

под заказ3750 руб.
15 230024586

Hexagonal Винт M12 x 145 (Hexagonal Screw M12 x 145)

под заказ860 руб.
16 706000730

Втулка (Bushing)

под заказ1210 руб.
17 706000447

Подшипник (Bearing)

под заказ950 руб.
18 706000448

Сальник (Seal)

под заказ860 руб.
19 233221434

Фланец Elastic Гайка (Flange Elastic Nut)

под заказ290 руб.
20 250000315

Смазочный фиттинг (Grease Fitting)

под заказ430 руб.
21 293550010

Synthetic Смазка, 400 G (Synthetic Grease, 400 G)

под заказ2490 руб.
21 293550018

(последний код) Synthetic Смазка, 400 G (Synthetic Grease, 400 G)

под заказ1950 руб.
22 706200465

Secondary Рычаг (Secondary Lever)

под заказ11560 руб.
23 706000731

Втулка (Bushing)

под заказ1230 руб.
24 706000447

Подшипник (Bearing)

под заказ950 руб.
25 706000448

Сальник (Seal)

под заказ860 руб.
26 230223086

Scoth Рукоятка Hexagonal Винт (Scoth Grip Hexagonal Screw)

под заказ860 руб.
27 250200086

плоский Шайба (Flat Washer)

под заказ430 руб.
28 230020586

Hexagonal Винт M12 X 105 (Hexagonal Screw M12 X 105)

под заказ860 руб.
29 233221434

Фланец Elastic Гайка (Flange Elastic Nut)

под заказ290 руб.
30 250000315

Смазочный фиттинг (Grease Fitting)

под заказ430 руб.
31 293550010

Synthetic Смазка, 400 G (Synthetic Grease, 400 G)

под заказ2490 руб.
31 293550018

(последний код) Synthetic Смазка, 400 G (Synthetic Grease, 400 G)

под заказ1950 руб.
32 706000733

Втулка (Bushing)

под заказ660 руб.
33 706000447

Подшипник (Bearing)

под заказ950 руб.
34 706000448

Сальник (Seal)

под заказ860 руб.
35 293550010

Synthetic Смазка, 400 G (Synthetic Grease, 400 G)

под заказ2490 руб.
35 293550018

(последний код) Synthetic Смазка, 400 G (Synthetic Grease, 400 G)

под заказ1950 руб.
36 706000504

Rear Shock (Rear Shock)

под заказ55600 руб.
37 706000677

Пружина (Spring)

под заказ5570 руб.
38 706000567

Пружина Стопор (Spring Stopper)

под заказ1230 руб.
39 250000254

Болт M10 (Bolt M10)

под заказ620 руб.
40 250400034

Шплинт (Cotter Pin)

под заказ270 руб.
41 250200080

плоский Шайба (Flat Washer)

под заказ290 руб.
42 706000541

Винт (Screw)

под заказ1120 руб.
43 293550004

Dielectric Смазка, 150 g (Dielectric Grease, 150 g)

под заказ4740 руб.
43 747018002

(последний код) Dielectric Смазка, 150 g (Dielectric Grease, 150 g)

под заказ3710 руб.
44 233201436

Фланецd Elastic Гайка (Flanged Elastic Nut)

под заказ860 руб.
45 504151954

Уплотнительное кольцо (O-Ring)

под заказ290 руб.
brp atv

Время выполнения запроса 4.0264999866486 сек.


 
 

данный сайт носит информационный характер и не является публичной офертой

склад запчастей для водомоторной техники