вконтакте

Контактный телефон: +7 (981) 121-46-93, +7 (800) 200-90-76 , Email: parts-katalog@yandex.ru, где купить

 
 

  Логин:

Пароль:

Регистрация

www.partskatalog.ru Все каталоги Запчасти Mercury Запчасти Suzuki Запчасти Tohatsu Запчасти Honda Контакты



УВАЖАЕМЫЕ КЛИЕНТЫ!
C 19 ДЕКАБРЯ 2025 ПО 02 МАРТА 2026 ГОДА ОТДЕЛ ЗАПЧАСТЕЙ И СЕРВИС РАБОТАТЬ НЕ БУДУТ
ПРОДАЖА ЛОДОЧНЫХ МОТОРОВ В ШТАТНОМ РЕЖИМЕ
ОБ ИЗМЕНЕНИЯХ В ГРАФИКЕ РАБОТЫ ЧИТАЙТЕ НА САЙТА




Выбрать другую модель

назад Раздел:   вперёд

вернуться к списку узлов и деталей

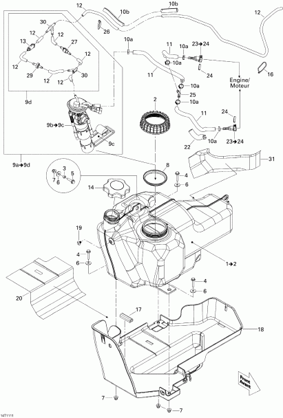
ДЕТАЛИРОВКА ДЛЯ МОДЕЛИ: BRP ATV Outlander 800R EFI, XMR, 2011

Раздел: Топливная система | Fuel System


Квадроцикл - Fuel System

Номер на
рисунке
АртикулНаименованиеКол-во
на складе
Цена
1 709000220

Топливный бак. Includes 1 to 2 (Fuel Tank. Includes 1 to 2)

под заказ19410 руб.
2 513033040

Гайка, Топливный насос Module (Nut, Fuel Pump Module)

под заказ2150 руб.
3 293900029

Втулка (Bushing)

под заказ250 руб.
4 207663044

Hex. Фланецd Винт M6 X 30 (Hex. Flanged Screw M6 X 30)

под заказ230 руб.
4 207663034

(последний код) Hex. Фланецd Винт M6 X 30 (Hex. Flanged Screw M6 X 30)

под заказ250 руб.
5 207662544

Hex. Фланецd Винт M6 X 25 (Hex. Flanged Screw M6 X 25)

под заказ290 руб.
5 420940568

(последний код) Hex. Фланецd Винт M6 X 25 (Hex. Flanged Screw M6 X 25)

под заказ230 руб.
6 224060251

Шайба (Washer)

под заказ130 руб.
7 233261414

Hex. Фланецd Elastic Гайка M6 (Hex. Flanged Elastic Nut M6)

под заказ290 руб.
7 M33200

(последний код)

под заказпо запросу
8 709000208

Сальник (Seal)

под заказ1210 руб.
9a 703500766

Топливный насос Kit в сборе. Includes 9a to 9d (Fuel Pump Kit Assy. Includes 9a to 9d)

под заказ35400 руб.
9a 709000312

(последний код) Топливный насос Kit в сборе. Includes 9a to 9d (Fuel Pump Kit Assy. Includes 9a to 9d)

под заказпо запросу
9b XXX

Топливный насос. Includes 9b to 9c (Fuel Pump. Includes 9b to 9c)

9c 709000389

Preliminary Фильтр Kit (Preliminary Filter Kit)

под заказ6080 руб.
9c 715900062

(последний код) Preliminary Фильтр Kit (Preliminary Filter Kit)

под заказ3590 руб.
9d 715001288

Fuel Vent Kit в сборе. Includes 12, 13, 27, 29, 30 (Fuel Vent Kit Assy. Includes 12,13,27,29,30)

под заказ2210 руб.
10a 293650046

Oetiker Струбцина (Oetiker Clamp)

под заказ290 руб.
10b 415079900

Трубопровод 10 mm (Tubing 10 mm)

под заказ290 руб.
10b 710001437

(последний код) Трубопровод 10 mm (Tubing 10 mm)

под заказ230 руб.
11 709000163

Fuel Line (Fuel Line)

под заказпо запросу
11 709000142

(последний код) Fuel Line (Fuel Line)

под заказпо запросу
12 415080200

Шланг, Polyurethane (Hose, Polyurethane)

под заказ1150 руб.
12 709000183

(последний код) Шланг, Polyurethane (Hose, Polyurethane)

под заказпо запросу
13 709000330

Фильтр (Filter)

под заказ570 руб.
14 513033025

Топливный бак Колпачок (Fuel Tank Cap)

под заказ1720 руб.
14 580259400

(последний код) Топливный бак Колпачок (Fuel Tank Cap)

под заказпо запросу
14 SM-07093

   (не оригинальный аналог) Крышка топливного бака BRP SM-07093

под заказ1730 руб.
16 293750008

Tie-Rap 350 mm (Tie-Rap 350 mm)

под заказ140 руб.
16 748001001

(последний код) Tie-Rap 350 mm (Tie-Rap 350 mm)

под заказ110 руб.
17 293200093

Neoprene Сальник (Neoprene Seal)

под заказ1290 руб.
17 293200017

(последний код) Neoprene Сальник (Neoprene Seal)

под заказ1010 руб.
18 709000207

Tank Защита (Tank Protector)

под заказ3380 руб.
18 709000091

(последний код) Tank Защита (Tank Protector)

под заказпо запросу
19 293150168

пластиковый Tuklock Заклёпка (Plastic Tuklock Rivet)

под заказ200 руб.
20 709000360

Reflective Sheet (Reflective Sheet)

под заказ410 руб.
22 409901800

Трубопровод 13 mm (Tubing 13 mm)

под заказ110 руб.
22 414612400

(последний код) Трубопровод 13 mm (Tubing 13 mm)

под заказпо запросу
23 709000125

Female Quick Fitting в сборе. Includes 23 to 24 (Female Quick Fitting Assy. Includes 23 to 24)

под заказ1150 руб.
23 709000684

(последний код) Female Quick Fitting в сборе. Includes 23 to 24 (Female Quick Fitting Assy. Includes 23 to 24)

под заказ1000 руб.
24 513033135

Locking Зажим (Locking Clip)

под заказ430 руб.
24 UP-12740

   (не оригинальный аналог) Фиксатор топливного шланга BRP UP-12740

под заказ140 руб.
25 293710136

Y-Fitting, 5 / 16 (Y-Fitting, 5/16)

под заказ400 руб.
26 293750002

Tie-Rap 130 mm (Tie-Rap 130 mm)

под заказ130 руб.
27 513033469

Обратный клапан (Check Valve)

под заказ2150 руб.
29 275500398

Обратный клапан (Check Valve)

под заказ860 руб.
29 414824700

(последний код) Обратный клапан (Check Valve)

под заказ680 руб.
30 293710059

Y-Fitting (Y-Fitting)

под заказ720 руб.
30 420460635

(последний код) Y-Fitting (Y-Fitting)

под заказ560 руб.
31 709000204

Reflecting Sheet (Reflecting Sheet)

под заказ380 руб.
brp atv

Время выполнения запроса 2.0941958427429 сек.


 
 

данный сайт носит информационный характер и не является публичной офертой

склад запчастей для водомоторной техники