вконтакте

Контактный телефон: +7 (981) 121-46-93, +7 (800) 200-90-76 , Email: parts-katalog@yandex.ru, где купить

 
 

  Логин:

Пароль:

Регистрация

www.partskatalog.ru Все каталоги Запчасти Mercury Запчасти Suzuki Запчасти Tohatsu Запчасти Honda Контакты



УВАЖАЕМЫЕ КЛИЕНТЫ!
C 19 ДЕКАБРЯ 2025 ПО 02 МАРТА 2026 ГОДА ОТДЕЛ ЗАПЧАСТЕЙ И СЕРВИС РАБОТАТЬ НЕ БУДУТ
ПРОДАЖА ЛОДОЧНЫХ МОТОРОВ В ШТАТНОМ РЕЖИМЕ
ОБ ИЗМЕНЕНИЯХ В ГРАФИКЕ РАБОТЫ ЧИТАЙТЕ НА САЙТА




Выбрать другую модель

назад Раздел:   вперёд

вернуться к списку узлов и деталей

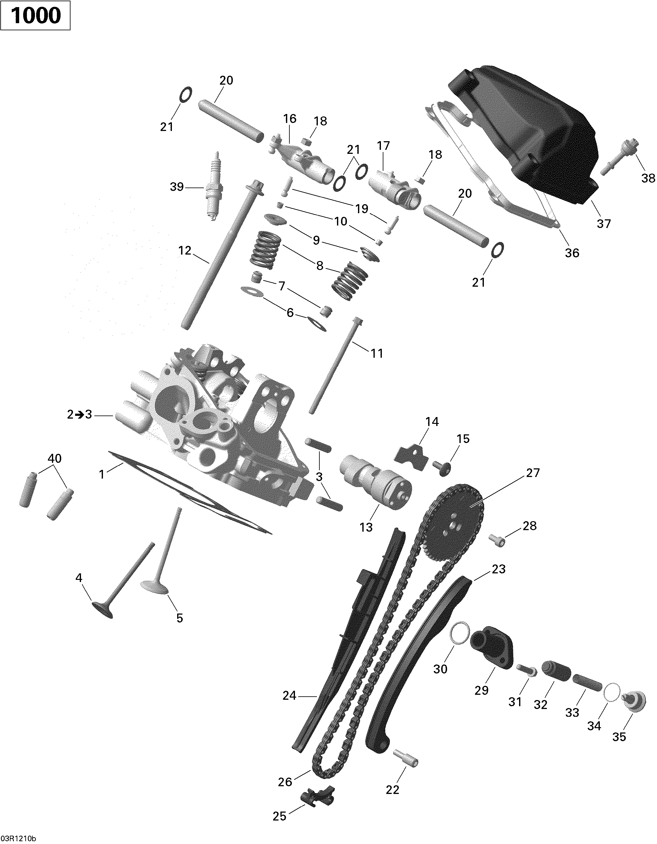
ДЕТАЛИРОВКА ДЛЯ МОДЕЛИ: BRP ATV Outlander STD, XT, 1000 EFI, 2012

Раздел: Головка блока цилиндра, Rear | Cylinder Head, Rear


Мотовездеход Bombardier модификация Outlander STD, XT, 1000 EFI, 2012 - Cylinder Head, Rear

Номер на
рисунке
АртикулНаименованиеКол-во
на складе
Цена
1 420630195

Прокладка головки блока цилиндра (Cylinder Head Gasket)

под заказ5600 руб.
1 NA-80005T

   (не оригинальный аналог) Верхний комплект прокладок BRP NA-80005T

под заказ13690 руб.
2 420623064

Цилиндр Front в сборе. Includes 2 to 3 (Cylinder Front Assy. Includes 2 to 3)

под заказ63100 руб.
2 AT-MZ1195

   (не оригинальный аналог) Головка цилиндра BRP AT-MZ1195

под заказ37810 руб.
3 420941014

Шпилька M8 x 26 (Stud M8 x 26)

под заказ1150 руб.
3 420941013

(последний код) Шпилька M8 x 26 (Stud M8 x 26)

под заказ900 руб.
4 420254361

Выпускной клапан, 27 mm (Exhaust Valve, 27 mm)

под заказпо запросу
4 420254360

(последний код) Выпускной клапан, 27 mm (Exhaust Valve, 27 mm)

под заказпо запросу
4 AU-09017E

   (не оригинальный аналог) Выпускной клапан BRP AU-09017E

под заказ2290 руб.
5 420254351

Впускной клапан, 31 mm (Intake Valve, 31 mm)

под заказ2660 руб.
5 420254352

(последний код) Впускной клапан, 31 mm (Intake Valve, 31 mm)

под заказ2660 руб.
5 AU-09017I

   (не оригинальный аналог) Впускной клапан BRP AU-09017I

под заказ1810 руб.
6 420627770

Упорная шайба (Thrust Washer)

под заказ290 руб.
7 420230515

Клапан Stem Сальник (Valve Stem Seal)

под заказ860 руб.
7 NA-80002T

   (не оригинальный аналог) Верхний комплект прокладок BRP NA-80002T

под заказ7500 руб.
8 420239295

Пружина клапана (Valve Spring)

под заказ1290 руб.
9 420254132

Пружина клапана Фиксатор (Valve Spring Retainer)

под заказ1290 руб.
9 420254130

(последний код) Пружина клапана Фиксатор (Valve Spring Retainer)

под заказ1010 руб.
10 420254120

Шпонка Клапан (Cotter Valve)

под заказ430 руб.
11 420440612

Фланецd Torx Винт M6 X 105 (Flanged Torx Screw M6 X 105)

под заказ860 руб.
12 420441284

Torx Винт M10 X 159 (Torx Screw M10 X 159)

под заказ850 руб.
13 420637416

Распределительный вал (Camshaft)

под заказпо запросу
13 AT-MZ1196

   (не оригинальный аналог) Комплект распредвалов BRP (2 шт) AT-MZ1196

под заказ11210 руб.
14 420627743

Holding Strip (Holding Strip)

под заказ1720 руб.
14 420627742

(последний код) Holding Strip (Holding Strip)

под заказ1350 руб.
15 420241525

Torx Винт M6 X 16 (Torx Screw M6 X 16)

под заказ370 руб.
16 420254905

Коромысло вход (Rocker Arm Inlet)

под заказ14380 руб.
16 420254406

(последний код) Коромысло вход (Rocker Arm Inlet)

под заказ11240 руб.
17 420254915

Коромысло Выхлоп (Rocker Arm Exhaust)

под заказ11030 руб.
17 420254416

(последний код) Коромысло Выхлоп (Rocker Arm Exhaust)

под заказ8620 руб.
18 420242910

Hex. Гайка M6 (Hex. Nut M6)

под заказ290 руб.
18 711242910

(последний код) Hex. Гайка M6 (Hex. Nut M6)

под заказ230 руб.
19 420241335

Adjustment Винт M6 X 0.75 (Adjustment Screw M6 X 0.75)

под заказ1720 руб.
19 711241335

(последний код) Adjustment Винт M6 X 0.75 (Adjustment Screw M6 X 0.75)

под заказ1350 руб.
20 420229712

Штифт #12, Small, M6 X 90 (Pin #12, Small, M6 X 90)

под заказ1380 руб.
20 420229711

(последний код) Штифт #12, Small, M6 X 90 (Pin #12, Small, M6 X 90)

под заказ1080 руб.
21 420944382

Регулировочная шайба (Shim)

под заказ430 руб.
22 420240941

Подшипник Винт M6 (Bearing Screw M6)

под заказ330 руб.
22 420240943

(последний код) Подшипник Винт M6 (Bearing Screw M6)

под заказ440 руб.
23 420436017

Цепь Tension Направляющая (Chain Tension Guide)

под заказ4750 руб.
23 AT-MZ1117

   (не оригинальный аналог) Башмак натяжителя цепи ГРМ BRP AT-MZ1117

под заказ3190 руб.
24 420236583

Цепь Направляющая (Chain Guide)

под заказ610 руб.
24 AT-MZ1116

   (не оригинальный аналог) Успокоитель цепи ГРМ BRP AT-MZ1116

под заказ760 руб.
25 420236350

Цепь Направляющая (Chain Guide)

под заказ980 руб.
25 711236350

(последний код) Цепь Направляющая (Chain Guide)

под заказ900 руб.
26 420297067

Silent Цепь (Silent Chain)

под заказ6350 руб.
26 420297068

(последний код) Silent Цепь (Silent Chain)

под заказ7070 руб.
26 AT-MZ1193

   (не оригинальный аналог) Цепь ГРМ BRP AT-MZ1193

под заказ3790 руб.
27 420254435

Распределительный вал Цепное колесо ЗВЕЗДОЧКА, 42 Teeth (Camshaft Sprocket, 42 Teeth)

под заказ1570 руб.
27 AT-MZ1164

   (не оригинальный аналог) Шестерня распредвала BRP AT-MZ1164

под заказ1180 руб.
28 420840031

Винт M6 X 12 (Screw M6 X 12)

под заказ250 руб.
28 420841339

(последний код) Винт M6 X 12 (Screw M6 X 12)

под заказпо запросу
29 420236510

Цепь Tensioner Корпус (Chain Tensioner Housing)

под заказ1150 руб.
29 711236510

(последний код) Цепь Tensioner Корпус (Chain Tensioner Housing)

под заказ900 руб.
30 420430370

Уплотнительное кольцо (O-Ring)

под заказ200 руб.
31 420641238

Фланецd Torx Винт M6 X 25 (Flanged Torx Screw M6 X 25)

под заказ430 руб.
31 420440237

(последний код) Фланецd Torx Винт M6 X 25 (Flanged Torx Screw M6 X 25)

под заказ340 руб.
31 AT-MZ1112

   (не оригинальный аналог) Ремкомплект крышки термостата BRP AT-MZ1112

под заказ1030 руб.
32 420236520

Цепь Tensioner Плунжер (Chain Tensioner Plunger)

под заказ900 руб.
32 420236521

(последний код) Цепь Tensioner Плунжер (Chain Tensioner Plunger)

под заказ960 руб.
33 420238120

Пружина (Spring)

под заказ720 руб.
33 711238120

(последний код) Пружина (Spring)

под заказ560 руб.
34 420250890

Уплотнительное кольцо (O-Ring)

под заказ430 руб.
34 290250890

(последний код) Уплотнительное кольцо (O-Ring)

под заказ340 руб.
35 420641150

Заглушка винта (Plug Screw)

под заказ860 руб.
35 711641150

(последний код) Заглушка винта (Plug Screw)

под заказ680 руб.
36 420630260

Прокладка (Gasket)

под заказ1290 руб.
36 S410089015001

   (не оригинальный аналог) Прокладка клапанной крышки BRP S410089015001

под заказ1270 руб.
37 420610395

Клапан Крышка (Valve Cover)

под заказпо запросу
37 420610394

(последний код) Клапан Крышка (Valve Cover)

под заказпо запросу
38 420440560

Torx Винт M6 X 30.5 (Torx Screw M6 X 30.5)

под заказ620 руб.
38 711641269

(последний код) Torx Винт M6 X 30.5 (Torx Screw M6 X 30.5)

под заказ570 руб.
39 707000246

Свеча зажигания, NGK DCP-R8E (Spark Plug, NGK DCP-R8E)

под заказ310 руб.
39 711297940

(последний код) Свеча зажигания, NGK DCP-R8E (Spark Plug, NGK DCP-R8E)

под заказ290 руб.
40 420254374

Клапан Направляющая (Valve Guide)

под заказ3010 руб.
40 420254370

(последний код) Клапан Направляющая (Valve Guide)

под заказ2360 руб.
brp atv

Время выполнения запроса 1.9679069519043 сек.


 
 

данный сайт носит информационный характер и не является публичной офертой

склад запчастей для водомоторной техники