| |
Выбрать другую модель
вернуться к списку узлов и деталей ДЕТАЛИРОВКА ДЛЯ МОДЕЛИ: BRP ATV DS 250 NA, CE & INT, 2013
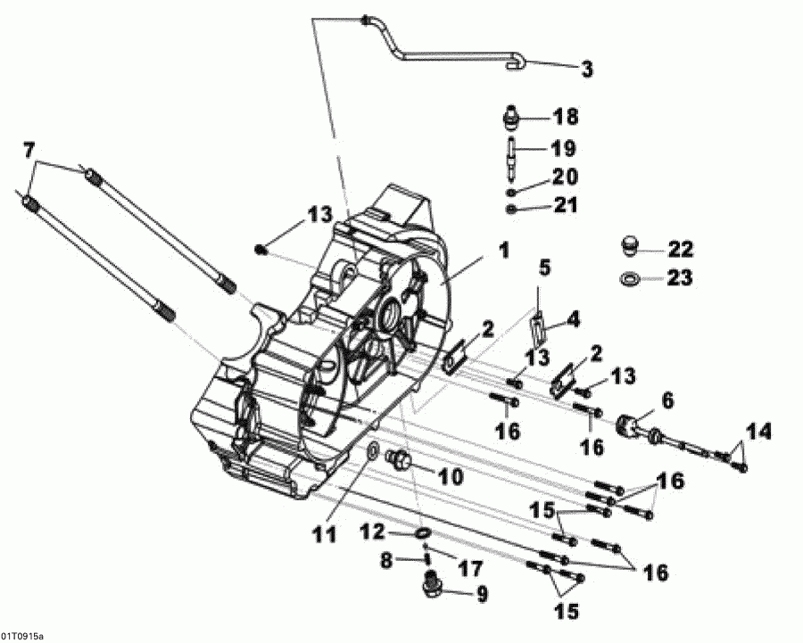
Раздел: левый Картер двигателя Half | Left Crankcase Half
Номер на рисунке | Артикул | Наименование | Кол-во на складе | Цена |
| 1 | S11200RB1000 | LH Картер двигателя в сборе (LH Crankcase Assy) | под заказ | 29900 руб. | |
| 2 | S11205RB1000 | Установочная пластина (Setting Plate) | под заказ | 460 руб. | |
| 3 | S11221RB1000 | Сапун шланга (Breather Hose) | под заказ | 1210 руб. | |
| 4 | S11230RA1000 | Drain Трубка в сборе (Drain Tube Assy) | под заказ | 450 руб. | |
| 5 | NASP/NDPR | Not Availlable As Spare Parts (Not Availlable As Spare Parts) | под заказ | по запросу | |
| 6 | S35759RB1020 | Change Sw в сборе (Change Sw Assy) | под заказ | 3060 руб. | |
| 7 | S90032HMA000 | Цилиндр Шпилька (Cylinder Stud) | под заказ | 920 руб. | |
| 8 | S90051RB1000 | Пружина Fixed Catch (Spring Fixed Catch) | под заказ | 300 руб. | |
| 9 | S90052RB1000 | Drain Заглушка винта (Drain Plug Screw) | под заказ | 610 руб. | |
| 10 | S9280012000 | Drain Заглушка винта (Drain Plug Screw) | под заказ | 300 руб. | |
| 11 | S9410912000 | Шайба 12 mm (Washer 12 mm) | под заказ | 300 руб. | |
| 12 | S9410914000 | Drain Заглушка винта шайбы 14 mm (Drain Plug Screw Washer 14 mm) | под заказ | 300 руб. | |
| 13 | S960010601200 | Фланецd Шестигранный винт M6 X 12 (Flanged Hex. Screw M6 X 12) | под заказ | 150 руб. | |
| 14 | S960010601800 | Фланецd Шестигранный винт M6 X 18 (Flanged Hex. Screw M6 X 18) | под заказ | 300 руб. | |
| 15 | S960010605000 | Фланецd Шестигранный винт M6 X 50 (Flanged Hex. Screw M6 X 50) | под заказ | 300 руб. | |
| 16 | S960010607000 | Фланецd Шестигранный винт M6 X 70 (Flanged Hex. Screw M6 X 70) | под заказ | 150 руб. | |
| 17 | S9621112000 | Steel Шарик (Steel Ball) | под заказ | 460 руб. | |
| 18 | S23434RCA000 | Шестерня Fixing Болт. Европа (Gear Fixing Bolt. Europe) | под заказ | 2120 руб. | |
| 19 | S23433RCA000 | Прибор Шестерня. Европа (Meter Gear. Europe) | под заказ | 5000 руб. | |
| 20 | S23435RCA000 | Упорная шайба. Европа (Thrust Washer. Europe) | под заказ | 150 руб. | |
| 21 | S91201RCA000 | Сальник. Европа (Oil Seal. Europe) | под заказ | 1210 руб. | |
| 22 | S11206RB1000 | Сальникing Болт. North America, International (Sealing Bolt. North America, International) | под заказ | 760 руб. | |
| 23 | S90403RB1000 | Сальникing Шайба. North America, International (Sealing Washer. North America, International) | под заказ | 150 руб. | |

Время выполнения запроса 3.4205648899078 сек.
|
|