| |
Выбрать другую модель
вернуться к списку узлов и деталей ДЕТАЛИРОВКА ДЛЯ МОДЕЛИ: BRP ATV Outlander 650 EFI, 2015
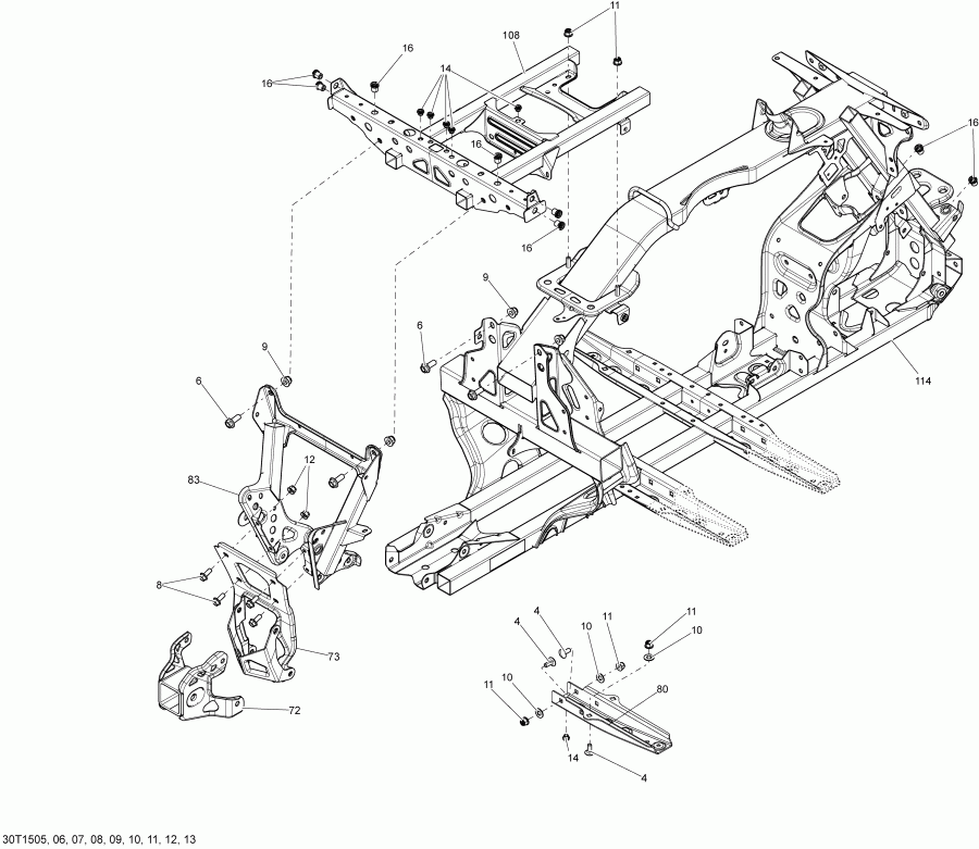
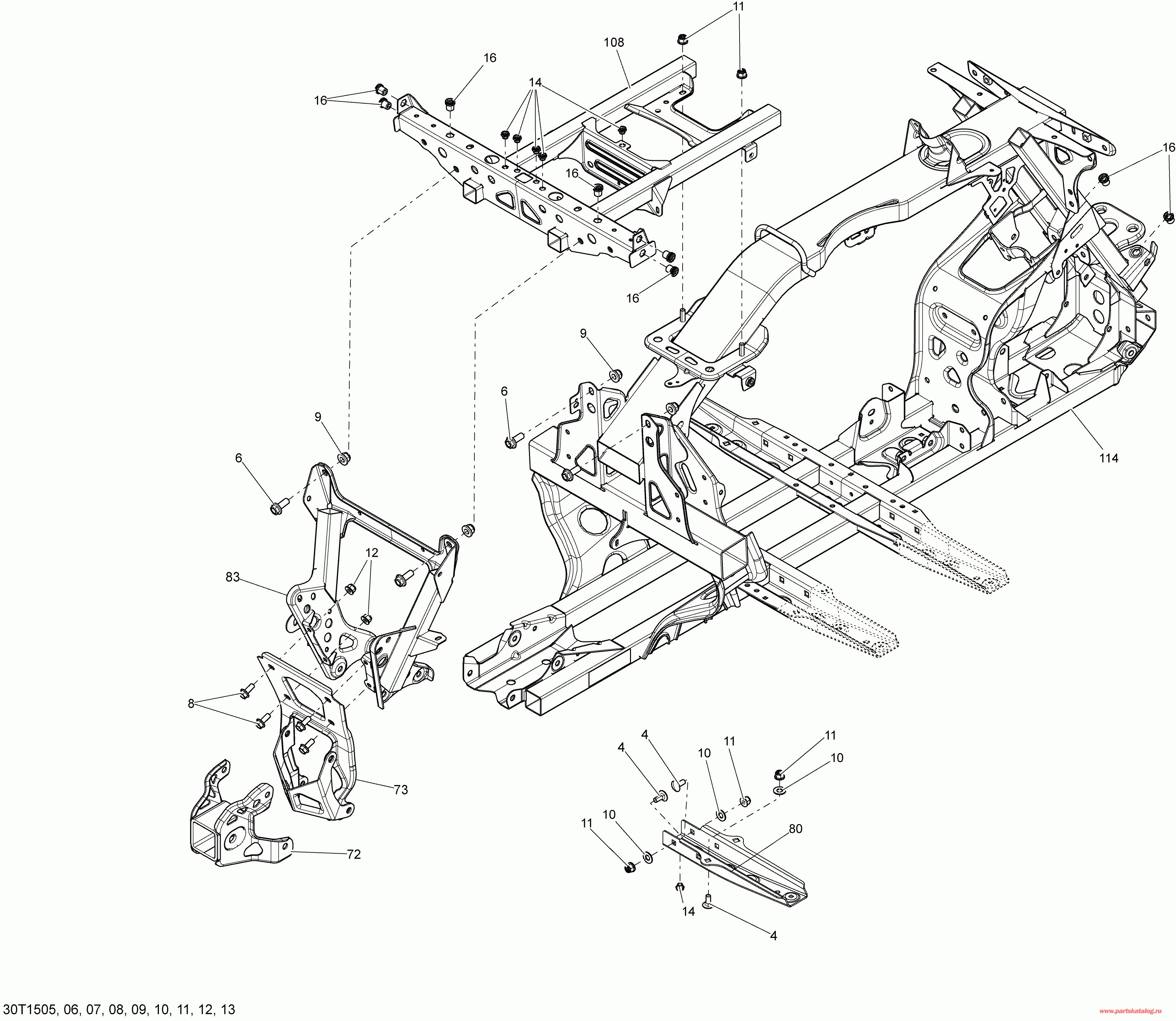
Раздел: Рама 30t1506 | Frame 30t1506
Номер на рисунке | Артикул | Наименование | Кол-во на складе | Цена |
| 4 | 207782044 | Carriage Болт, M8 X 20 (Carriage Bolt, M8 X 20) | под заказ | 290 руб. | |
| 4 | M40058 | (последний код) | под заказ | по запросу | |
| 6 | 207602546 | Hex. Фланецd Винт M10 X 25 (Hex. Flanged Screw M10 X 25) | под заказ | 290 руб. | |
| 8 | 207682046 | Hex. Фланецd Винт M8 X 20 (Hex. Flanged Screw M8 X 20) | под заказ | 290 руб. | |
| 9 | 233201436 | Фланецd Elastic Гайка M10 (Flanged Elastic Nut M10) | под заказ | 860 руб. | |
| 10 | 234001410 | плоский Шайба 10 mm (Flat Washer 10 mm) | под заказ | 290 руб. | |
| 10 | 224001211 | (последний код) плоский Шайба 10 mm (Flat Washer 10 mm) | под заказ | 230 руб. | |
| 11 | 233281414 | Hex. Фланецd Elastic Гайка M8 (Hex. Flanged Elastic Nut M8) | под заказ | 290 руб. | |
| 11 | M33201 | (последний код) | под заказ | по запросу | |
| 12 | 233281416 | Hex. Elastic Фланецd Гайка M8 (Hex. Elastic Flanged Nut M8) | под заказ | 290 руб. | |
| 14 | 293450232 | Insert (Insert) | под заказ | 610 руб. | |
| 16 | 293450307 | Insert (Insert) | под заказ | 300 руб. | |
| 72 | 715002243 | чёрный Trailer Hitch Kit (Black Trailer Hitch Kit) | под заказ | 10110 руб. | |
| 72 | 715001329 | (последний код) чёрный Trailer Hitch Kit (Black Trailer Hitch Kit) | под заказ | 8440 руб. | |
| 73 | 705203301 | Rear Sвышеport (Rear Support) | под заказ | 3060 руб. | |
| 80 | 705203816 | Foot Rest Sвышеport (Foot Rest Support) | под заказ | по запросу | |
| 83 | 705203387 | чёрный Rear Sвышеport (Black Rear Support) | под заказ | 18210 руб. | |
| 108 | 705204075 | чёрный Рама Удлинитель (Black Frame Extension) | под заказ | 12490 руб. | |
| 114 | 705204116 | чёрный Рама (Black Frame) | под заказ | 113100 руб. | |

Время выполнения запроса 0.93444180488586 сек.
|
|