вконтакте

Контактный телефон: +7 (981) 121-46-93, +7 (800) 200-90-76 , Email: parts-katalog@yandex.ru, где купить

 
 

  Логин:

Пароль:

Регистрация

www.partskatalog.ru Все каталоги Запчасти Mercury Запчасти Suzuki Запчасти Tohatsu Запчасти Honda Контакты



УВАЖАЕМЫЕ КЛИЕНТЫ!
C 19 ДЕКАБРЯ 2025 ПО 02 МАРТА 2026 ГОДА ОТДЕЛ ЗАПЧАСТЕЙ И СЕРВИС РАБОТАТЬ НЕ БУДУТ
ПРОДАЖА ЛОДОЧНЫХ МОТОРОВ В ШТАТНОМ РЕЖИМЕ
ОБ ИЗМЕНЕНИЯХ В ГРАФИКЕ РАБОТЫ ЧИТАЙТЕ НА САЙТА




Выбрать другую модель

назад Раздел:   вперёд

вернуться к списку узлов и деталей

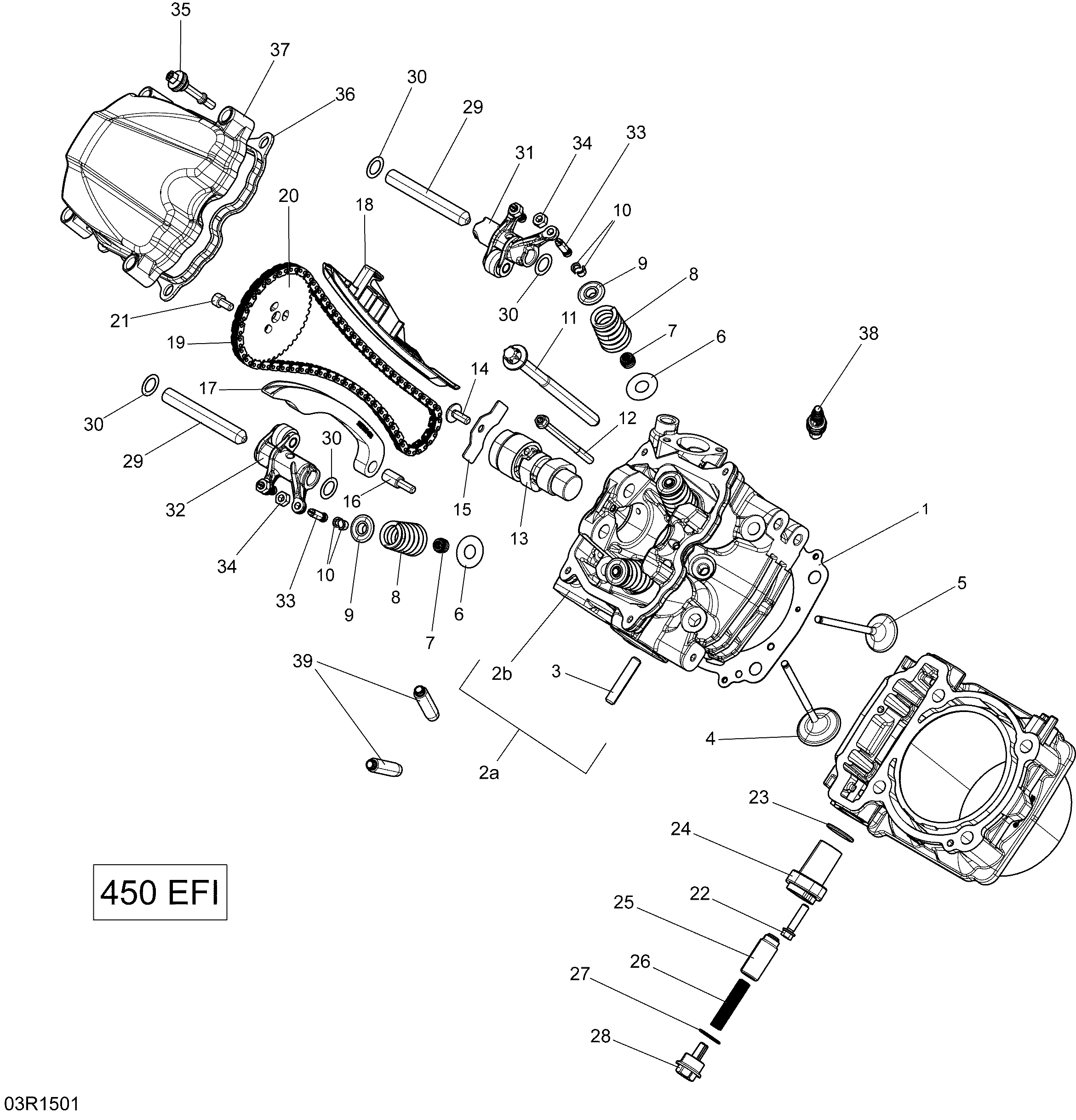
ДЕТАЛИРОВКА ДЛЯ МОДЕЛИ: BRP ATV Outlander L MAX 450 EFI, 2015

Раздел: Головка блока цилиндра 03r1501 | Cylinder Head 03r1501


Мотовездеход  модель Outlander L MAX 450 EFI, 2015 - 03r1501

Номер на
рисунке
АртикулНаименованиеКол-во
на складе
Цена
1 420450340

Прокладка головки блока цилиндра (Cylinder Head Gasket)

под заказ3810 руб.
2a 420413106

Цилиндр Front в сборе. Includes 2a to 3 (Cylinder Front Assy. Includes 2a to 3)

под заказ59300 руб.
2b XXX

Головка блока цилиндра (Cylinder Head)

3 420941014

Шпилька M8 x 26 (Stud M8 x 26)

под заказ1150 руб.
3 420941013

(последний код) Шпилька M8 x 26 (Stud M8 x 26)

под заказ900 руб.
4 420254355

Впускной клапан, 36.5 mm (Intake Valve, 36.5 mm)

под заказ3430 руб.
4 420254356

(последний код) Впускной клапан, 36.5 mm (Intake Valve, 36.5 mm)

под заказ3130 руб.
4 AU-09203I

   (не оригинальный аналог) Впускной клапан BRP AU-09203I

под заказ1820 руб.
5 420855023

Выпускной клапан, 31 mm (Exhaust Valve, 31 mm)

под заказ4540 руб.
5 420855024

(последний код) Выпускной клапан, 31 mm (Exhaust Valve, 31 mm)

под заказ4540 руб.
5 AU-09201E

   (не оригинальный аналог) Выпускной клапан BRP AU-09201E

под заказ2010 руб.
6 420627521

Упорная шайба (Thrust Washer)

под заказ280 руб.
7 420430420

Клапан Stem Сальник (Valve Stem Seal)

под заказ910 руб.
7 AT-09813

   (не оригинальный аналог) Маслосъемный колпачок BRP AT-09813

под заказ290 руб.
8 420239292

Пружина клапана (Valve Spring)

под заказ1380 руб.
9 420254137

Пружина клапана Фиксатор (Valve Spring Retainer)

под заказ1380 руб.
10 420254600

Шпонка Клапан (Cotter Valve)

под заказ290 руб.
11 420641550

Torx Винт M10 X 140 (Torx Screw M10 X 140)

под заказ1100 руб.
12 420440342

Фланецd Torx Винт M6 X 85 (Flanged Torx Screw M6 X 85)

под заказ860 руб.
13 420620868

Распределительный вал (Camshaft)

под заказ16810 руб.
14 420241529

Torx Винт M6 X 16 (Torx Screw M6 X 16)

под заказ860 руб.
15 420627743

Holding Strip (Holding Strip)

под заказ1720 руб.
15 420627742

(последний код) Holding Strip (Holding Strip)

под заказ1350 руб.
16 420240943

Подшипник Винт M6 (Bearing Screw M6)

под заказ440 руб.
17 420436255

Цепь Tension Направляющая (Chain Tension Guide)

под заказ4610 руб.
18 420236582

Цепь Направляющая (Chain Guide)

под заказ610 руб.
18 420236581

(последний код) Цепь Направляющая (Chain Guide)

под заказ560 руб.
18 AT-MZ1122

   (не оригинальный аналог) Успокоитель цепи ГРМ BRP AT-MZ1122

под заказ730 руб.
19 420297063

Silent Цепь (Silent Chain)

под заказ7540 руб.
5400 руб.
19 420297062

(последний код) Silent Цепь (Silent Chain)

под заказ5890 руб.
19 AT-MZ1200

   (не оригинальный аналог) Цепь ГРМ BRP AT-MZ1200

под заказ2950 руб.
20 420254435

Распределительный вал Цепное колесо ЗВЕЗДОЧКА, 42 Teeth (Camshaft Sprocket, 42 Teeth)

под заказ1570 руб.
20 AT-MZ1164

   (не оригинальный аналог) Шестерня распредвала BRP AT-MZ1164

под заказ1180 руб.
21 420840031

Винт M6 X 12 (Screw M6 X 12)

под заказ250 руб.
21 420841339

(последний код) Винт M6 X 12 (Screw M6 X 12)

под заказпо запросу
22 420440234

Фланецd Torx Винт M6 X 25 (Flanged Torx Screw M6 X 25)

под заказ290 руб.
22 420440232

(последний код) Фланецd Torx Винт M6 X 25 (Flanged Torx Screw M6 X 25)

под заказпо запросу
23 420430370

Уплотнительное кольцо (O-Ring)

под заказ200 руб.
24 420236510

Цепь Tensioner Корпус (Chain Tensioner Housing)

под заказ1150 руб.
24 711236510

(последний код) Цепь Tensioner Корпус (Chain Tensioner Housing)

под заказ900 руб.
25 420236520

Цепь Tensioner Плунжер (Chain Tensioner Plunger)

под заказ900 руб.
25 420236521

(последний код) Цепь Tensioner Плунжер (Chain Tensioner Plunger)

под заказ960 руб.
26 420238120

Пружина (Spring)

под заказ720 руб.
26 711238120

(последний код) Пружина (Spring)

под заказ560 руб.
27 420250890

Уплотнительное кольцо (O-Ring)

под заказ430 руб.
27 290250890

(последний код) Уплотнительное кольцо (O-Ring)

под заказ340 руб.
28 420641150

Заглушка винта (Plug Screw)

под заказ860 руб.
28 711641150

(последний код) Заглушка винта (Plug Screw)

под заказ680 руб.
29 420229714

Штифт 12 X 87.5 (Pin 12 X 87.5)

под заказ2720 руб.
30 420944382

Регулировочная шайба (Shim)

под заказ430 руб.
31 420653065

Коромысло вход (Rocker Arm Inlet)

под заказ7530 руб.
32 420653075

Коромысло Выхлоп (Rocker Arm Exhaust)

под заказ7530 руб.
33 420241335

Adjustment Винт M6 X 0.75 (Adjustment Screw M6 X 0.75)

под заказ1720 руб.
33 711241335

(последний код) Adjustment Винт M6 X 0.75 (Adjustment Screw M6 X 0.75)

под заказ1350 руб.
34 420242910

Hex. Гайка M6 (Hex. Nut M6)

под заказ290 руб.
34 711242910

(последний код) Hex. Гайка M6 (Hex. Nut M6)

под заказ230 руб.
35 420440567

Hex. Distance Винт M6 X 30.5 (Hex. Distance Screw M6 X 30.5)

под заказ680 руб.
35 420440568

(последний код) Hex. Distance Винт M6 X 30.5 (Hex. Distance Screw M6 X 30.5)

под заказ740 руб.
36 420630260

Прокладка (Gasket)

под заказ1290 руб.
36 S410089015001

   (не оригинальный аналог) Прокладка клапанной крышки BRP S410089015001

под заказ1270 руб.
37 420610393

Клапан Крышка (Valve Cover)

под заказ1520 руб.
37 420610394

(последний код) Клапан Крышка (Valve Cover)

под заказпо запросу
38 715900352

Свеча зажигания, NGK LMAR8D-J (Spark Plug, NGK LMAR8D-J)

под заказ1580 руб.
39 XXX

Клапан Направляющая (Valve Guide)

brp atv

Время выполнения запроса 3.4492268562317 сек.


 
 

данный сайт носит информационный характер и не является публичной офертой

склад запчастей для водомоторной техники