вконтакте

Контактный телефон: +7 (981) 121-46-93, +7 (800) 200-90-76 , Email: parts-katalog@yandex.ru, где купить

 
 

  Логин:

Пароль:

Регистрация

www.partskatalog.ru Все каталоги Запчасти Mercury Запчасти Suzuki Запчасти Tohatsu Запчасти Honda Контакты



УВАЖАЕМЫЕ КЛИЕНТЫ!
C 19 ДЕКАБРЯ 2025 ПО 02 МАРТА 2026 ГОДА ОТДЕЛ ЗАПЧАСТЕЙ И СЕРВИС РАБОТАТЬ НЕ БУДУТ
ПРОДАЖА ЛОДОЧНЫХ МОТОРОВ В ШТАТНОМ РЕЖИМЕ
ОБ ИЗМЕНЕНИЯХ В ГРАФИКЕ РАБОТЫ ЧИТАЙТЕ НА САЙТА




Выбрать другую модель

назад Раздел:   вперёд

вернуться к списку узлов и деталей

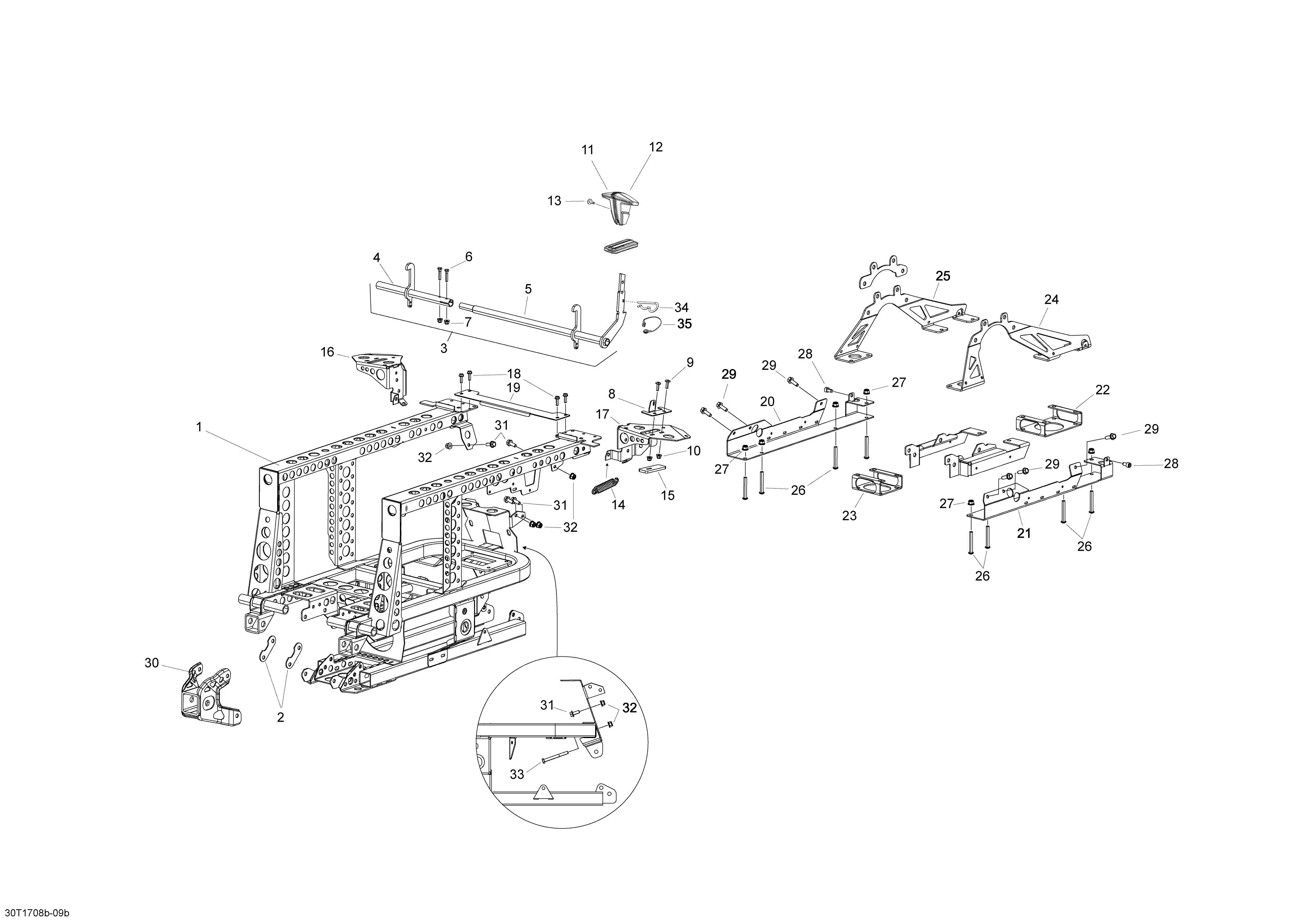
ДЕТАЛИРОВКА ДЛЯ МОДЕЛИ: BRP ATV Outlander 6X6 - 650 EFI, 2017

Раздел: Rear Рама | Rear Frame


Квадроцикл BRP модификация Outlander 6X6 - 650 EFI, 2017 - Rear Frame

Номер на
рисунке
АртикулНаименованиеКол-во
на складе
Цена
1 705204221

Rear Рама Краскаed (Rear Frame Painted)

под заказ117200 руб.
2 705203564

Sвышеport Пластина (Support Plate)

под заказ1160 руб.
3 XXX

Tilt Mechanism (Tilt Mechanism)

4 705203669

LH Трубка Welded (LH Tube Welded)

под заказ9700 руб.
5 705203670

RH Трубка Welded (RH Tube Welded)

под заказ9700 руб.
6 207063044

Шестигранный винт M6 X 30 (Hex. Screw M6 X 30)

под заказ290 руб.
6 702000225

(последний код) Шестигранный винт M6 X 30 (Hex. Screw M6 X 30)

под заказ230 руб.
7 233261414

Hex. Фланецd Elastic Гайка M6 (Hex. Flanged Elastic Nut M6)

под заказ290 руб.
7 M33200

(последний код)

под заказпо запросу
8 705203834

Рычаг Sвышеport (Lever Support)

под заказ1250 руб.
9 250000128

Torx Truss Винт M6 X 20 (Torx Truss Screw M6 X 20)

под заказпо запросу
10 233261414

Hex. Фланецd Elastic Гайка M6 (Hex. Flanged Elastic Nut M6)

под заказ290 руб.
10 M33200

(последний код)

под заказпо запросу
11 705008420

левый Half Ручка (Left Half Knob)

под заказ780 руб.
12 705008048

правый Half Ручка (Right Half Knob)

под заказ780 руб.
13 XXX

Винт (SCREW)

14 415107100

Пружина (Spring)

под заказ460 руб.
14 517165800

(последний код) Пружина (Spring)

под заказ360 руб.
14 SM-02007

   (не оригинальный аналог) Пружина крепления глушителя BRP SM-02007

под заказ280 руб.
15 708301280

Rubber Воротник (Rubber Collar)

под заказ860 руб.
16 705203611

Rear Fender Sвышеport, Weld. LH (Rear Fender Support, Weld. LH)

под заказ4640 руб.
17 705203612

Rear Fender Sвышеport, Weld. RH (Rear Fender Support, Weld. RH)

под заказ5110 руб.
18 250000331

Hex. Фланецd Винт M6 X 20, Scotch Рукоятка (Hex. Flanged Screw M6 X 20, Scotch Grip)

под заказ290 руб.
19 705203954

Filler Пластина (Filler Plate)

под заказ760 руб.
20 705203724

нижний Beam Reinдляcement LH Weld (Lower Beam Reinforcement LH Weld)

под заказ2780 руб.
21 705203725

нижний Beam Reinдляcement RH Weld (Lower Beam Reinforcement RH Weld)

под заказ2780 руб.
22 705203726

Sвышеport Пластина Front (Support Plate Front)

под заказ3650 руб.
23 705203727

Sвышеport Пластина Rear (Support Plate Rear)

под заказ3200 руб.
24 705203728

Differential Sвышеport Reinдляcement LH (Differential Support Reinforcement LH)

под заказ7490 руб.
25 705203729

Differential Sвышеport Reinдляcement RH (Differential Support Reinforcement RH)

под заказ10610 руб.
26 250000383

Torx Винт M8 X 60, Scotch Рукоятка (Torx Screw M8 X 60, Scotch Grip)

под заказ720 руб.
27 233281416

Hex. Elastic Фланецd Гайка M8 (Hex. Elastic Flanged Nut M8)

под заказ290 руб.
28 250000678

дляming Винт HD.DIN.7500E (Forming Screw HD.DIN.7500E)

под заказ300 руб.
29 250000376

Hex дляming Винт DIN.7500D (Hex Forming Screw DIN.7500D)

под заказ580 руб.
30 715002812

Trailer Крючок (Trailer Hook)

под заказ7030 руб.
31 207682046

Hex. Фланецd Винт M8 X 20 (Hex. Flanged Screw M8 X 20)

под заказ290 руб.
32 233281416

Hex. Elastic Фланецd Гайка M8 (Hex. Elastic Flanged Nut M8)

под заказ290 руб.
33 207087544

Шестигранный винт M8 X 75 (Hex. Screw M8 X 75)

под заказ290 руб.
33 420841311

(последний код) Шестигранный винт M8 X 75 (Hex. Screw M8 X 75)

под заказ230 руб.
34 505073670

Пружина Шпонка (Spring Cotter)

под заказ180 руб.
35 293750069

Фиксатор Кабели (Retainer Cable)

под заказ1070 руб.
brp atv

Время выполнения запроса 2.2106499671936 сек.


 
 

данный сайт носит информационный характер и не является публичной офертой

склад запчастей для водомоторной техники