вконтакте

Контактный телефон: +7 (981) 121-46-93, +7 (800) 200-90-76 , Email: parts-katalog@yandex.ru, где купить

 
 

  Логин:

Пароль:

Регистрация

www.partskatalog.ru Все каталоги Запчасти Mercury Запчасти Suzuki Запчасти Tohatsu Запчасти Honda Контакты



УВАЖАЕМЫЕ КЛИЕНТЫ!
C 19 ДЕКАБРЯ 2025 ПО 02 МАРТА 2026 ГОДА ОТДЕЛ ЗАПЧАСТЕЙ И СЕРВИС РАБОТАТЬ НЕ БУДУТ
ПРОДАЖА ЛОДОЧНЫХ МОТОРОВ В ШТАТНОМ РЕЖИМЕ
ОБ ИЗМЕНЕНИЯХ В ГРАФИКЕ РАБОТЫ ЧИТАЙТЕ НА САЙТА




Выбрать другую модель

назад Раздел:   вперёд

вернуться к списку узлов и деталей

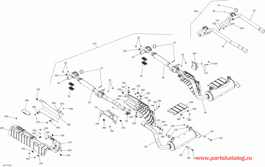
ДЕТАЛИРОВКА ДЛЯ МОДЕЛИ: BRP ATV Outlander - Outlander MAX 450-570, 2017

Раздел: Выхлопная система - All Models | Exhaust System - All Models


Квадроцикл BRP Outlander - Outlander MAX 450-570, 2017 - Exhaust System All Models

Номер на
рисунке
АртикулНаименованиеКол-во
на складе
Цена
10 707600317

Прокладка (Gasket)

под заказ730 руб.
10 707600242

(последний код) Прокладка (Gasket)

под заказ570 руб.
10 NA-80005T

   (не оригинальный аналог) Верхний комплект прокладок BRP NA-80005T

под заказ13690 руб.
20 233081416

Hex. Фланецd Гайка M8 (Hex. Flanged Nut M8)

под заказ270 руб.
20 A9405008000

(последний код)

под заказпо запросу
30 707600764

Front Head Трубка. Двигатель 570 (Front Head Pipe. Engine 570)

под заказ12230 руб.
30 707601358

Front Head Трубка. Outlander 450 (Front Head Pipe. Outlander 450)

под заказ14490 руб.
30 707601361

Front Head Трубка. Outlander Max 450 (Front Head Pipe. Outlander Max 450)

под заказ14490 руб.
40 707601396

2-Into-1 Выхлопная система. Outlander 570 (2-Into-1 Exhaust System. Outlander 570)

под заказ20500 руб.
40 707601397

2-Into-1 Выхлопная система. Outlander Max 570 (2-Into-1 Exhaust System. Outlander Max 570)

под заказ17810 руб.
50 415107100

Пружина. Двигатель 570 (Spring. Engine 570)

под заказ460 руб.
50 517165800

(последний код) Пружина. Двигатель 570 (Spring. Engine 570)

под заказ360 руб.
50 SM-02007

   (не оригинальный аналог) Пружина крепления глушителя BRP SM-02007

под заказ280 руб.
60 707601392

Выхлоп Muffler. Except Model Европа (Exhaust Muffler. Except Model Europe)

под заказ52200 руб.
60 707601393

Выхлоп Muffler. Model Европа (Exhaust Muffler. Model Europe)

под заказ71200 руб.
70 707601544

Трубка Прокладка. Outlander Max (Pipe Gasket. Outlander Max)

под заказ1820 руб.
80 293650228

Выхлопная труба Струбцина (Exhaust Pipe Clamp)

под заказ1120 руб.
100 707600701

Anti-Vibration Rubber (Anti-Vibration Rubber)

под заказ950 руб.
120 293900116

Проставка Втулка (Spacer Bushing)

под заказ240 руб.
130 293900115

Втулка (Bushing)

под заказ160 руб.
140 207683544

Hex. Фланецd Винт M8 X 35 (Hex. Flanged Screw M8 X 35)

под заказ290 руб.
150 207685544

Hex. Фланецd Винт M8 X 55 (Hex. Flanged Screw M8 X 55)

под заказ290 руб.
160 250200158

плоский Шайба M8 (Flat Washer M8)

под заказ180 руб.
180 233081416

Hex. Фланецd Гайка M8 (Hex. Flanged Nut M8)

под заказ270 руб.
180 A9405008000

(последний код)

под заказпо запросу
250 707601486

Защита (Protector)

под заказ1370 руб.
260 707600995

Heat Shield. Package XMR (Heat Shield. Package XMR)

под заказ1320 руб.
270 707601484

Защита (Protector)

под заказ1030 руб.
290 707600996

Heat Shield. Package PRO, XMR (Heat Shield. Package PRO, XMR)

под заказ1990 руб.
300 707601485

Защита Outlander Max (Protector. Outlander Max)

под заказ1030 руб.
310 707600994

Heat Shield. Outlander Max (Heat Shield. Outlander Max)

под заказ1220 руб.
320 707601425

Защита (Protector)

под заказ1720 руб.
330 250000048

Panel Гайка M6 X 1.0 (Panel Nut M6 X 1.0)

под заказ250 руб.
330 250100113

(последний код) Panel Гайка M6 X 1.0 (Panel Nut M6 X 1.0)

под заказ250 руб.
340 207661644

Hex. Фланецd Винт M6 X 16 (Hex. Flanged Screw M6 X 16)

под заказ280 руб.
350 234062410

плоский Шайба 6 mm (Flat Washer 6 mm)

под заказ140 руб.
350 M20009

(последний код)

под заказпо запросу
360 250000048

Panel Гайка M6 X 1.0. Package PRO, XMR (Panel Nut M6 X 1.0. Package PRO, XMR)

под заказ250 руб.
360 250100113

(последний код) Panel Гайка M6 X 1.0. Package PRO, XMR (Panel Nut M6 X 1.0. Package PRO, XMR)

под заказ250 руб.
370 207661644

Hex. Фланецd Винт M6 X 16. Package PRO, XMR (Hex. Flanged Screw M6 X 16. Package PRO, XMR)

под заказ280 руб.
400 207662534

Hex. Фланецd Винт M6 X 25 (Hex. Flanged Screw M6 X 25)

под заказ290 руб.
410 233261414

Hex. Фланецd Elastic Гайка M6 (Hex. Flanged Elastic Nut M6)

под заказ290 руб.
410 M33200

(последний код)

под заказпо запросу
420 293720053

Пыльник (Grommet)

под заказ260 руб.
420 709000582

(последний код) Пыльник (Grommet)

под заказ310 руб.
420 SM-12511

   (не оригинальный аналог) Втулка резиновая BRP SM-12511

под заказ160 руб.
430 293900105

Втулка (Bushing)

под заказ580 руб.
440 224060201

плоский Шайба (Flat Washer)

под заказ280 руб.
440 224060200

(последний код) плоский Шайба (Flat Washer)

под заказ220 руб.
450 293830005

Rubber Бампер (Rubber Bumper)

под заказ580 руб.
460 708000506

Резиновый стопор. Outlander Max (Rubber Stopper. Outlander Max)

под заказ170 руб.
500 707600932

Трубка Защита Двигатель 570 (Pipe Protector. Engine 570)

под заказ1030 руб.
500 707601457

Heat Shield. Двигатель 450 (Heat Shield. Engine 450)

под заказ880 руб.
510 250200082

плоский Шайба (Flat Washer)

под заказ270 руб.
510 399900800

(последний код) плоский Шайба (Flat Washer)

под заказ210 руб.
520 250000574

Hex. Фланецd Винт M6 X 12 (Hex. Flanged Screw M6 X 12)

под заказ290 руб.
550 707601635

Защита (Protector)

под заказ960 руб.
580 250000048

Panel Гайка M6 X 1.0 (Panel Nut M6 X 1.0)

под заказ250 руб.
580 250100113

(последний код) Panel Гайка M6 X 1.0 (Panel Nut M6 X 1.0)

под заказ250 руб.
590 207661644

Hex. Фланецd Винт M6 X 16 (Hex. Flanged Screw M6 X 16)

под заказ280 руб.
650 207761244

Carriage Болт M6 X 12. Package PRO, XMR (Carriage Bolt M6 X 12. Package PRO, XMR)

под заказ210 руб.
660 232561414

Эластичная гайка со стопором M6. Package PRO, XMR (Elastic Stop Nut M6. Package PRO, XMR)

под заказ130 руб.
660 420842040

(последний код) Эластичная гайка со стопором M6. Package PRO, XMR (Elastic Stop Nut M6. Package PRO, XMR)

под заказ110 руб.
670 234061410

плоский Шайба 6 mm. Package PRO, XMR (Flat Washer 6 mm. Package PRO, XMR)

под заказ270 руб.
670 711244213

(последний код) плоский Шайба 6 mm. Package PRO, XMR (Flat Washer 6 mm. Package PRO, XMR)

под заказ210 руб.
brp atv

Время выполнения запроса 3.2485871315002 сек.


 
 

данный сайт носит информационный характер и не является публичной офертой

склад запчастей для водомоторной техники