Контактный телефон: +7 (981) 121-46-93, +7 (800) 200-90-76 , Email: parts-katalog@yandex.ru, где купить |
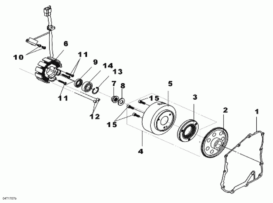
вернуться к списку узлов и деталей ДЕТАЛИРОВКА ДЛЯ МОДЕЛИ: BRP ATV DS 250, 2018 Раздел: Крышка магнето и Водяной насос
|
|||||||||||||||||||||||||||||||||||||||||||||||||||||||||||||||||||||||||||||||||||||||||||||||||||||||||||||||||||||||||||||||||||||||||||||||||||||||||||||||||||||||||||||||
| Номер на рисунке | Артикул | Наименование | Кол-во на складе | Цена | |
| 1 | S11330RB1000 | Картер двигателя. EUR (Crankcase. EUR) | под заказ | 8770 руб. | |
| 3 | S12342RFS000 | Струбцина. EUR (Clamp. EUR) | под заказ | 440 руб. | |
| 4 | S1236AV02000 | Колпачок в сборе EUR (Cap Assy. EUR) | под заказ | 910 руб. | |
| 5 | S15421B9D000 | Масляный фильтр Screen. EUR (Oil Filter Screen. EUR) | под заказ | 760 руб. | |
| 6 | S15426M9Q000 | Масляный фильтр Винт Пружина. EUR (Oil Filter Screw Spring. EUR) | под заказ | 1360 руб. | |
| 7 | S1565ARCA000 | Измеритель уровня масла в сборе. EUR (Oil Level Gauge Assy. EUR) | под заказ | 920 руб. | |
| 8 | S19215HLA000 | Крыльчатка водяного насоса. EUR (Water Pump Impeller. EUR) | под заказ | 1820 руб. | |
| 9 | S19217H9A300 | Mechanical Сальник. EUR (Mechanical Seal. EUR) | под заказ | 2720 руб. | |
| 10 | S19229H9A000 | Прокладка. EUR (Gasket. EUR) | под заказ | 300 руб. | |
| 11 | S1922AHLA000 | Водяной насос Крышка. EUR (Water Pump Cover. EUR) | под заказ | 2120 руб. | |
| 12 | S19231HMA000 | Водяной насос Вал. EUR (Water Pump Shaft. EUR) | под заказ | 3330 руб. | |
| 13 | S19502RB1000 | Шланг. EUR (Hose. EUR) | под заказ | 1210 руб. | |
| 14 | S19505RFS000 | Струбцина. EUR (Clamp. EUR) | под заказ | 1210 руб. | |
| 15 | S9008AH9A000 | Колпачок и Сальник в сборе. EUR (Cap And Seal Assy. EUR) | под заказ | 610 руб. | |
| 16 | S90423KJ9000 | Шайба. EUR (Washer. EUR) | под заказ | 300 руб. | |
| 17 | S91001KJ9005 | Шариковый подшипник. EUR (Ball Bearing. EUR) | под заказ | 1820 руб. | |
| 18 | S91205KF0003 | Сальник. EUR (Oil Seal. EUR) | под заказ | 300 руб. | |
| 19 | S91302RCA000 | Уплотнительное кольцо. EUR (O-Ring. EUR) | под заказ | 210 руб. | |
| 20 | 293300037 | Уплотнительное кольцо. EUR (O-Ring. EUR) | под заказ | 1150 руб. | |
| 21 | S9430108140 | Шпонка. EUR (Dowel Pin. EUR) | под заказ | 300 руб. | |
| 22 | S9452026000 | Стопорное кольцо. EUR (Circlip. EUR) | под заказ | 300 руб. | |
| 23 | S960010602200 | Фланецd Болт M6 X 22. EUR (Flanged Bolt M6 X 22. EUR) | под заказ | 300 руб. | |
| 24 | S960010603200 | Фланецd Болт M6 X 32. EUR (Flanged Bolt M6 X 32. EUR) | под заказ | 300 руб. | |
| 25 | S960010604500 | Фланецd Болт M6 X 45. EUR (Flanged Bolt M6 X 45. EUR) | под заказ | 300 руб. | |
| 26 | S961006000000 | Шариковый подшипник. EUR (Ball Bearing. EUR) | под заказ | 910 руб. | |
| 27 | S960010607000 | Фланецd Шестигранный винт M6 X 70. EUR (Flanged Hex. Screw M6 X 70. EUR) | под заказ | 150 руб. | |

Время выполнения запроса 1.9784231185913 сек.
склад запчастей для водомоторной техники