вконтакте

Контактный телефон: +7 (981) 121-46-93, +7 (800) 200-90-76 , Email: parts-katalog@yandex.ru, где купить

 
 

  Логин:

Пароль:

Регистрация

www.partskatalog.ru Все каталоги Запчасти Mercury Запчасти Suzuki Запчасти Tohatsu Запчасти Honda Контакты


Выбрать другую модель

назад Раздел:   вперёд

вернуться к списку узлов и деталей

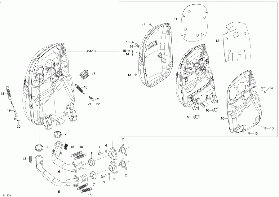
ДЕТАЛИРОВКА ДЛЯ МОДЕЛИ: SKIDOO SKANDIC 600 ACE, 2018

Раздел: Выхлоп 600 Ace - Xu | Exhaust 600 Ace - Xu


снегоход  SKANDIC 600 ACE, 2018 - Выхлоп 600 Ace Xu

Номер на
рисунке
АртикулНаименованиеКол-во
на складе
Цена
1 514054673

Выхлопной патрубок (Exhaust Manifold)

под заказ4930 руб.
2 514055112

Сальник (Seal)

под заказ452 руб.
2 SM-02073

     (не оригинальная запчасть) Прокладка выхлопной системы снегохода BRP SM-02073

под заказ550 руб.
3 250000414

Socket Head Винт M8 X 22 (Socket Head Screw M8 X 22)

под заказ146 руб.
4 250200111

Шайба (Washer)

под заказ284 руб.
5 514054733

Welded Трубка (Welded Tube)

под заказ6860 руб.
6 514054734

Welded Трубка (Welded Tube)

под заказ6860 руб.
7 514054807

Выхлоп Прокладка (Exhaust Gasket)

под заказ1120 руб.
7 SM-02062

     (не оригинальная запчасть) Уплотнительное кольцо глушителя BRP SM-02062

под заказ1 220 руб.
8 514055370

Muffler в сборе. Includes 8 to 15 (Muffler Assy. Includes 8 to 15)

под заказ68500 руб.
9 514055325

RH Heat Shield (RH Heat Shield)

под заказ3930 руб.
10 514054645

LH Heat Shield (LH Heat Shield)

под заказ3930 руб.
11 514054769

RH Insulating Wool (RH Insulating Wool)

под заказ835 руб.
12 514054770

LH Insulating Wool (LH Insulating Wool)

под заказ984 руб.
13 390910000

Pop Заклёпка 3 / 16" (Pop Rivet 3/16")

под заказ138 руб.
14 514054522

Пружина Кронштейн (Spring Bracket)

под заказ452 руб.
14 514034000

ATTACHE RESSORT*BRACKET-SPRING

под заказпо запросу
15 390909200

Avex Заклёпка (Avex Rivet)

под заказ138 руб.
15 605636005

Rivet Avex 4.8x10 St

под заказ70 руб.
16 514054496

нижний Стопор (Lower Stopper)

под заказ1930 руб.
405 570044700

Rubber Бампер. Not Shown (Rubber Bumper. Not Shown)

под заказ763 руб.
17 514054737

верхний Стопор (Upper Stopper)

под заказ835 руб.
18 415107100

Пружина (Spring)

под заказ457 руб.
18 517165800

RESSORT *SPRING

под заказ360 руб.
18 SM-02007

     (не оригинальная запчасть) Пружина крепления глушителя BRP SM-02007

под заказ280 руб.
19 514055317

Пружина Кронштейн (Spring Bracket)

под заказ601 руб.
20 390909100

Avex Заклёпка (Avex Rivet)

под заказ21 руб.
ski-doo

Время выполнения запроса 0.96471095085144 сек.


 
 

данный сайт носит информационный характер и не является публичной офертой

склад запчастей для водомоторной техники