вконтакте

Контактный телефон: +7 (981) 121-46-93, +7 (800) 200-90-76 , Email: parts-katalog@yandex.ru, где купить

 
 

  Логин:

Пароль:

Регистрация

www.partskatalog.ru Все каталоги Запчасти Mercury Запчасти Suzuki Запчасти Tohatsu Запчасти Honda Контакты


Выбрать другую модель

назад Раздел:   вперёд

вернуться к списку узлов и деталей

ДЕТАЛИРОВКА ДЛЯ МОДЕЛИ: SKIDOO Touring E, 1997

Раздел: Карбюраторs (377) | Carburetors (377)


snowmobile ski-doo Touring E, 1997 - Карбюраторs (377)

Номер на
рисунке
АртикулНаименованиеКол-во
на складе
Цена
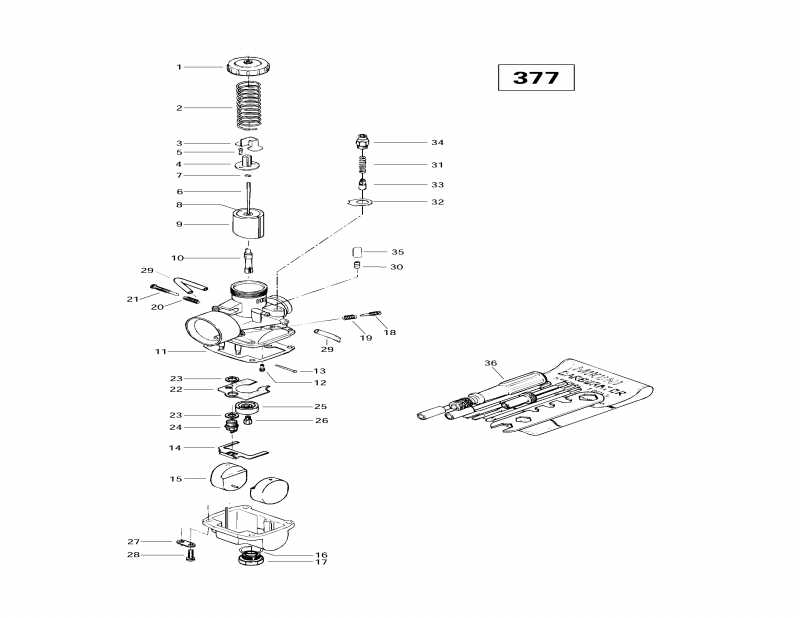
1 403127200

Карбюратор VM 30-190. Includes 1 - 35. TouКольцо E. TouКольцо E LT (2) (Carburetor VM 30-190. Includes 1 - 35. Touring E. Touring E LT (2).)

под заказпо запросу
1 404103700

Крышка. TouКольцо E. TouКольцо E LT (2) (Cover. Touring E. Touring E LT (2).)

под заказ2360 руб.
2 404154800

Дроссель Vale Пружина. TouКольцо E. TouКольцо E LT (2) (Throttle Vale Spring. Touring E. Touring E LT (2).)

под заказ1850 руб.
3 404122100

Крышка. TouКольцо E. TouКольцо E LT (2) (Cover. Touring E. Touring E LT (2).)

под заказ1400 руб.
4 404122900

Коннектор. TouКольцо E. TouКольцо E LT (2) (Connector. Touring E. Touring E LT (2).)

под заказ946 руб.
4 404160800

CONNECTEUR *CONNECTOR

под заказ1210 руб.
5 404121300

Винт with Шайба с блокировкой. TouКольцо E. TouКольцо E LT (2) (Screw with Lock Washer. Touring E. Touring E LT (2).)

под заказ428 руб.
5 404128200

SCREW-WITH LOCK WASHER

под заказ340 руб.
6 404152600

Игла жиклёра J8-6DP9. TouКольцо E. TouКольцо E LT (2) (Jet Needle J8-6DP9. Touring E. Touring E LT (2).)

под заказ1010 руб.
7 404152400

Уплотнительное кольцо. TouКольцо E. TouКольцо E LT (2) (E-Ring. Touring E. Touring E LT (2).)

под заказ572 руб.
8 404117000

Прокладка. TouКольцо E. TouКольцо E LT (2) (Packing. Touring E. Touring E LT (2).)

под заказ284 руб.
9 404128400

Клапан дросселя CA 2.5. TouКольцо E. TouКольцо E LT (2) (Throttle Valve CA 2.5. Touring E. Touring E LT (2).)

под заказ9300 руб.
10404107000

Игла распылителя NJ 159. TouКольцо E. TouКольцо E LT (2) (Needle Jet NJ 159. Touring E. Touring E LT (2).)

под заказ1400 руб.
10963953

SEOSPUTKI 159/P-O

под заказ1140 руб.
11404104200

Прокладка Pan. TouКольцо E. TouКольцо E LT (2) (Gasket Pan. Touring E. Touring E LT (2).)

под заказ481 руб.
11420831895

GASKET

под заказпо запросу
12404109100

Pilot Jet 40. TouКольцо E. TouКольцо E LT (2) (Pilot Jet 40. Touring E. Touring E LT (2).)

под заказ396 руб.
12963825

TYHJAKAYNTISUUTIN 40

под заказ240 руб.
13404103300

Стопор рычага поплавка. TouКольцо E. TouКольцо E LT (2) (Float Arm Pin. Touring E. Touring E LT (2).)

под заказ428 руб.
14404107600

Поплавок Рычаг. TouКольцо E. TouКольцо E LT (2) (Float Arm. Touring E. Touring E LT (2).)

под заказ1780 руб.
15404107100

Поплавок. TouКольцо E. TouКольцо E LT (2) (Float. Touring E. Touring E LT (2).)

под заказ2140 руб.
15SM-07243

     (не оригинальная запчасть) Поплавок карбюратора BRP SM-07243

под заказ830 руб.
16404107300

Уплотнительное кольцо. TouКольцо E. TouКольцо E LT (2) (O-Ring. Touring E. Touring E LT (2).)

под заказ588 руб.
17404107400

Заглушка винта. TouКольцо E. TouКольцо E LT (2) (Plug Screw. Touring E. Touring E LT (2).)

под заказ1780 руб.
18404102300

Idle Регулировочный винт. TouКольцо E. TouКольцо E LT (2) (Idle Adjusting Screw. Touring E. Touring E LT (2).)

под заказ1070 руб.
18420963860

SCREW MIKUNI VM20/214

под заказпо запросу
19404101800

Idle Регулировочный винт Пружина. TouКольцо E. TouКольцо E LT (2) (Idle Adjusting Screw Spring. Touring E. Touring E LT (2).)

под заказ324 руб.
20404101700

Дроссель Стопорный винт Пружина. TouКольцо E. TouКольцо E LT (2) (Throttle Stop Screw Spring. Touring E. Touring E LT (2).)

под заказ295 руб.
20420938940

SPRING

под заказ240 руб.
21404109700

Дроссель Стопорный винт. TouКольцо E. TouКольцо E LT (2) (Throttle Stop Screw. Touring E. Touring E LT (2).)

под заказ1400 руб.
22404109600

Baffle Пластина. TouКольцо E. TouКольцо E LT (2) (Baffle Plate. Touring E. Touring E LT (2).)

под заказпо запросу
23404101600

Шайба-Седло. TouКольцо E. TouКольцо E LT (2) (Washer-Seat. Touring E. Touring E LT (2).)

под заказ237 руб.
24404103200

Игольчатый клапан. TouКольцо E. TouКольцо E LT (2) (Needle Valve. Touring E. Touring E LT (2).)

под заказ4140 руб.
24963848

NEULAVENTTIILI 1,5 VM34

под заказ2760 руб.
25404110900

BafflУплотнительное кольцо. TouКольцо E. TouКольцо E LT (2) (Baffle Ring. Touring E. Touring E LT (2).)

под заказ3260 руб.
26404126600

Главный жиклёр MJ 140. TouКольцо E. TouКольцо E LT (2) (Main Jet MJ 140. Touring E. Touring E LT (2).)

под заказ588 руб.
27404103000

Трубка Фиксатор Пластина. TouКольцо E. TouКольцо E LT (2) (Tube Retainer Plate. Touring E. Touring E LT (2).)

под заказ792 руб.
28404102000

Винт и Шайба с блокировкой. TouКольцо E. TouКольцо E LT (2) (Screw and Lock Washer. Touring E. Touring E LT (2).)

под заказ237 руб.
29404109800

Vent Трубка. TouКольцо E. TouКольцо E LT (2) (Vent Tube. Touring E. Touring E LT (2).)

под заказпо запросу
30404153400

Ниппель. TouКольцо E. TouКольцо E LT (2) (Nipple. Touring E. Touring E LT (2).)

под заказ859 руб.
30404159100

RACCORD *NIPPLE

под заказ680 руб.
31404127400

Пружина. TouКольцо E. TouКольцо E LT (2) (Spring. Touring E. Touring E LT (2).)

под заказ792 руб.
32404156400

Пластина. TouКольцо E. TouКольцо E LT (2) (Plate. Touring E. Touring E LT (2).)

под заказпо запросу
32420963800

PLATE

под заказпо запросу
33404127500

Плунжер в сборе. TouКольцо E. TouКольцо E LT (2) (Plunger Assy. Touring E. Touring E LT (2).)

под заказпо запросу
34404127200

Sвышеport-Направляющая. TouКольцо E. TouКольцо E LT (2) (Support-Guide. Touring E. Touring E LT (2).)

под заказпо запросу
35404105800

Колпачок. TouКольцо E. TouКольцо E LT (2) (Cap. Touring E. Touring E LT (2).)

под заказ481 руб.
35420960990

FOAT FIXATION CAP

под заказпо запросу
35SM-07243

     (не оригинальная запчасть) Поплавок карбюратора BRP SM-07243

под заказ830 руб.
36404112000

Набор инструмента. TouКольцо E. TouКольцо E LT (2) (Tool Kit. Touring E. Touring E LT (2).)

под заказ7330 руб.
36876960

SPECIAL TOOL KIT

под заказ5730 руб.
37861757700

High Altitude Kit (Not Shown) TouКольцо E. TouКольцо E LT (2) (High Altitude Kit (Not Shown). Touring E. Touring E LT (2).)

под заказпо запросу
ski-doo

Время выполнения запроса 1.0921199321747 сек.


 
 

данный сайт носит информационный характер и не является публичной офертой

склад запчастей для водомоторной техники