вконтакте

Контактный телефон: +7 (981) 121-46-93, +7 (800) 200-90-76 , Email: parts-katalog@yandex.ru, где купить

 
 

  Логин:

Пароль:

Регистрация

www.partskatalog.ru Все каталоги Запчасти Mercury Запчасти Suzuki Запчасти Tohatsu Запчасти Honda Контакты


Выбрать другую модель

назад Раздел:   вперёд

вернуться к списку узлов и деталей

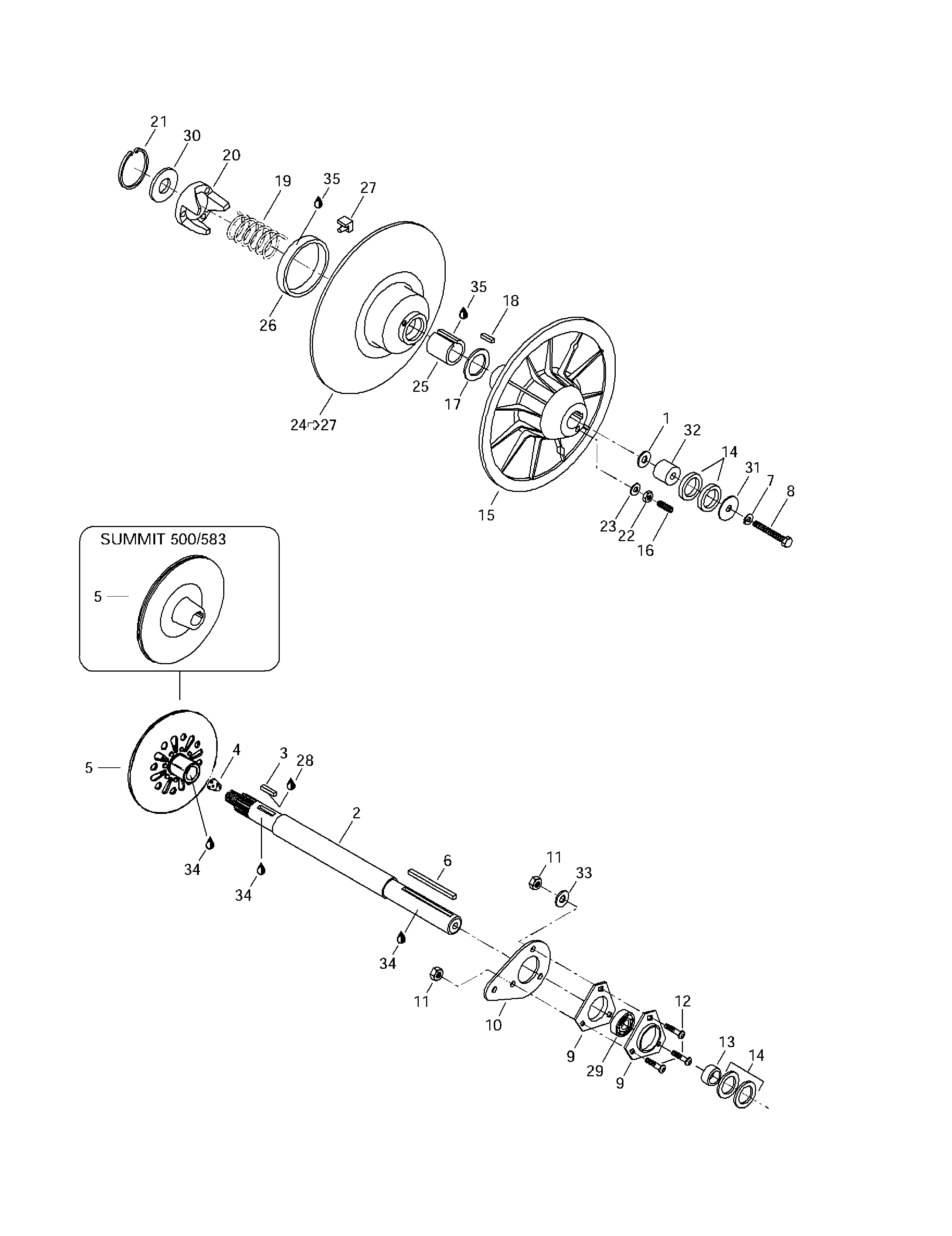
ДЕТАЛИРОВКА ДЛЯ МОДЕЛИ: SKIDOO Summit 500/583/670, 1997

Раздел: Ведомый шкив | Driven Pulley


Summit 500/583/670, 1997 раздел - Ведомый шкив

Номер на
рисунке
АртикулНаименованиеКол-во
на складе
Цена
1 224081201

Шайба (Washer)

под заказ284 руб.
2 504098300

CounterВал. Summit 500. Summit 583. (Countershaft. Summit 500. Summit 583.)

под заказпо запросу
504139400

CounterВал. Summit 670. (Countershaft. Summit 670.)

под заказпо запросу
3 507021300

Ключ (Key)

под заказ992 руб.
4 414784800

Cork. Summit 670. (Cork. Summit 670.)

под заказ250 руб.
4 414529900

BOUCHON LIEGE *CORK

под заказ200 руб.
5 507030600

тормоз Disk в сборе. Summit 500. Summit 583. (Brake Disk Assy. Summit 500. Summit 583.)

под заказпо запросу
507030700

тормоз Disk. Summit 670. (Brake Disk. Summit 670.)

под заказ11020 руб.
507032456

DISQUE USINE *DISK-MACH.

под заказ11430 руб.
6 414581300

Ключ (Key)

под заказ725 руб.
7 224781140

Шайба с блокировкой 8 mm (Lock Washer 8 mm)

под заказ108 руб.
7 234181401

WASHER-LOCK DIN*.127B

под заказ140 руб.
8 222086565

Allen Винт M8 x 65 (Allen Screw M8 x 65)

под заказ222 руб.
8 207086544

SCREW-HEX.CAP DIN.931

под заказ290 руб.
9 501025000

Корпус Подшипник (Housing Bearing)

под заказ383 руб.
10501022300

Проставка (Spacer)

под заказпо запросу
11228581045

Elastic Гайка M8 (Elastic Nut M8)

под заказ106 руб.
11232581414

NUT-STOP ELASTIC DIN.985

под заказ140 руб.
12732601156

Шестигранный винт M8 x 25 (Hex. Screw M8 x 25)

под заказ447 руб.
12205482546

SCREW-SOCKET BN.HD.ISO.7380

под заказ580 руб.
13504128300

Регулировочная шайба (Shim)

под заказпо запросу
14504108200

Регулировочная шайба (Shim)

под заказ215 руб.
15504141600

Fixed Half Шкив (Fixed Half Pulley)

под заказ20900 руб.
15417126664

FLASQUE FIXE US*FIX FLANGE MACH

под заказ22800 руб.
16223563065

Allen Винт M6 x 30 (Allen Screw M6 x 30)

под заказ447 руб.
16206263044

SCREW-SET SOCKET DIN.913

под заказ580 руб.
17504141900

Упорная шайба (Thrust Washer)

под заказ512 руб.
17504091500

RONDELLE BUTEE *WASHER-STOPPER

под заказ470 руб.
18414820800

Ключ (Key)

под заказ480 руб.
19414558900

Release Пружина (Release Spring)

под заказ2420 руб.
20504140900

Cam 47 Deg. Summit 500. (Cam 47 Deg. Summit 500.)

под заказ9860 руб.
20417126337

CAME USINE 47 *CAM-MACH.47

под заказ10750 руб.
504096100

Cam 50 градусов. Summit 583. Summit 670. (Cam 50 Deg. Summit 583. Summit 670.)

под заказ10190 руб.
417126343

CAME USINE *CAM-MACH.

под заказ11090 руб.
21371903100

Пружинное кольцо (Snap Ring)

под заказ795 руб.
21140004

CIRCLIP

под заказ630 руб.
22228061045

Гайка M6 (Nut M6)

под заказ222 руб.
22232061414

NUT-HEXAGONAL DIN.934

под заказ290 руб.
23420245370

Шайба (Washer)

под заказ72 руб.
23245370

KITKALEVY(USE 420245370)

под заказ60 руб.
24504143400

Sliding Шкив. Includes 24 - 27. (Sliding Pulley. Includes 24 - 27.)

под заказ23700 руб.
24417126486

FLASQUE COUL.AS*FLANGE-SLID.AS

под заказ25800 руб.
25415011200

Втулка Garlock (Bushing Garlock)

под заказ2850 руб.
26414876600

Втулка Garlock (Bushing Garlock)

под заказ2920 руб.
27414918000

Cam Slider Shoe (Cam Slider Shoe)

под заказ375 руб.
27414579300

GLISSIERE CAME *SHOE-CAM SLIDE

под заказ450 руб.
28XXX

Loctite 277, 50cc (Loctite 277, 50cc)

29405407900

Шариковый подшипник. Summit 500. Summit 583. (Ball Bearing. Summit 500. Summit 583.)

под заказпо запросу
29504152072

BALL BEARING

под заказпо запросу
405408300

Шариковый подшипник. Summit 670. (Ball Bearing. Summit 670.)

под заказпо запросу
30504141800

Шайба (Washer)

под заказ410 руб.
31517078700

Шайба (Washer)

под заказ428 руб.
32504091600

CounterВал Удлинитель (Countershaft Extension)

под заказ694 руб.
33224081171

плоский Шайба 8.4 mm (Flat Washer 8.4 mm)

под заказ102 руб.
33234081410

WASHER-FLAT DIN.125A

под заказ130 руб.
34413701000

Loctite 767 Antiseize Lubricant, 12oz (Loctite 767 Antiseize Lubricant, 12oz)

под заказпо запросу
34293800023

LOCT.ANTI GRIP.*LOCT-ANTISEIZE

под заказ1910 руб.
35413703100

Loctite 609, 10cc (Loctite 609, 10cc)

под заказ2150 руб.
ski-doo

Время выполнения запроса 0.79323697090149 сек.


 
 

данный сайт носит информационный характер и не является публичной офертой

склад запчастей для водомоторной техники