вконтакте

Контактный телефон: +7 (981) 121-46-93, +7 (800) 200-90-76 , Email: parts-katalog@yandex.ru, где купить

 
 

  Логин:

Пароль:

Регистрация

www.partskatalog.ru Все каталоги Запчасти Mercury Запчасти Suzuki Запчасти Tohatsu Запчасти Honda Контакты



УВАЖАЕМЫЕ КЛИЕНТЫ!
C 19 ДЕКАБРЯ 2025 ПО 02 МАРТА 2026 ГОДА ОТДЕЛ ЗАПЧАСТЕЙ И СЕРВИС РАБОТАТЬ НЕ БУДУТ
ПРОДАЖА ЛОДОЧНЫХ МОТОРОВ В ШТАТНОМ РЕЖИМЕ
ОБ ИЗМЕНЕНИЯХ В ГРАФИКЕ РАБОТЫ ЧИТАЙТЕ НА САЙТА




Выбрать другую модель

назад Раздел:   вперёд

вернуться к списку узлов и деталей

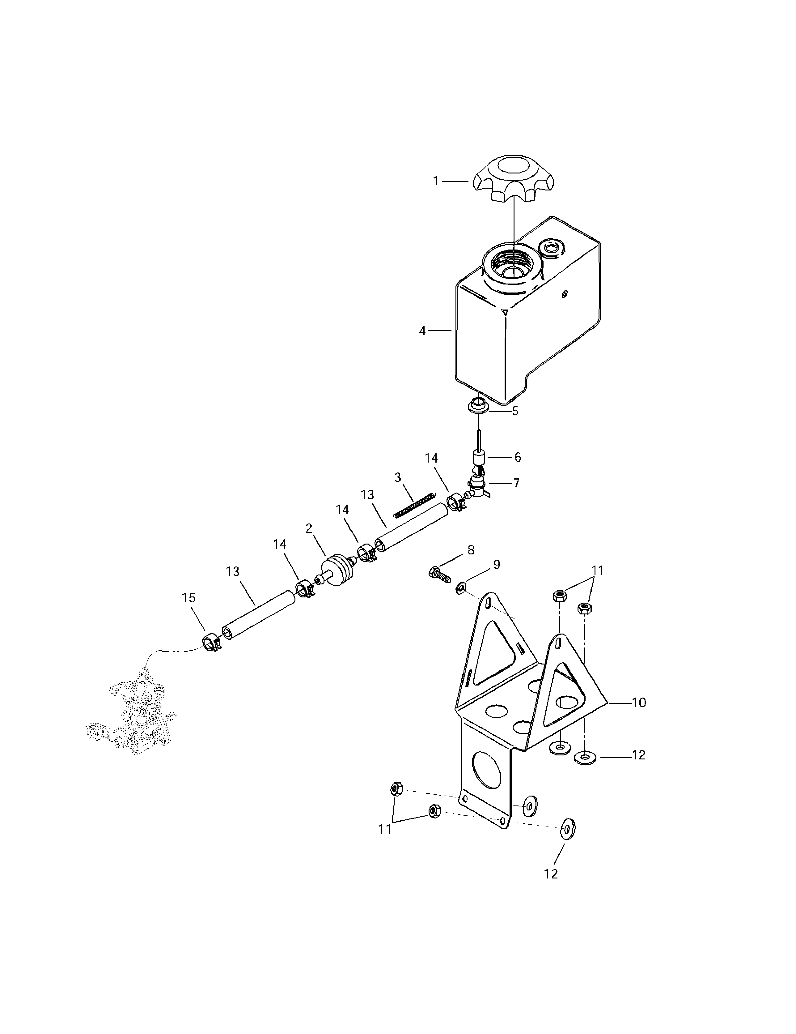
ДЕТАЛИРОВКА ДЛЯ МОДЕЛИ: SKIDOO Skandic 380/500, 1997

Раздел: Масляный бак и Sвышеport | Oil Tank And Support


Skidoo модель Skandic 380/500, 1997 - Масляный бак и Sвышеport

Номер на
рисунке
АртикулНаименованиеКол-во
на складе
Цена
1 572071000

Масляный бак Колпачок (Oil Tank Cap)

под заказ1930 руб.
1 519000044

BOUCHON *CAP

под заказ3350 руб.
1 07-288-01

     (не оригинальная запчасть) Крышка топливного/масляного бака BRP 07-288-01

под заказ660 руб.
2 414536500

Фильтр (Filter)

под заказ308 руб.
2 07-246-05

     (не оригинальная запчасть) Фильтр масляный универсальный 07-246-05

под заказ370 руб.
2 07-246-06

     (не оригинальная запчасть) Фильтр масляный BRP 07-246-06

под заказ470 руб.
2 07-246-08

     (не оригинальная запчасть) Масляный фильтр 07-246-08

под заказ470 руб.
3 414940300

Пружина (Spring)

под заказ234 руб.
4 572091600

Injection Масляный бак (Injection Oil Tank)

под заказпо запросу
4 572106700

RESERVOIR HUILE*TANK-OIL

под заказпо запросу
5 570023000

Пыльник (Grommet)

под заказ572 руб.
5 2890230

GROMMET (USE 570023000)

под заказ450 руб.
5 SM-07403

     (не оригинальная запчасть) Уплотнительная втулка масляного бачка BRP SM-07403

под заказ140 руб.
6 414681900

Поплавок (Float)

под заказпо запросу
6 2196819

KOHO SENSORILLE(USE 414681900)

под заказпо запросу
7 414681800

Oil Level Датчик (Oil Level Sensor)

под заказпо запросу
7 216818

OIL LEVEL SENSOR 414681800 BBD

под заказпо запросу
8 222061265

Шестигранный винт M6 x 12 (Hex. Screw M6 x 12)

под заказ102 руб.
8 207161244

SCREW-HEX.CAP DIN.933

под заказ130 руб.
9 224761110

Шайба с блокировкой 6 mm (Lock Washer 6 mm)

под заказ102 руб.
9 234161471

WASHER-LOCK BLACK DIN.127B

под заказ130 руб.
10517284700

Oil Резервуар Sвышеport (Oil Reservoir Support)

под заказпо запросу
11228561045

Эластичная гайка со стопором M6 (Elastic Stop Nut M6)

под заказ102 руб.
11232561414

NUT-STOP ELASTIC DIN.985

под заказ130 руб.
12414454400

Rubber Шайба (Rubber Washer)

под заказ308 руб.
12570123000

ENTRETOISE CAOU*SPACER-RUBBER

под заказпо запросу
13414533300

Oil Line 7.94 mm DiaПрибор (Oil Line 7.94 mm Diameter)

под заказ898 руб.
13415080700

BOYAU POLYURE *HOSE*POLYURETHANE

под заказ1150 руб.
14414415200

Пружина Зажим (Spring Clip)

под заказ138 руб.
15414420700

Пружина Зажим (Spring Clip)

под заказ138 руб.
1527414420700

SPRING CLIP 414420700

под заказ110 руб.
ski-doo

Время выполнения запроса 0.75494599342346 сек.


 
 

данный сайт носит информационный характер и не является публичной офертой

склад запчастей для водомоторной техники