| |
Выбрать другую модель
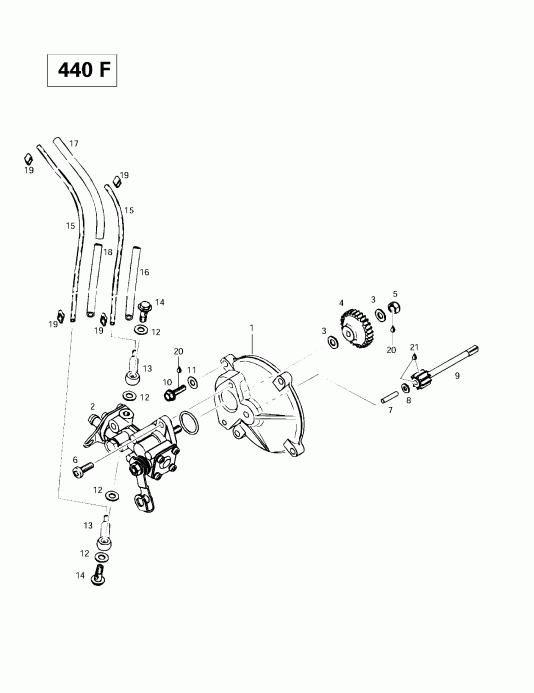
вернуться к списку узлов и деталей ДЕТАЛИРОВКА ДЛЯ МОДЕЛИ: SKIDOO MX Z 440 F/Z 583/Z 670 1997
Раздел: Oil Injection System (440f) | Oil Injection System (440f)
Номер на рисунке | Артикул | Наименование | Кол-во на складе | Цена |
| 1 | 420910160 | Помпа Креплениеing Фланец (Pump Mounting Flange) | под заказ | 5710 руб. |
| 1 | 910160 | MOUNTING PLATE (USE 420910160) | под заказ | 3400 руб. |
| 2 | 420887021 | Масляный насос в сборе (Oil Pump Assy) | под заказ | 14950 руб. |
| 2 | 420887998 | POMPE A HUILE *PUMP-OIL ASSY. | под заказ | 19120 руб. |
| 3 | 420927945 | Шайба (Washer) | под заказ | 284 руб. |
| 3 | 927945 | WASHER (USE 420927945) | под заказ | 230 руб. |
| 4 | 420935930 | Масляный насос Шестерня (27 Teeth) (Oil Pump Gear (27 Teeth)) | под заказ | 1050 руб. |
| 4 | 935930 | GEAR Z-27 (USE 420935930) | под заказ | 610 руб. |
| 5 | 228561045 | Hex. Elastic Гайка M6 (Hex. Elastic Nut M6) | под заказ | 102 руб. |
| 5 | 232561414 | NUT-STOP ELASTIC DIN.985 | под заказ | 130 руб. |
| 6 | 420841970 | Plastite Винт M5.5 x 16 (Plastite Screw M5.5 x 16) | под заказ | 335 руб. |
| 6 | 420841971 | SCREW | под заказ | 430 руб. |
| 7 | 420832260 | иголка Штифт (Needle Pin) | под заказ | 170 руб. |
| 8 | 420244073 | Шайба 4.3 (Washer 4.3) | под заказ | 138 руб. |
| 8 | 420244072 | WASHER-FLAT 4,3 | под заказ | 110 руб. |
| 9 | 420935970 | Шестерня (9 Teeth) (Gear (9 Teeth)) | под заказ | 1120 руб. |
| 9 | 935970 | GEAR Z-9(USE420935970) | под заказ | 720 руб. |
| 10 | 420941925 | Taptite Винт M5 x 16 (Taptite Screw M5 x 16) | под заказ | 284 руб. |
| 10 | 941925 | SCREW M5 X 16(USE 420941925) | под заказ | 230 руб. |
| 11 | 420945530 | Шайба (Washer) | под заказ | по запросу |
| 11 | 945530 | FRICTION WASHER (USE 420945530) | под заказ | по запросу |
| 12 | 404146600 | Прокладка Кольцо (Gasket Ring) | под заказ | 284 руб. |
| 12 | 420227500 | RONDELLE ETANCH*WASHER-SEAL | под заказ | 230 руб. |
| 13 | 420956010 | Обратный клапан в сборе (Check Valve Assy) | под заказ | 1720 руб. |
| 13 | 956010 | MALE TERMINAL ASSY (USE 420956010) | под заказ | 1350 руб. |
| 14 | 404146800 | Banjo Болт M6 x 16 (Banjo Bolt M6 x 16) | под заказ | 978 руб. |
| 14 | 290241830 | BOULON BANJO *BOLT-BANJO | под заказ | 340 руб. |
| 15 | 414413800 | Oil Line (Oil Line) | под заказ | 284 руб. |
| 15 | 414124500 | TUYAU AERATION *TUBE-AIR VENT | под заказ | 230 руб. |
| 16 | 420960750 | Isolating Шланг 90 mm (Isolating Hose 90 mm) | под заказ | по запросу |
| 17 | 420960729 | Isolating Шланг 150 mm (Isolating Hose 150 mm) | под заказ | 559 руб. |
| 17 | 276000048 | BOYAU 6MM. *HOSE-6MM. | под заказ | 720 руб. |
| 18 | 420960728 | Isolating Шланг 120 mm (Isolating Hose 120 mm) | под заказ | 308 руб. |
| 19 | 420853840 | Струбцина (Clamp) | под заказ | 308 руб. |
| 19 | 853840 | CLAMP (USE 420853840) | под заказ | 140 руб. |
| 20 | 413703000 | Loctite 242, 10 c.c (Loctite 242, 10 c.c) | под заказ | 1680 руб. |
| 20 | 293800060 | LOCTITE 243 *LOCTITE-243 | под заказ | 2150 руб. |
| 21 | 413707000 | Molykote 111 (Molykote 111) | под заказ | 5600 руб. |
| 21 | 420897161 | MOLYKOTE 111 *MOLYKOTE-111 | под заказ | по запросу |

Время выполнения запроса 1.5621559619904 сек.
|
|