вконтакте

Контактный телефон: +7 (981) 121-46-93, +7 (800) 200-90-76 , Email: parts-katalog@yandex.ru, где купить

 
 

  Логин:

Пароль:

Регистрация

www.partskatalog.ru Все каталоги Запчасти Mercury Запчасти Suzuki Запчасти Tohatsu Запчасти Honda Контакты



УВАЖАЕМЫЕ КЛИЕНТЫ!
C 19 ДЕКАБРЯ 2025 ПО 02 МАРТА 2026 ГОДА ОТДЕЛ ЗАПЧАСТЕЙ И СЕРВИС РАБОТАТЬ НЕ БУДУТ
ПРОДАЖА ЛОДОЧНЫХ МОТОРОВ В ШТАТНОМ РЕЖИМЕ
ОБ ИЗМЕНЕНИЯХ В ГРАФИКЕ РАБОТЫ ЧИТАЙТЕ НА САЙТА




Выбрать другую модель

назад Раздел:   вперёд

вернуться к списку узлов и деталей

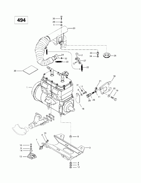
ДЕТАЛИРОВКА ДЛЯ МОДЕЛИ: SKIDOO Grand Touring 500/583, 1997

Раздел: Двигатель Sвышеport и Muffler (494) | Engine Support And Muffler (494)


снегоход Skidoo модификация Grand Touring 500/583, 1997 - Двигатель Sвышеport и Muffler (494)

Номер на
рисунке
АртикулНаименованиеКол-во
на складе
Цена
1 400408200

<<494>> Двигатель. Grand TouКольцо 500. (<<494>> Engine. Grand Touring 500.)

под заказпо запросу
2 514048200

Rubber Bumber. Grand TouКольцо 500. (Rubber Bumber. Grand Touring 500.)

под заказ594 руб.
3 512054400

Двигатель Sвышеport. Grand TouКольцо 500. (Engine Support. Grand Touring 500.)

под заказпо запросу
3 512050700

SOCLE *SUPPORT-ENGINE

под заказпо запросу
4 224001211

Шайба 10 mm. Grand TouКольцо 500. (Washer 10 mm. Grand Touring 500.)

под заказ222 руб.
4 234001410

WASHER-FLAT DIN.125A

под заказ290 руб.
5 224080251

Шайба 8 mm. Grand TouКольцо 500. (Washer 8 mm. Grand Touring 500.)

под заказ206 руб.
5 234082410

WASHER-FLAT DIN.9021B

под заказ270 руб.
6 503128100

Проставка. Grand TouКольцо 500. (Spacer. Grand Touring 500.)

под заказ487 руб.
7 570127700

Монтажная резинка. Grand TouКольцо 500. (Rubber Mount. Grand Touring 500.)

под заказ2440 руб.
7 570128700

TAMPON ANCRAGE *MOUNT-RUBBER

под заказ4070 руб.
7 09-217

     (не оригинальная запчасть) Опора (подушка) двигателя BRP 09-217

под заказ760 руб.
8 224761110

Шайба с блокировкой 6 mm. Grand TouКольцо 500. (Lock Washer 6 mm. Grand Touring 500.)

под заказ102 руб.
8 234161471

WASHER-LOCK BLACK DIN.127B

под заказ130 руб.
9 224701188

Шайба с блокировкой 10 mm. Grand TouКольцо 500. (Lock Washer 10 mm. Grand Touring 500.)

под заказ222 руб.
9 234100602

WASHER-LOCK SPRING DIN.128A-A2

под заказ290 руб.
10228501045

Elastic Гайка M10. Grand TouКольцо 500. (Elastic Nut M10. Grand Touring 500.)

под заказпо запросу
10702000009

ECROU *NUT

под заказпо запросу
11732610019

Гайка Hex. Jam M12. Grand TouКольцо 500. (Nut Hex. Jam M12. Grand Touring 500.)

под заказ242 руб.
12228001045

Hex. Гайка M10. Grand TouКольцо 500. (Hex. Nut M10. Grand Touring 500.)

под заказпо запросу
12701000377

ECROU *NUT

под заказпо запросу
13512050900

Sвышеport. Grand TouКольцо 500. (Support. Grand Touring 500.)

под заказ745 руб.
14512056700

Шайба с блокировкой. Grand TouКольцо 500. (Lock Washer. Grand Touring 500.)

под заказ548 руб.
14517168000

RONDELLE-FREIN *WASHER-LOCK

под заказ430 руб.
15222002565

Шестигранный винт M10 x 25. Grand TouКольцо 500. (Hex. Screw M10 x 25. Grand Touring 500.)

под заказ222 руб.
15207102544

SCREW-HEX.CAP ISO.4017

под заказ290 руб.
16512052900

Стопор Пластина. Grand TouКольцо 500. (Stopper Plate. Grand Touring 500.)

под заказпо запросу
17222061665

Шестигранный винт M6 x 16. Grand TouКольцо 500. (Hex. Screw M6 x 16. Grand Touring 500.)

под заказпо запросу
17702000778

VIS *BOLT

под заказпо запросу
18512055600

Sвышеport Пластина. Grand TouКольцо 500. (Support Plate. Grand Touring 500.)

под заказпо запросу
19222082565

Шестигранный винт M8 x 25. Grand TouКольцо 500. (Hex. Screw M8 x 25. Grand Touring 500.)

под заказ222 руб.
19207182544

SCREW-HEX.CAP DIN.933

под заказ290 руб.
20224081171

плоский Шайба. Grand TouКольцо 500. (Flat Washer. Grand Touring 500.)

под заказ102 руб.
20234081410

WASHER-FLAT DIN.125A

под заказ130 руб.
21228581045

Эластичная гайка со стопором M8. Grand TouКольцо 500. (Elastic Stop Nut M8. Grand Touring 500.)

под заказ106 руб.
21232581414

NUT-STOP ELASTIC DIN.985

под заказ140 руб.
22414893700

Пружина. Grand TouКольцо 500. (Spring. Grand Touring 500.)

под заказ358 руб.
22415107100

RESSORT *SPRING

под заказ460 руб.
22SM-02007

     (не оригинальная запчасть) Пружина крепления глушителя BRP SM-02007

под заказ280 руб.
23514048400

Muffler. Includes 23 - 24. Grand TouКольцо 500. (Muffler. Includes 23 - 24. Grand Touring 500.)

под заказпо запросу
24420879991

Female Шаровое соединение. Grand TouКольцо 500. (Female Ball Joint. Grand Touring 500.)

под заказ1050 руб.
24420879990

ROTULE FEMELLE *JOINT-FEMALE

под заказ830 руб.
25570039000

Выхлоп Шайба. Grand TouКольцо 500. (Exhaust Washer. Grand Touring 500.)

под заказ1570 руб.
25570035600

RONDELLE ECHAPP*GROMMET-EXHAUS

под заказ1220 руб.
26512052400

Винт. Grand TouКольцо 500. (Screw. Grand Touring 500.)

под заказпо запросу
27514048600

Muffler Sвышеport. Grand TouКольцо 500. (Muffler Support. Grand Touring 500.)

под заказпо запросу
28570045400

Стопор. Grand TouКольцо 500. (Stopper. Grand Touring 500.)

под заказпо запросу
29224781140

Шайба Lock 8 mm. Grand TouКольцо 500. (Washer Lock 8 mm. Grand Touring 500.)

под заказ108 руб.
29234181401

WASHER-LOCK DIN*.127B

под заказ140 руб.
30415064900

Reflective Sheet. Grand TouКольцо 500. (Reflective Sheet. Grand Touring 500.)

под заказ1350 руб.
31413707400

Loctite 271, 10 cc. Grand TouКольцо 500. (Loctite 271, 10 cc. Grand Touring 500.)

под заказ1680 руб.
31293800005

LOCTITE 271 *LOCTITE-271

под заказ2150 руб.
32413710300

Сальникant, Loctite 17914, 80 ml. Grand TouКольцо 500. (Sealant, Loctite 17914, 80 ml. Grand Touring 500.)

под заказ1570 руб.
32293800090

ENDUIT ETANCHE *SEALANT

под заказ2010 руб.
33570016100

Монтажная резинка. Grand TouКольцо 500. (Rubber Mount. Grand Touring 500.)

под заказпо запросу
33514052838

TAMPON ANCRAGE *MOUNT-RUBBER

под заказпо запросу
34228781045

Гайка Фланецd elastic M8. Grand TouКольцо 500. (Nut Flanged elastic M8. Grand Touring 500.)

под заказ222 руб.
34233281414

NUT-FLANGE ELASTIC DIN.6926

под заказ290 руб.
35222081265

Винт Hex. M8 x 12. Grand TouКольцо 500. (Screw Hex. M8 x 12. Grand Touring 500.)

под заказпо запросу
35207181244

SCREW-HEX.CAP DIN.933

под заказпо запросу
ski-doo

Время выполнения запроса 2.4975888729095 сек.


 
 

данный сайт носит информационный характер и не является публичной офертой

склад запчастей для водомоторной техники