| |
Выбрать другую модель
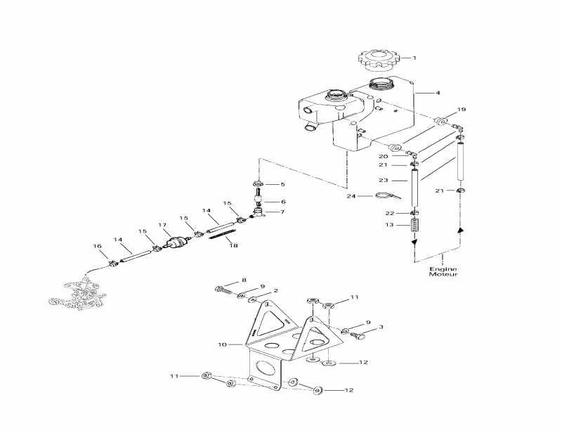
вернуться к списку узлов и деталей ДЕТАЛИРОВКА ДЛЯ МОДЕЛИ: SKIDOO Formula Z, 1997
Раздел: Масляный бак и Sвышеport | Oil Tank And Support
Номер на рисунке | Артикул | Наименование | Кол-во на складе | Цена |
| 1 | 572071000 | Масляный бак Колпачок (Oil Tank Cap) | под заказ | 1930 руб. |
| 1 | 519000044 | BOUCHON *CAP | под заказ | 3350 руб. |
| 1 | 07-288-01 | (не оригинальная запчасть) Крышка топливного/масляного бака BRP 07-288-01 | под заказ | 660 руб. |
| 2 | 224061121 | Шайба (Washer) | под заказ | 138 руб. |
| 2 | 702000112 | RONDELLE *WASHER | под заказ | 110 руб. |
| 3 | 222061065 | Винт Hex. M6 x 10 (Screw Hex. M6 x 10) | под заказ | 102 руб. |
| 3 | 207161044 | SCREW-HEX.CAP DIN.933 | под заказ | 130 руб. |
| 4 | 572076900 | Injection Масляный бак (Injection Oil Tank) | под заказ | 7330 руб. |
| 4 | 519000034 | RESERVOIR HUILE*TANK-OIL | под заказ | 7980 руб. |
| 5 | 570023000 | Пыльник (Grommet) | под заказ | 572 руб. |
| 5 | 2890230 | GROMMET (USE 570023000) | под заказ | 450 руб. |
| 5 | SM-07403 | (не оригинальная запчасть) Уплотнительная втулка масляного бачка BRP SM-07403 | под заказ | 140 руб. |
| 6 | 414681900 | Поплавок (Float) | под заказ | по запросу |
| 6 | 2196819 | KOHO SENSORILLE(USE 414681900) | под заказ | по запросу |
| 7 | 414681800 | Oil Level Датчик (Oil Level Sensor) | под заказ | по запросу |
| 7 | 216818 | OIL LEVEL SENSOR 414681800 BBD | под заказ | по запросу |
| 8 | 222061265 | Шестигранный винт M6 x 12 (Hex. Screw M6 x 12) | под заказ | 102 руб. |
| 8 | 207161244 | SCREW-HEX.CAP DIN.933 | под заказ | 130 руб. |
| 9 | 224761110 | Шайба с блокировкой 6 mm (Lock Washer 6 mm) | под заказ | 102 руб. |
| 9 | 234161471 | WASHER-LOCK BLACK DIN.127B | под заказ | 130 руб. |
| 10 | 517278900 | Oil Резервуар Sвышеport (Oil Reservoir Support) | под заказ | по запросу |
| 11 | 228561045 | Hex. Гайка M6 (Hex. Nut M6) | под заказ | 102 руб. |
| 11 | 232561414 | NUT-STOP ELASTIC DIN.985 | под заказ | 130 руб. |
| 12 | 414454400 | Rubber Шайба (Rubber Washer) | под заказ | 308 руб. |
| 12 | 570123000 | ENTRETOISE CAOU*SPACER-RUBBER | под заказ | по запросу |
| 13 | 415044100 | Пружина (Spring) | под заказ | 301 руб. |
| 14 | 414533300 | Oil Line 7.94 mm DiaПрибор (Oil Line 7.94 mm Diameter) | под заказ | 898 руб. |
| 14 | 415080700 | BOYAU POLYURE *HOSE*POLYURETHANE | под заказ | 1150 руб. |
| 15 | 414415200 | Пружина Зажим (Spring Clip) | под заказ | 138 руб. |
| 16 | 414420700 | Пружина Зажим (Spring Clip) | под заказ | 138 руб. |
| 16 | 27414420700 | SPRING CLIP 414420700 | под заказ | 110 руб. |
| 17 | 414536500 | Фильтр (Filter) | под заказ | 308 руб. |
| 17 | 07-246-05 | (не оригинальная запчасть) Фильтр масляный универсальный 07-246-05 | под заказ | 370 руб. |
| 17 | 07-246-06 | (не оригинальная запчасть) Фильтр масляный BRP 07-246-06 | под заказ | 470 руб. |
| 17 | 07-246-08 | (не оригинальная запчасть) Масляный фильтр 07-246-08 | под заказ | 470 руб. |
| 18 | 414940300 | Пружина (Spring) | под заказ | 234 руб. |
| 19 | 570273900 | Пыльник (Grommet) | под заказ | 978 руб. |
| 19 | 707800347 | PASSE-FILS *GROMMET | под заказ | 1150 руб. |
| 19 | SM-07402 | (не оригинальная запчасть) Втулка топливной системы BRP SM-07402 | под заказ | 140 руб. |
| 20 | 414523600 | Elbow Ftting 90 Deg (Elbow Ftting 90 Deg) | под заказ | 428 руб. |
| 20 | 28414523600 | FITT ING-ELBOW | под заказ | 340 руб. |
| 21 | 414655700 | Пружина Зажим (Spring Clip) | под заказ | 138 руб. |
| 21 | 27414655700 | SPRING CLAMP | под заказ | 110 руб. |
| 22 | 408801100 | Пружина Зажим (Spring Clip) | под заказ | 321 руб. |
| 22 | 408800300 | BRIDE *CLAMP | под заказ | 300 руб. |
| 23 | XXX | Oil Line (Oil Line) |
| 24 | 414115200 | Tie Rap (Tie Rap) | под заказ | 130 руб. |
| 24 | 414587300 | TIE RAP *TIE-RAP | под заказ | 110 руб. |

Время выполнения запроса 1.6382110118866 сек.
|
|