вконтакте

Контактный телефон: +7 (981) 121-46-93, +7 (800) 200-90-76 , Email: parts-katalog@yandex.ru, где купить

 
 

  Логин:

Пароль:

Регистрация

www.partskatalog.ru Все каталоги Запчасти Mercury Запчасти Suzuki Запчасти Tohatsu Запчасти Honda Контакты



УВАЖАЕМЫЕ КЛИЕНТЫ!
C 19 ДЕКАБРЯ 2025 ПО 02 МАРТА 2026 ГОДА ОТДЕЛ ЗАПЧАСТЕЙ И СЕРВИС РАБОТАТЬ НЕ БУДУТ
ПРОДАЖА ЛОДОЧНЫХ МОТОРОВ В ШТАТНОМ РЕЖИМЕ
ОБ ИЗМЕНЕНИЯХ В ГРАФИКЕ РАБОТЫ ЧИТАЙТЕ НА САЙТА




Выбрать другую модель

назад Раздел:   вперёд

вернуться к списку узлов и деталей

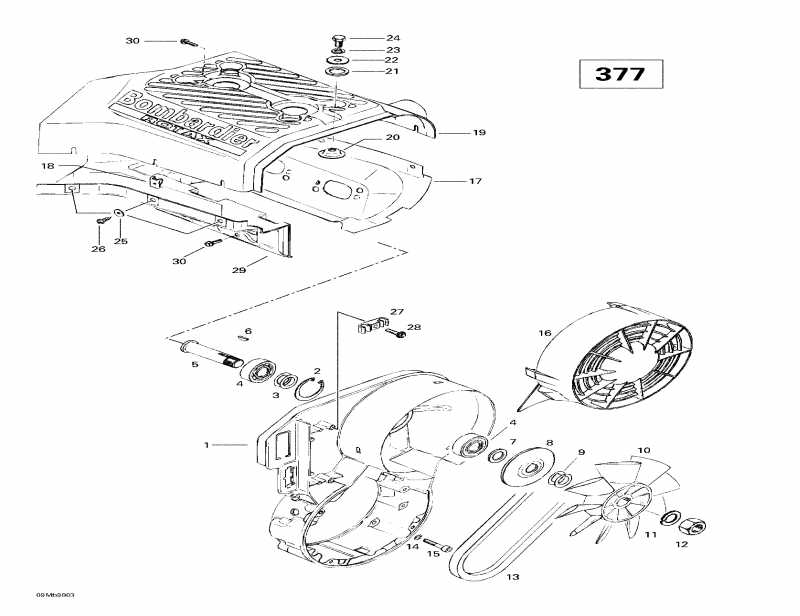
ДЕТАЛИРОВКА ДЛЯ МОДЕЛИ: SKIDOO Touring E, 1998

Раздел: Охлаждение System Fan (377) | Cooling System Fan (377)


Touring E, 1998 раздел - Cooling System Fan (377)

Номер на
рисунке
АртикулНаименованиеКол-во
на складе
Цена
1 420811260

Fan Корпус. TouКольцо E. (Fan Housing. Touring E.)

под заказпо запросу
1 420912996

LOGEMENT VENT. *HOUSING-FAN

под заказпо запросу
2 420945880

Стопорное кольцо. TouКольцо E. (Retaining Ring. Touring E.)

под заказ308 руб.
2 945880

LOCK RING (USE420945880)

под заказ140 руб.
3 420244585

Регулировочная шайба. TouКольцо E. (Shim. Touring E.)

под заказ130 руб.
3 244585

VALILEVY 17.5/24/1.0

под заказ140 руб.
4 405406100

Шариковый подшипник 6203. TouКольцо E. (Ball Bearing 6203. Touring E.)

под заказпо запросу
4 832160

BEARING (USE 405406100)

под заказпо запросу
4 6203DDUC3E NS7S5

     (не оригинальная запчасть) Подшипник 6203DDUC3E (6203DDUC3E NS7S5)

под заказ300 руб.
4 6203DDUC3E & NS7SX

     (не оригинальная запчасть) Подшипник 6203DDUC3E (6203DDUC3E & NS7SX)

под заказ440 руб.
5 420937940

Fan Вал. TouКольцо E. (Fan Shaft. Touring E.)

под заказпо запросу
5 937940

TUULETTIMEN AKSELI

под заказпо запросу
6 420246015

Шпонка. TouКольцо E. (Woodruff Key. Touring E.)

под заказ223 руб.
6 420246011

CLAVETTE *KEY-WOODRUFF

под заказ140 руб.
7 420827650

Distance Гильза. TouКольцо E. (Distance Sleeve. Touring E.)

под заказ832 руб.
7 827650

HYLSY 17,3/28/2,8

под заказ830 руб.
8 420980496

Фланец. TouКольцо E. (Flange. Touring E.)

под заказ978 руб.
8 980495

BELT PLATE (USE 420980495)

под заказ550 руб.
9 420827080

Регулировочная шайба 0.5 mm. TouКольцо E. (Shim 0.5 mm. Touring E.)

под заказ284 руб.
9 827080

TASAUSLEVY 17.5/27/0.5

под заказ230 руб.
420827082

Регулировочная шайба 0.2 mm. TouКольцо E. (Shim 0.2 mm. Touring E.)

под заказ223 руб.
827082

ADJUSTMENT PLATE 17.7 (K.420827082)

под заказ140 руб.
10420866295

Fan. TouКольцо E. (Fan. Touring E.)

под заказ5050 руб.
10866295

TUULETIN (USE 420866295)

под заказ3950 руб.
11420945756

Шайба с блокировкой 16 mm. TouКольцо E. (Lock Washer 16 mm. Touring E.)

под заказ223 руб.
11945756

JOUSIRENGAS (USE 420945756)

под заказ140 руб.
12420942285

Hex. Гайка M16 x 1.5. TouКольцо E. (Hex. Nut M16 x 1.5. Touring E.)

под заказ441 руб.
12942285

NUT (USE 420942285)

под заказ410 руб.
13414630700

Клиновидный ремень. TouКольцо E. (V-Belt. Touring E.)

под заказ1850 руб.
13980436

V-BELT Z 23(USE 414630700)

под заказ1030 руб.
14420945751

Шайба с блокировкой 6 mm. TouКольцо E. (Lock Washer 6 mm. Touring E.)

под заказ138 руб.
14540802026

RONDELLE-FREIN *WASHER-LOCK

под заказ110 руб.
15222963065

Allen Винт M6 x 30. TouКольцо E. (Allen Screw M6 x 30. Touring E.)

под заказ222 руб.
15205063044

SCREW-SOCKET HD.DIN.912

под заказ290 руб.
16420975740

Крышка вентилятора. TouКольцо E. (Fan Cover. Touring E.)

под заказ1340 руб.
16975740

FAN COVER , RITILA (USE 420975740)

под заказ1230 руб.
17420810552

Цилиндр Cowl (Выхлоп Side) TouКольцо E. (Cylinder Cowl (Exhaust Side). Touring E.)

под заказпо запросу
18417300005

Пружина Гайка V 4.8. TouКольцо E. (Spring Nut V 4.8. Touring E.)

под заказ308 руб.
19420810607

Цилиндр Cowl в сборе. TouКольцо E. (Cylinder Cowl Assy. Touring E.)

под заказпо запросу
19420810608

DEFLECTEUR CYL.*COWL-CYL.

под заказпо запросу
20420827817

Cвыше Шайба. TouКольцо E. (Cup Washer. Touring E.)

под заказ978 руб.
21420960865

Rubber Шайба. TouКольцо E. (Rubber Washer. Touring E.)

под заказ146 руб.
21960865

RUBBER RING (USE 420960865)

под заказ140 руб.
22420227935

Шайба 8.4 mm. TouКольцо E. (Washer 8.4 mm. Touring E.)

под заказ365 руб.
23420945752

Шайба с блокировкой 8 mm. TouКольцо E. (Lock Washer 8 mm. Touring E.)

под заказ118 руб.
23402001600

RONDELLE-FREIN *WASHER-LOCK#8

под заказ110 руб.
24222081665

Шестигранный винт M8 x 16. TouКольцо E. (Hex. Screw M8 x 16. Touring E.)

под заказ222 руб.
24207181644

SCREW-HEX.CAP DIN.933

под заказ290 руб.
25420926180

Шайба. TouКольцо E. (Washer. Touring E.)

под заказ138 руб.
26420841495

Self-Саморез M4.8 x 16. TouКольцо E. (Self-Tapping Screw M4.8 x 16. Touring E.)

под заказ168 руб.
26417300006

SCREW-TAPPING 4,8 X 16

под заказ60 руб.
27420860940

Струбцина. TouКольцо E. (Clamp. Touring E.)

под заказ348 руб.
28420941250

Taptite Винт M6 x 20. TouКольцо E. (Taptite Screw M6 x 20. Touring E.)

под заказ375 руб.
29420810795

Цилиндр Cowl (Система впуска Side) TouКольцо E. (Cylinder Cowl (Intake Side). Touring E.)

под заказпо запросу
29420810797

DEFLECTEUR CYL.*COWL-CYL.

под заказпо запросу
30XXX

Винт. TouКольцо E. (Screw. Touring E.)

ski-doo

Время выполнения запроса 5.0248560905457 сек.


 
 

данный сайт носит информационный характер и не является публичной офертой

склад запчастей для водомоторной техники