вконтакте

Контактный телефон: +7 (981) 121-46-93, +7 (800) 200-90-76 , Email: parts-katalog@yandex.ru, где купить

 
 

  Логин:

Пароль:

Регистрация

www.partskatalog.ru Все каталоги Запчасти Mercury Запчасти Suzuki Запчасти Tohatsu Запчасти Honda Контакты



УВАЖАЕМЫЕ КЛИЕНТЫ!
C 19 ДЕКАБРЯ 2025 ПО 02 МАРТА 2026 ГОДА ОТДЕЛ ЗАПЧАСТЕЙ И СЕРВИС РАБОТАТЬ НЕ БУДУТ
ПРОДАЖА ЛОДОЧНЫХ МОТОРОВ В ШТАТНОМ РЕЖИМЕ
ОБ ИЗМЕНЕНИЯХ В ГРАФИКЕ РАБОТЫ ЧИТАЙТЕ НА САЙТА




Выбрать другую модель

назад Раздел:   вперёд

вернуться к списку узлов и деталей

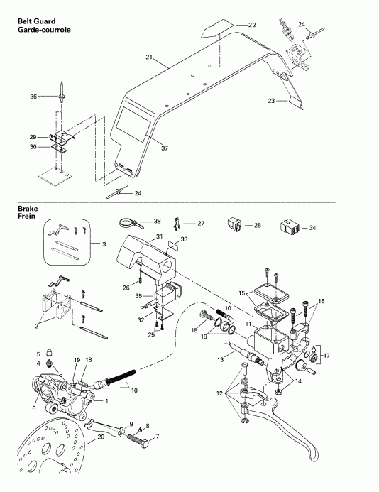
ДЕТАЛИРОВКА ДЛЯ МОДЕЛИ: SKIDOO Skandic 380/500, 1998

Раздел: Hydraulic тормоз и Belt Guard | Hydraulic Brake And Belt Guard


snowmobile  Skandic 380/500, 1998 раздел - Hydraulic тормоз и Belt Guard

Номер на
рисунке
АртикулНаименованиеКол-во
на складе
Цена
1 415034500

Caliper. Includes 1 - 6. Skandic 500. (Caliper. Includes 1 - 6. Skandic 500.)

под заказ21000 руб.
1 507032412

ETRIER *CALIPER

под заказ22900 руб.
2 415053600

тормоз Lining Kit. Skandic 500. (Brake Lining Kit. Skandic 500.)

под заказ5280 руб.
2 415129172

ENS.GARNITURES *KIT-PADS BRAKE

17 шт5140 руб.
1500 руб.
2 SM-05059

     (не оригинальная запчасть) Тормозные колодки BRP SM-05059

под заказ2 440 руб.
2 SM-05059F

     (не оригинальная запчасть) Тормозные колодки BRP SM-05059F

под заказ3 850 руб.
3 414990700

Kit (Штифтs, Фиксаторs, Пружина) Skandic 500. (Kit(Pins, Retainers, Spring). Skandic 500.)

под заказ2920 руб.
4 414989800

Винт-Bleeder. Skandic 500. (Screw-Bleeder. Skandic 500.)

под заказ1610 руб.
5 414989700

Boot. Skandic 500. (Boot. Skandic 500.)

под заказ2340 руб.
6 414989900

Трубка. Skandic 500. (Tube. Skandic 500.)

под заказ2380 руб.
7 222003565

Шестигранный винт M10 x 35. Skandic 500. (Hex. Screw M10 x 35. Skandic 500.)

под заказ222 руб.
7 207103544

SCREW-HEX.CAP ISO.4017

под заказ290 руб.
8 413703000

Loctite 242, 10cc. Skandic 500. (Loctite 242, 10cc. Skandic 500.)

под заказ1680 руб.
8 293800060

LOCTITE 243 *LOCTITE-243

под заказ2150 руб.
9 507029900

Locking Tab. Skandic 500. (Locking Tab. Skandic 500.)

под заказ131 руб.
9 507032316

FREIN DE VIS *LOCK-TAB

под заказ170 руб.
10415034700

Шланг. Skandic 500. (Hose. Skandic 500.)

под заказпо запросу
10507032212

BOYAU *HOSE

под заказпо запросу
11415034600

Master Цилиндр. Includes 11 - 17. Skandic 500. (Master Cylinder. Includes 11 - 17. Skandic 500.)

под заказпо запросу
11414967100

MAITRE CYLINDRE*MASTER-CYLIND.

под заказпо запросу
12415075300

Рычаг в сборе. Skandic 500. (Lever Assy. Skandic 500.)

под заказ3970 руб.
12507032428

LEVIER *LEVER

под заказ6070 руб.
13415030100

MicroПереключатель в сборе. Skandic 500. (Microswitch Assy. Skandic 500.)

под заказ3700 руб.
13507032366

MICROSWITCH

под заказ5210 руб.
1301-280-01

     (не оригинальная запчасть) Выключатель стоп-сигнала BRP 01-280-01

под заказ1 060 руб.
14415030000

Болт и Гайка в сборе. Skandic 500. (Bolt and Nut Assy. Skandic 500.)

под заказ1290 руб.
14507032280

AXE *PIN

под заказ970 руб.
15415029900

Крышка. Skandic 500. (Cover. Skandic 500.)

под заказ3000 руб.
16415029800

Струбцина в сборе. Skandic 500. (Clamp Assy. Skandic 500.)

под заказ1570 руб.
16507032477

BRIDE *CLAMP

под заказ2010 руб.
17414990600

Window. Skandic 500. (Window. Skandic 500.)

под заказ1120 руб.
18414920500

Болт. Skandic 500. (Bolt. Skandic 500.)

под заказ731 руб.
19414920600

Шайба. Skandic 500. (Washer. Skandic 500.)

под заказ284 руб.
20507031400

тормоз Disk в сборе. Skandic 500. (Brake Disk Assy. Skandic 500.)

под заказ11020 руб.
20507032458

DISQUE USINE *DISK-BRAKE MACH.

под заказ14100 руб.
21517285400

Belt Guard в сборе. Includes 21 - 24. Skandic 500. (Belt Guard Assy. Includes 21 - 24. Skandic 500.)

под заказпо запросу
22415028900

Наклейка - предупреждение. Skandic 500. (Warning Decal. Skandic 500.)

под заказпо запросу
23414941800

Инструмент Box Пружина. Skandic 500. (Tool Box Spring. Skandic 500.)

под заказ236 руб.
24390402200

Заклёпка. Skandic 500. (Rivet. Skandic 500.)

под заказ138 руб.
25414473200

Self Саморез. Skandic 500. (Self Tapping Screw. Skandic 500.)

под заказ222 руб.
25211000098

SCREW-THREAD CUT.PH.PAN TYPE25

под заказ290 руб.
26414440800

Установочный винт. Skandic 500. (Set Screw. Skandic 500.)

под заказ290 руб.
26114144408

SCREW

под заказ220 руб.
27409206100

Tab. Skandic 500. (Tab. Skandic 500.)

под заказ447 руб.
27409210000

COSSE MALE *TERMINAL-MALE

под заказ580 руб.
28409204200

Корпус Tab. Skandic 500. (Housing Tab. Skandic 500.)

под заказ572 руб.
29518314200

Шкив Guard Кронштейн. Skandic 500. (Pulley Guard Bracket. Skandic 500.)

под заказ236 руб.
30518207500

Reinдляcement Пластина. Skandic 500. (Reinforcement Plate. Skandic 500.)

под заказ383 руб.
31572079500

Корпус Dimmer Переключатель. Skandic 500. (Housing Dimmer switch. Skandic 500.)

под заказ1180 руб.
32517283800

Корпус Пластина. Skandic 500. (Housing Plate. Skandic 500.)

под заказ406 руб.
33415025500

Переключатель Наклейка. Skandic 500. (Switch Decal. Skandic 500.)

под заказ426 руб.
34409209300

Корпус Tab. Skandic 500. (Housing Tab. Skandic 500.)

под заказ540 руб.
35515163100

Light Переключатель. Skandic 500. (Light Switch. Skandic 500.)

под заказ3130 руб.
35515175423

COMMUTATEUR *SWITCH

под заказ3410 руб.
3501-120-36

     (не оригинальная запчасть) Переключатель света BRP/Polaris/Yamaha 01-120-36

под заказ2 310 руб.
36390402200

Заклёпка. Skandic 500. (Rivet. Skandic 500.)

под заказ138 руб.
37418001702

Adjustment Наклейка (Задняя подвеска) (Adjustment Decal (Rear Suspension))

под заказпо запросу
37516001640

DECAL-AJUST.

под заказпо запросу
38414115200

Tie Rap. Skandic 500. (Tie Rap. Skandic 500.)

под заказ130 руб.
38414587300

TIE RAP *TIE-RAP

под заказ110 руб.
ski-doo

Время выполнения запроса 1.4879069328308 сек.


 
 

данный сайт носит информационный характер и не является публичной офертой

склад запчастей для водомоторной техники