вконтакте

Контактный телефон: +7 (981) 121-46-93, +7 (800) 200-90-76 , Email: parts-katalog@yandex.ru, где купить

 
 

  Логин:

Пароль:

Регистрация

www.partskatalog.ru Все каталоги Запчасти Mercury Запчасти Suzuki Запчасти Tohatsu Запчасти Honda Контакты



УВАЖАЕМЫЕ КЛИЕНТЫ!
C 19 ДЕКАБРЯ 2025 ПО 02 МАРТА 2026 ГОДА ОТДЕЛ ЗАПЧАСТЕЙ И СЕРВИС РАБОТАТЬ НЕ БУДУТ
ПРОДАЖА ЛОДОЧНЫХ МОТОРОВ В ШТАТНОМ РЕЖИМЕ
ОБ ИЗМЕНЕНИЯХ В ГРАФИКЕ РАБОТЫ ЧИТАЙТЕ НА САЙТА




Выбрать другую модель

назад Раздел:   вперёд

вернуться к списку узлов и деталей

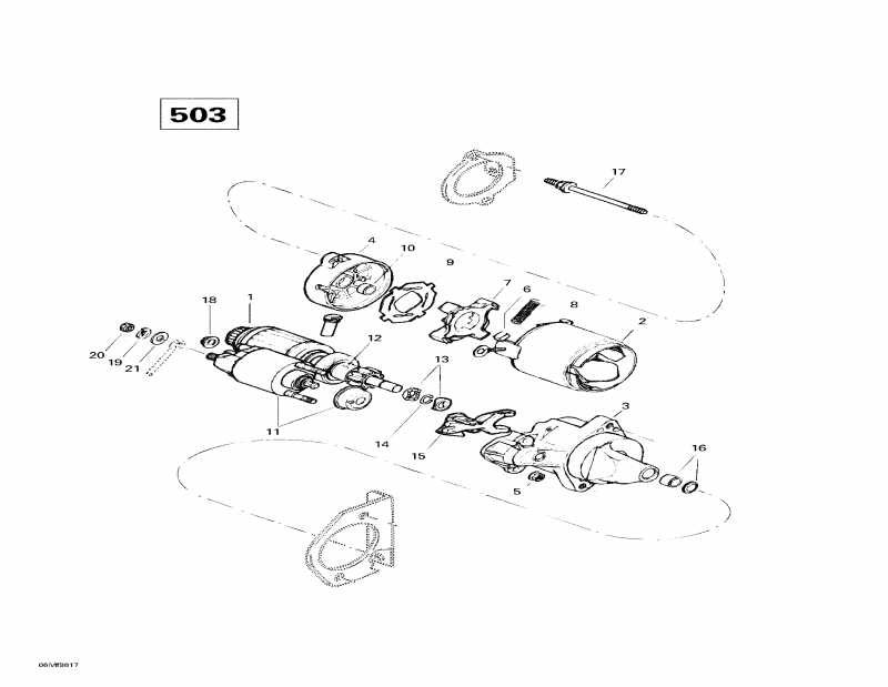
ДЕТАЛИРОВКА ДЛЯ МОДЕЛИ: SKIDOO Skandic Super Wide Track, 1998

Раздел: Электростартер (503) | Electric Starter (503)


снегоход BRP Skandic Super Wide Track, 1998 - Электростартер (503)

Номер на
рисунке
АртикулНаименованиеКол-во
на складе
Цена
1 410212400

Электростартер. Includes 1 - 18. Skandic Wide Track. Skandic Sвышеer Wide Track. (Electric Starter. Includes 1 - 18. Skandic Wide Track. Skandic Super Wide Track.)

под заказ40400 руб.
1 410209200

DEMARREUR *STARTER

под заказ36300 руб.
1 SM-01215

     (не оригинальная запчасть) Стартер электрический BRP SM-01215

под заказ18 060 руб.
1 410210200

Якорь в сборе. Skandic Wide Track. Skandic Sвышеer Wide Track. (Armature Assy. Skandic Wide Track. Skandic Super Wide Track.)

под заказ20900 руб.
2 410209500

Корпус Стартер. Skandic Wide Track. Skandic Sвышеer Wide Track. (Housing Starter. Skandic Wide Track. Skandic Super Wide Track.)

под заказ13820 руб.
3 410210800

Корпус. Skandic Wide Track. Skandic Sвышеer Wide Track. (Housing. Skandic Wide Track. Skandic Super Wide Track.)

под заказ24300 руб.
4 XXX

Корпус. Skandic Wide Track. Skandic Sвышеer Wide Track. (Housing. Skandic Wide Track. Skandic Super Wide Track.)

5 410211200

Гайка. Skandic Wide Track. Skandic Sвышеer Wide Track. (Nut. Skandic Wide Track. Skandic Super Wide Track.)

под заказ250 руб.
6 410209600

Щётка. Skandic Wide Track. Skandic Sвышеer Wide Track. (Brush. Skandic Wide Track. Skandic Super Wide Track.)

под заказ1640 руб.
6 420866970

BRUSH

под заказпо запросу
7 410209700

Держатель втулки. Skandic Wide Track. Skandic Sвышеer Wide Track. (Brush Holder. Skandic Wide Track. Skandic Super Wide Track.)

под заказ946 руб.
7 420866192

BRUSH HOLDER

под заказпо запросу
8 410209800

Пружина. Skandic Wide Track. Skandic Sвышеer Wide Track. (Spring. Skandic Wide Track. Skandic Super Wide Track.)

под заказ218 руб.
8 420838200

SPRING

под заказпо запросу
9 410209900

Изолятор. Skandic Wide Track. Skandic Sвышеer Wide Track. (Insulator. Skandic Wide Track. Skandic Super Wide Track.)

под заказ1060 руб.
10410210100

Втулка Brass. Skandic Wide Track. Skandic Sвышеer Wide Track. (Bushing Brass. Skandic Wide Track. Skandic Super Wide Track.)

под заказ641 руб.
10420933247

BUSHING

под заказпо запросу
11410210300

Переключатель в сборе. Skandic Wide Track. Skandic Sвышеer Wide Track. (Switch Assy. Skandic Wide Track. Skandic Super Wide Track.)

под заказ16880 руб.
12410210400

Сцепление. Skandic Wide Track. Skandic Sвышеer Wide Track. (Clutch. Skandic Wide Track. Skandic Super Wide Track.)

под заказ29600 руб.
12SM-01321

     (не оригинальная запчасть) Бендикс стартера BRP SM-01321

под заказ4 580 руб.
13410212500

Toothed Гайка. Skandic Wide Track. Skandic Sвышеer Wide Track. (Toothed Nut. Skandic Wide Track. Skandic Super Wide Track.)

под заказ3030 руб.
13410210500

ECROU *NUT

под заказ2370 руб.
14410212600

Стопорное кольцо. Skandic Wide Track. Skandic Sвышеer Wide Track. (Circlip. Skandic Wide Track. Skandic Super Wide Track.)

под заказ250 руб.
14410210600

CIRCLIP *CIRCLIP

под заказ200 руб.
15410210700

Рычаг. Skandic Wide Track. Skandic Sвышеer Wide Track. (Lever. Skandic Wide Track. Skandic Super Wide Track.)

под заказ4640 руб.
15420848045

ARM

под заказпо запросу
16410210900

Втулка Brass. Skandic Wide Track. Skandic Sвышеer Wide Track. (Bushing Brass. Skandic Wide Track. Skandic Super Wide Track.)

под заказ691 руб.
16420933245

BUSHING

под заказпо запросу
17410212000

Болт. Skandic Wide Track. Skandic Sвышеer Wide Track. (Bolt. Skandic Wide Track. Skandic Super Wide Track.)

под заказ930 руб.
17410211000

BOULON *BOLT

под заказ620 руб.
18410211100

Гайка. Skandic Wide Track. Skandic Sвышеer Wide Track. (Nut. Skandic Wide Track. Skandic Super Wide Track.)

под заказ250 руб.
19420945752

Шайба с блокировкой. Skandic Wide Track. Skandic Sвышеer Wide Track. (Lock Washer. Skandic Wide Track. Skandic Super Wide Track.)

под заказ118 руб.
19402001600

RONDELLE-FREIN *WASHER-LOCK#8

под заказ110 руб.
20228081045

Гайка M8. Skandic Wide Track. Skandic Sвышеer Wide Track. (Nut M8. Skandic Wide Track. Skandic Super Wide Track.)

под заказ102 руб.
20232081414

NUT-HEXAGONAL DIN.934

под заказ130 руб.
21224081171

Шайба. Skandic Wide Track. Skandic Sвышеer Wide Track. (Washer. Skandic Wide Track. Skandic Super Wide Track.)

под заказ102 руб.
21234081410

WASHER-FLAT DIN.125A

под заказ130 руб.
ski-doo

Время выполнения запроса 1.884996175766 сек.


 
 

данный сайт носит информационный характер и не является публичной офертой

склад запчастей для водомоторной техники