вконтакте

Контактный телефон: +7 (981) 121-46-93, +7 (800) 200-90-76 , Email: parts-katalog@yandex.ru, где купить

 
 

  Логин:

Пароль:

Регистрация

www.partskatalog.ru Все каталоги Запчасти Mercury Запчасти Suzuki Запчасти Tohatsu Запчасти Honda Контакты



УВАЖАЕМЫЕ КЛИЕНТЫ!
C 19 ДЕКАБРЯ 2025 ПО 02 МАРТА 2026 ГОДА ОТДЕЛ ЗАПЧАСТЕЙ И СЕРВИС РАБОТАТЬ НЕ БУДУТ
ПРОДАЖА ЛОДОЧНЫХ МОТОРОВ В ШТАТНОМ РЕЖИМЕ
ОБ ИЗМЕНЕНИЯХ В ГРАФИКЕ РАБОТЫ ЧИТАЙТЕ НА САЙТА




Выбрать другую модель

назад Раздел:   вперёд

вернуться к списку узлов и деталей

ДЕТАЛИРОВКА ДЛЯ МОДЕЛИ: SKIDOO Mach 1 R, 1998

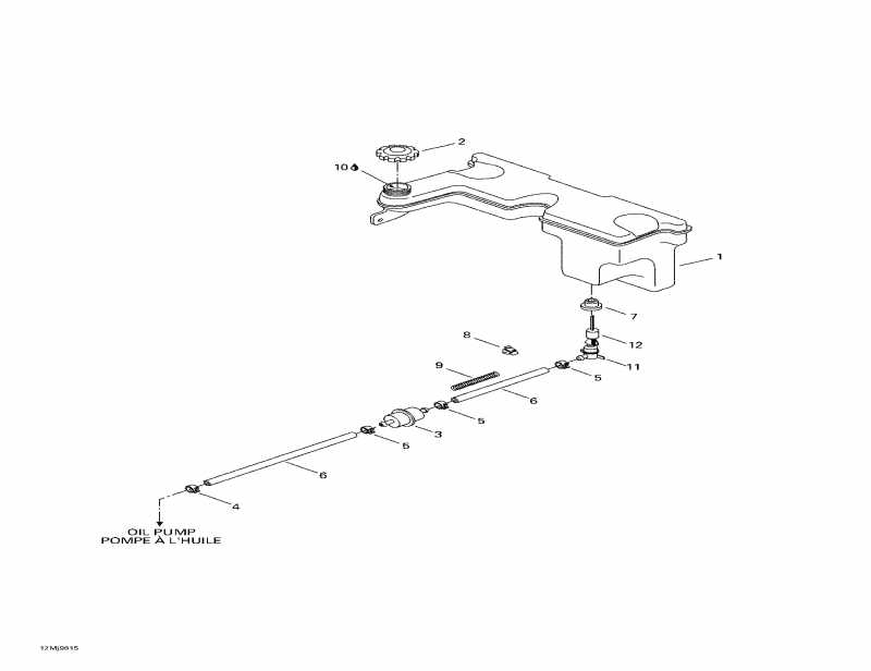
Раздел: Масляный бак | Oil Tank


snowmobile Skidoo - Масляный бак

Номер на
рисунке
АртикулНаименованиеКол-во
на складе
Цена
1 572088500

Injection Масляный бак (Injection Oil Tank)

под заказ7360 руб.
1 519000002

RESERVOIR HUILE*TANK-OIL

под заказ4180 руб.
2 572071000

Масляный бак Колпачок (Oil Tank Cap)

под заказ1930 руб.
2 519000044

BOUCHON *CAP

под заказ3350 руб.
2 07-288-01

     (не оригинальная запчасть) Крышка топливного/масляного бака BRP 07-288-01

под заказ660 руб.
3 414536500

Фильтр (Filter)

под заказ308 руб.
3 07-246-05

     (не оригинальная запчасть) Фильтр масляный универсальный 07-246-05

под заказ370 руб.
3 07-246-06

     (не оригинальная запчасть) Фильтр масляный BRP 07-246-06

под заказ470 руб.
3 07-246-08

     (не оригинальная запчасть) Масляный фильтр 07-246-08

под заказ470 руб.
4 414420700

Пружина Зажим (Spring Clip)

под заказ138 руб.
4 27414420700

SPRING CLIP 414420700

под заказ110 руб.
5 414415200

Пружина Зажим (Spring Clip)

под заказ138 руб.
6 415080700

Oil Line (Oil Line)

под заказ1150 руб.
6 519000230

BOYAU *HOSE

под заказ900 руб.
7 570023000

Пыльник (Grommet)

под заказ572 руб.
7 2890230

GROMMET (USE 570023000)

под заказ450 руб.
7 SM-07403

     (не оригинальная запчасть) Уплотнительная втулка масляного бачка BRP SM-07403

под заказ140 руб.
8 414227300

Зажим (Clip)

под заказ284 руб.
8 414943400

PINCE *CLIP

под заказ230 руб.
9 415107200

Пружина (Spring)

под заказпо запросу
10413803100

Blizzard Oil (12 x 500 ml) (Blizzard Oil (12 x 500 ml))

под заказпо запросу
10496014500

HUIL BLI.500X12*OIL-BLIZ.

под заказпо запросу
413802900

Injection Oil (12 x 1 л) (Injection Oil (12 x 1 Liter))

под заказ910 руб.
619590101

XPS 2 stroke Mineral 3*1 gallon (293600118)

под заказ2200 руб.
413803000

Injection Oil (3 x 4 л) (Injection Oil (3 x 4 Liter))

под заказ2020 руб.
619590101

XPS 2 stroke Mineral 3*1 gallon (293600118)

под заказ2200 руб.
413803200

Injection Oil (205 л) (Injection Oil (205 Liter))

под заказ102100 руб.
293600119

HUILE 2T BARIL *OIL 2T DRUM MINERALE

под заказ102100 руб.
413711000

Synthetic Injection Oil (3 x 4 л) (Synthetic Injection Oil (3 x 4 Liter))

под заказ3170 руб.
293600133

XPS 2 stroke Synthetic 3*1 gallon (619590107)

под заказ3460 руб.
3150 руб.
413710700

Synthetic Injection Oil (205 л) (Synthetic Injection Oil (205 Liter))

под заказ161900 руб.
293600134

XPS 2 stroke Synthetic Drum 205 Liters (619590108)

под заказ161900 руб.
413710500

Synthetic Injection Oil (12 x 1 л) Bombardier-Rotax дляmula XP-S (Synthetic Injection Oil (12 x 1 Liter). Bombardier-Rotax Formula XP-S)

под заказ863 руб.
293600132

XPS 2 stroke Synthetic 12*1 quart (619590106)

под заказ1100 руб.
11414681800

Oil Рычаг Датчик (Oil Lever Sensor)

под заказпо запросу
11216818

OIL LEVEL SENSOR 414681800 BBD

под заказпо запросу
12414681900

Поплавок (Float)

под заказпо запросу
122196819

KOHO SENSORILLE(USE 414681900)

под заказпо запросу
ski-doo

Время выполнения запроса 3.8768990039825 сек.


 
 

данный сайт носит информационный характер и не является публичной офертой

склад запчастей для водомоторной техники