вконтакте

Контактный телефон: +7 (981) 121-46-93, +7 (800) 200-90-76 , Email: parts-katalog@yandex.ru, где купить

 
 

  Логин:

Пароль:

Регистрация

www.partskatalog.ru Все каталоги Запчасти Mercury Запчасти Suzuki Запчасти Tohatsu Запчасти Honda Контакты



УВАЖАЕМЫЕ КЛИЕНТЫ!
C 19 ДЕКАБРЯ 2025 ПО 02 МАРТА 2026 ГОДА ОТДЕЛ ЗАПЧАСТЕЙ И СЕРВИС РАБОТАТЬ НЕ БУДУТ
ПРОДАЖА ЛОДОЧНЫХ МОТОРОВ В ШТАТНОМ РЕЖИМЕ
ОБ ИЗМЕНЕНИЯХ В ГРАФИКЕ РАБОТЫ ЧИТАЙТЕ НА САЙТА




Выбрать другую модель

назад Раздел:   вперёд

вернуться к списку узлов и деталей

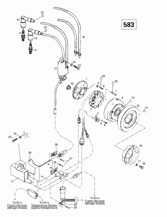
ДЕТАЛИРОВКА ДЛЯ МОДЕЛИ: SKIDOO Grand Touring 500/583, 1998

Раздел: Магнето 12v 220w (583) | Magneto 12v 220w (583)


snowmobile ski-doo Grand Touring 500/583, 1998 раздел - Магнето 12v 220w (583)

Номер на
рисунке
АртикулНаименованиеКол-во
на складе
Цена
1 420810262

Якорь Пластина. Grand TouКольцо 583. (Armature Plate. Grand Touring 583.)

под заказпо запросу
2 410922400

Магнето в сборе 12V 220W. Includes 2 - 4. Grand TouКольцо 583. (Magneto Assy 12V 220W. Includes 2 - 4. Grand Touring 583.)

под заказпо запросу
2 410922100

Статор в сборе. Grand TouКольцо 583. (Stator Assy. Grand Touring 583.)

под заказ34300 руб.
2 410922905

PLAQUE REACTEUR*PLATE-STATOR A

под заказ37400 руб.
3 410922500

Магнето Маховик. Grand TouКольцо 583. (Magneto Flywheel. Grand Touring 583.)

под заказпо запросу
3 410922400

MAGNETO GEN. *MAGNETO-GEN. rotax 583

под заказпо запросу
4 410921100

Pick выше в сборе. Grand TouКольцо 583. (Pick Up Assy. Grand Touring 583.)

под заказ4620 руб.
5 420945750

Шайба с блокировкой 5 mm. Grand TouКольцо 583. (Lock Washer 5 mm. Grand Touring 583.)

под заказ138 руб.
5 402402400

RONDELLE-FREIN *WASHER-LOCK

под заказ110 руб.
6 420941540

Allen Винт M5 x 20. Grand TouКольцо 583. (Allen Screw M5 x 20. Grand Touring 583.)

под заказ170 руб.
6 941540

ALLEN SCREW (USE420941540)

под заказ140 руб.
7 420840886

Allen Винт M6 x 30. Grand TouКольцо 583. (Allen Screw M6 x 30. Grand Touring 583.)

под заказ284 руб.
7 290840886

VIS ALLEN *SCREW-SOCKET

под заказ230 руб.
8 420827800

Шайба 5.5 mm. Grand TouКольцо 583. (Washer 5.5 mm. Grand Touring 583.)

под заказ284 руб.
8 290827800

RONDELLE *WASHER

под заказ230 руб.
9 420941925

Self Саморез M5 x 16. Grand TouКольцо 583. (Self Tapping Screw M5 x 16. Grand Touring 583.)

под заказ284 руб.
9 941925

SCREW M5 X 16(USE 420941925)

под заказ230 руб.
10420960288

Кабели Crommet. Grand TouКольцо 583. (Cable Crommet. Grand Touring 583.)

под заказпо запросу
10960288

LAPIVIENTI -94(USE420960288)

под заказпо запросу
11415085300

Ignition Module. Grand TouКольцо 583. (Ignition Module. Grand Touring 583.)

под заказпо запросу
12415085400

Катушка зажигания. Grand TouКольцо 583. (Ignition Coil. Grand Touring 583.)

под заказ7930 руб.
13414864000

Свеча зажигания Защита Grand TouКольцо 583. (Spark Plug Protector. Grand Touring 583.)

под заказ1230 руб.
13278000237

CAPUCHON BOUGIE*SPARK PLUG CAP

под заказ1580 руб.
14414961100

Свеча зажигания NGK BR9ES. Grand TouКольцо 583. (Spark Plug NGK BR9ES. Grand Touring 583.)

под заказ166 руб.
14414567000

BOUGIE BR9ES *PLUG-SPARK

под заказ170 руб.
15420866759

Маховик. Grand TouКольцо 583. (Flywheel. Grand Touring 583.)

под заказпо запросу
15866759

FLYWHEEL

под заказпо запросу
16420852411

Starting Шкив. Grand TouКольцо 583. (Starting Pulley. Grand Touring 583.)

под заказ1710 руб.
17420945752

Шайба с блокировкой 8 mm. Grand TouКольцо 583. (Lock Washer 8 mm. Grand Touring 583.)

под заказ118 руб.
17402001600

RONDELLE-FREIN *WASHER-LOCK#8

под заказ110 руб.
18420940591

Шестигранный винт M8 x 20. Grand TouКольцо 583. (Hex. Screw M8 x 20. Grand Touring 583.)

под заказ222 руб.
18207182044

SCREW-HEX.CAP DIN.933

под заказ290 руб.
19420965033

Свеча зажигания Кабели. Grand TouКольцо 583. (Spark Plug Cable. Grand Touring 583.)

под заказ1010 руб.
19278002198

FIL BOUGIE *WIRE-SPARK PLUG

под заказ1290 руб.
20413703000

Loctite 242, 10 cc. Grand TouКольцо 583. (Loctite 242, 10 cc. Grand Touring 583.)

под заказ1680 руб.
20293800060

LOCTITE 243 *LOCTITE-243

под заказ2150 руб.
21413711400

Loctite 648, 10ml. Grand TouКольцо 583. (Loctite 648, 10ml. Grand Touring 583.)

под заказ2700 руб.
21293800039

LOCTITE 642 *LOCTITE-642

под заказ2700 руб.
22222062065

Шестигранный винт M6 x 20. Grand TouКольцо 583. (Hex. Screw M6 x 20. Grand Touring 583.)

под заказпо запросу
22702000083

VIS *SCREW

под заказпо запросу
23222061665

Винт Hex. M6 x 16. Grand TouКольцо 583. (Screw Hex. M6 x 16. Grand Touring 583.)

под заказпо запросу
23702000778

VIS *BOLT

под заказпо запросу
24224761110

Шайба с блокировкой 6 mm. Grand TouКольцо 583. (Lock Washer 6 mm. Grand Touring 583.)

под заказ102 руб.
24234161471

WASHER-LOCK BLACK DIN.127B

под заказ130 руб.
25517297000

Sвышеport Кабели. Grand TouКольцо 500. (Support Cable. Grand Touring 500.)

под заказпо запросу
26270000141

Зажим. Grand TouКольцо 500. (Clip. Grand Touring 500.)

под заказ1000 руб.
27390402400

Заклёпка. Grand TouКольцо 500. (Rivet. Grand Touring 500.)

под заказ138 руб.
28390402500

Заклёпка. Grand TouКольцо 500. (Rivet. Grand Touring 500.)

под заказ130 руб.
29415089700

Зажим. Grand TouКольцо 500. (Clip. Grand Touring 500.)

под заказпо запросу
ski-doo

Время выполнения запроса 1.8534231185913 сек.


 
 

данный сайт носит информационный характер и не является публичной офертой

склад запчастей для водомоторной техники