вконтакте

Контактный телефон: +7 (981) 121-46-93, +7 (800) 200-90-76 , Email: parts-katalog@yandex.ru, где купить

 
 

  Логин:

Пароль:

Регистрация

www.partskatalog.ru Все каталоги Запчасти Mercury Запчасти Suzuki Запчасти Tohatsu Запчасти Honda Контакты



УВАЖАЕМЫЕ КЛИЕНТЫ!
C 19 ДЕКАБРЯ 2025 ПО 02 МАРТА 2026 ГОДА ОТДЕЛ ЗАПЧАСТЕЙ И СЕРВИС РАБОТАТЬ НЕ БУДУТ
ПРОДАЖА ЛОДОЧНЫХ МОТОРОВ В ШТАТНОМ РЕЖИМЕ
ОБ ИЗМЕНЕНИЯХ В ГРАФИКЕ РАБОТЫ ЧИТАЙТЕ НА САЙТА




Выбрать другую модель

назад Раздел:   вперёд

вернуться к списку узлов и деталей

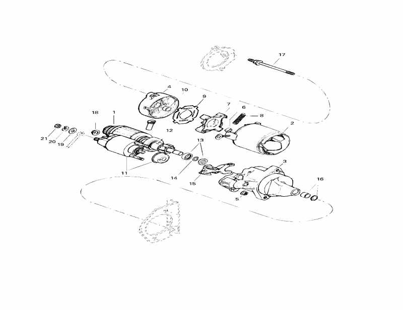
ДЕТАЛИРОВКА ДЛЯ МОДЕЛИ: SKIDOO Formula S, 1998

Раздел: Электростартер | Electric Starter


snowmobile BRP SkiDoo Formula S, 1998 - Electric Starter

Номер на
рисунке
АртикулНаименованиеКол-во
на складе
Цена
1 410212400

Электростартер. Includes 1 - 18. дляmula SE. (Electric Starter. Includes 1 - 18. Formula SE.)

под заказ40400 руб.
1 410209200

DEMARREUR *STARTER

под заказ36300 руб.
1 SM-01215

     (не оригинальная запчасть) Стартер электрический BRP SM-01215

под заказ18 060 руб.
1 410210200

Якорь в сборе. дляmula SE. (Armature Assy. Formula SE.)

под заказ20900 руб.
2 410209500

Корпус Стартер. дляmula SE. (Housing Starter. Formula SE.)

под заказ13820 руб.
3 410210800

Корпус. дляmula SE. (Housing. Formula SE.)

под заказ24300 руб.
4 410210000

Корпус. дляmula SE. (Housing. Formula SE.)

под заказпо запросу
5 410211200

Гайка. дляmula SE. (Nut. Formula SE.)

под заказ250 руб.
6 410209600

Щётка. дляmula SE. (Brush. Formula SE.)

под заказ1640 руб.
6 420866970

BRUSH

под заказпо запросу
7 410209700

Держатель втулки. дляmula SE. (Brush Holder. Formula SE.)

под заказ946 руб.
7 420866192

BRUSH HOLDER

под заказпо запросу
8 410209800

Пружина. дляmula SE. (Spring. Formula SE.)

под заказ218 руб.
8 420838200

SPRING

под заказпо запросу
9 410209900

Изолятор. дляmula SE. (Insulator. Formula SE.)

под заказ1060 руб.
10410210100

Втулка Brass. дляmula SE. (Bushing Brass. Formula SE.)

под заказ641 руб.
10420933247

BUSHING

под заказпо запросу
11410210300

Переключатель в сборе. дляmula SE. (Switch Assy. Formula SE.)

под заказ16880 руб.
12410210400

Сцепление. дляmula SE. (Clutch. Formula SE.)

под заказ29600 руб.
12SM-01321

     (не оригинальная запчасть) Бендикс стартера BRP SM-01321

под заказ4 580 руб.
13410212500

Гайка. дляmula SE. (Nut. Formula SE.)

под заказ3030 руб.
13410210500

ECROU *NUT

под заказ2370 руб.
14410212600

Стопорное кольцо. дляmula SE. (Circlip. Formula SE.)

под заказ250 руб.
14410210600

CIRCLIP *CIRCLIP

под заказ200 руб.
15410210700

Рычаг. дляmula SE. (Lever. Formula SE.)

под заказ4640 руб.
15420848045

ARM

под заказпо запросу
16410210900

Втулка Brass. дляmula SE. (Bushing Brass. Formula SE.)

под заказ691 руб.
16420933245

BUSHING

под заказпо запросу
17410212000

Болт. дляmula SE. (Bolt. Formula SE.)

под заказ930 руб.
17410211000

BOULON *BOLT

под заказ620 руб.
18410211100

Гайка. дляmula SE. (Nut. Formula SE.)

под заказ250 руб.
19224081171

Шайба. дляmula SE. (Washer. Formula SE.)

под заказ102 руб.
19234081410

WASHER-FLAT DIN.125A

под заказ130 руб.
20420945752

Шайба с блокировкой. дляmula SE. (Lock Washer. Formula SE.)

под заказ118 руб.
20402001600

RONDELLE-FREIN *WASHER-LOCK#8

под заказ110 руб.
21228081045

Гайка M8. дляmula SE. (Nut M8. Formula SE.)

под заказ102 руб.
21232081414

NUT-HEXAGONAL DIN.934

под заказ130 руб.
ski-doo

Время выполнения запроса 2.1477499008179 сек.


 
 

данный сайт носит информационный характер и не является публичной офертой

склад запчастей для водомоторной техники