вконтакте

Контактный телефон: +7 (981) 121-46-93, +7 (800) 200-90-76 , Email: parts-katalog@yandex.ru, где купить

 
 

  Логин:

Пароль:

Регистрация

www.partskatalog.ru Все каталоги Запчасти Mercury Запчасти Suzuki Запчасти Tohatsu Запчасти Honda Контакты



УВАЖАЕМЫЕ КЛИЕНТЫ!
C 19 ДЕКАБРЯ 2025 ПО 02 МАРТА 2026 ГОДА ОТДЕЛ ЗАПЧАСТЕЙ И СЕРВИС РАБОТАТЬ НЕ БУДУТ
ПРОДАЖА ЛОДОЧНЫХ МОТОРОВ В ШТАТНОМ РЕЖИМЕ
ОБ ИЗМЕНЕНИЯХ В ГРАФИКЕ РАБОТЫ ЧИТАЙТЕ НА САЙТА




Выбрать другую модель

Раздел:   вперёд

вернуться к списку узлов и деталей

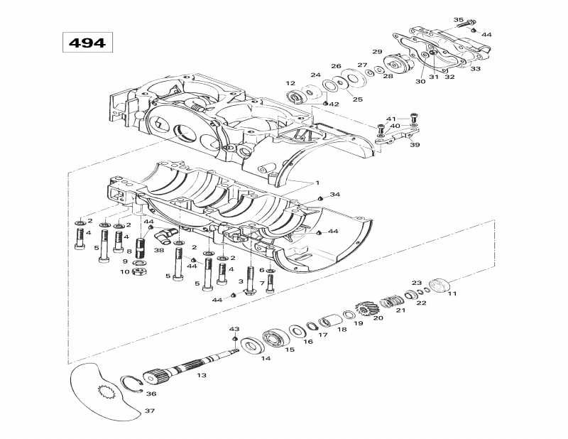
ДЕТАЛИРОВКА ДЛЯ МОДЕЛИ: SKIDOO Formula 500 Deluxe, 1998

Раздел: Картер двигателя, Rotary Клапан, Водяной насос (494) | Crankcase, Rotary Valve, Water Pump (494) &nbs


snowmobile ski-doo Formula 500 Deluxe, 1998 раздел - Картер двигателя, Rotary Клапан, Водяной насос (494)

Номер на
рисунке
АртикулНаименованиеКол-во
на складе
Цена
1 420888011

Картер двигателя в сборе. Includes 1 - 7. дляmula 500. дляmula 500 Deluxe. (Crankcase Assy. Includes 1 - 7. Formula 500. Formula 500 Deluxe.)

под заказпо запросу
2 420945752

Шайба с блокировкой 8 mm. дляmula 500. дляmula 500 Deluxe. (Lock Washer 8 mm. Formula 500. Formula 500 Deluxe.)

под заказ118 руб.
2 402001600

RONDELLE-FREIN *WASHER-LOCK#8

под заказ110 руб.
3 420841306

Шестигранный винт M8 x 65. дляmula 500. дляmula 500 Deluxe. (Hex. Screw M8 x 65. Formula 500. Formula 500 Deluxe.)

под заказ441 руб.
4 420841561

Allen Винт M8 x 45. дляmula 500. дляmula 500 Deluxe. (Allen Screw M8 x 45. Formula 500. Formula 500 Deluxe.)

под заказ145 руб.
5 420841831

Allen Винт M8 x 75. дляmula 500. дляmula 500 Deluxe. (Allen Screw M8 x 75. Formula 500. Formula 500 Deluxe.)

под заказ170 руб.
6 420945751

Шайба с блокировкой 6 mm. дляmula 500. дляmula 500 Deluxe. (Lock Washer 6 mm. Formula 500. Formula 500 Deluxe.)

под заказ138 руб.
6 540802026

RONDELLE-FREIN *WASHER-LOCK

под заказ110 руб.
7 420241816

Allen Винт M6 x 40. дляmula 500. дляmula 500 Deluxe. (Allen Screw M6 x 40. Formula 500. Formula 500 Deluxe.)

под заказ154 руб.
7 420241815

SCREW-ALLEN M6 X 40

под заказ130 руб.
8 420940190

Шпилька M10 x 29 / 20. дляmula 500. дляmula 500 Deluxe. (Stud M10 x 29/20. Formula 500. Formula 500 Deluxe.)

под заказ145 руб.
9 420945753

Шайба с блокировкой 10 mm. дляmula 500. дляmula 500 Deluxe. (Lock Washer 10 mm. Formula 500. Formula 500 Deluxe.)

под заказ37 руб.
10228001045

Hex. Гайка M10. дляmula 500. дляmula 500 Deluxe. (Hex. Nut M10. Formula 500. Formula 500 Deluxe.)

под заказпо запросу
10701000377

ECROU *NUT

под заказпо запросу
11420932797

Шариковый подшипник 6201. дляmula 500. дляmula 500 Deluxe. (Ball Bearing 6201. Formula 500. Formula 500 Deluxe.)

под заказ1290 руб.
11932797

BEARING (USE 420932797)

под заказ1010 руб.
12420850710

Сальник. дляmula 500. дляmula 500 Deluxe. (Oil Seal. Formula 500. Formula 500 Deluxe.)

под заказпо запросу
12850710

GASKET (USE 420850710)

под заказпо запросу
13420837242

Rotary Клапан Вал. дляmula 500. дляmula 500 Deluxe. (Rotary Valve Shaft. Formula 500. Formula 500 Deluxe.)

под заказпо запросу
14420930580

Сальник. дляmula 500. дляmula 500 Deluxe. (Oil Seal. Formula 500. Formula 500 Deluxe.)

под заказ1150 руб.
14930580

GASKET (USE 420930580)

под заказ900 руб.
15405406400

Шариковый подшипник 6203. дляmula 500. дляmula 500 Deluxe. (Ball Bearing 6203. Formula 500. Formula 500 Deluxe.)

под заказ1010 руб.
15293350051

ROULEMENT BILLE*BALL BEARING

под заказ1290 руб.
16420227439

Регулировочная шайба. дляmula 500. дляmula 500 Deluxe. (Shim. Formula 500. Formula 500 Deluxe.)

под заказ428 руб.
16290227439

CALE EPAISSEUR *SHIM

под заказ340 руб.
17420845450

Стопорное кольцо (Кольцо Lock) дляmula 500. дляmula 500 Deluxe. (Circlip (Ring Lock). Formula 500. Formula 500 Deluxe.)

под заказ284 руб.
17845450

SEGERRENGAS 17X1 582 -94

под заказ230 руб.
18420847282

Проставка. дляmula 500. дляmula 500 Deluxe. (Spacer. Formula 500. Formula 500 Deluxe.)

под заказ1290 руб.
18847282

SPACER

под заказ1010 руб.
19420831500

Уплотнительное кольцо. дляmula 500. дляmula 500 Deluxe. (O-Ring. Formula 500. Formula 500 Deluxe.)

под заказпо запросу
19831500

O-RING (USE 420831500)

под заказпо запросу
20420935735

Rotary Клапан Шестерня 14 Teeth. дляmula 500. дляmula 500 Deluxe. (Rotary Valve Gear 14 Teeth. Formula 500. Formula 500 Deluxe.)

под заказ5280 руб.
20420935736

ROUE DENTEE 14D*SPROCKET 14TH

под заказ6750 руб.
20010-450

     (не оригинальная запчасть) Шестерня вала привода роторного клапана BRP 010-450

под заказ5 120 руб.
21420938810

Пружина. дляmula 500. дляmula 500 Deluxe. (Spring. Formula 500. Formula 500 Deluxe.)

под заказ1150 руб.
21938810

SPRING (420938810)

под заказ900 руб.
22420827430

Пружина Holding Cвыше. дляmula 500. дляmula 500 Deluxe. (Spring Holding Cup. Formula 500. Formula 500 Deluxe.)

под заказ1000 руб.
22827430

SPRING HOLDING CUP

под заказ790 руб.
23420845160

Стопорное кольцо. дляmula 500. дляmula 500 Deluxe. (Circlip. Formula 500. Formula 500 Deluxe.)

под заказ284 руб.
23845160

LOCKING RING (USE 420845160)

под заказ230 руб.
24420944462

Регулировочная шайба. дляmula 500. дляmula 500 Deluxe. (Shim. Formula 500. Formula 500 Deluxe.)

под заказ122 руб.
24944462

SHIM 0,5 MM(USE 420944462)

под заказ140 руб.
25420850890

Rubber Шайба. дляmula 500. дляmula 500 Deluxe. (Rubber Washer. Formula 500. Formula 500 Deluxe.)

под заказ308 руб.
25850890

RUBBER WASHER (USE 420850890)

под заказ140 руб.
26420827970

Sвышеporting Пластина. дляmula 500. дляmula 500 Deluxe. (Supporting Plate. Formula 500. Formula 500 Deluxe.)

под заказ978 руб.
26827970

SUPPORT PLATE(USE 420827970)

под заказ470 руб.
27420227945

Шайба. дляmula 500. дляmula 500 Deluxe. (Washer. Formula 500. Formula 500 Deluxe.)

под заказ428 руб.
27227945

WASHER

под заказ340 руб.
28420227155

Friction Шайба. дляmula 500. дляmula 500 Deluxe. (Friction Washer. Formula 500. Formula 500 Deluxe.)

под заказ594 руб.
28227155

WASHER

под заказ550 руб.
29420922036

Крыльчатка водяного насоса. дляmula 500. дляmula 500 Deluxe. (Water Pump Impeller. Formula 500. Formula 500 Deluxe.)

под заказ1220 руб.
29922036

IMPELLER (USE 420922036)

под заказ960 руб.
30224061121

Шайба 6.4 mm. дляmula 500. дляmula 500 Deluxe. (Washer 6.4 mm. Formula 500. Formula 500 Deluxe.)

под заказ138 руб.
30702000112

RONDELLE *WASHER

под заказ110 руб.
31420842042

Гайка M6. дляmula 500. дляmula 500 Deluxe. (Nut M6. Formula 500. Formula 500 Deluxe.)

под заказпо запросу
32420931355

Прокладка. дляmula 500. дляmula 500 Deluxe. (Gasket. Formula 500. Formula 500 Deluxe.)

под заказ535 руб.
33420922551

Водяной насос Корпус. дляmula 500. дляmula 500 Deluxe. (Water Pump Housing. Formula 500. Formula 500 Deluxe.)

под заказпо запросу
34413707100

Сальникant, 100 gr. дляmula 500. дляmula 500 Deluxe. (Sealant, 100 gr. Formula 500. Formula 500 Deluxe.)

под заказпо запросу
35420240031

Шестигранный винт M6 x 25. дляmula 500. дляmula 500 Deluxe. (Hex. Screw M6 x 25. Formula 500. Formula 500 Deluxe.)

под заказ242 руб.
35420240034

SCREW-HEX.M6 X 25

под заказ190 руб.
36420845260

Locking Кольцо. дляmula 500. дляmula 500 Deluxe. (Locking Ring. Formula 500. Formula 500 Deluxe.)

под заказ572 руб.
36845260

CIRCLIP (USE 420845260)

под заказ450 руб.
37420924502

Rotary Клапан (159Deg.) дляmula 500. дляmula 500 Deluxe. (Rotary Valve (159Deg.). Formula 500. Formula 500 Deluxe.)

под заказ4250 руб.
37924502

LUISTI 159 ASTETTE -91

под заказ3320 руб.
37006-159

     (не оригинальная запчасть) Заслонка впуска роторного типа BRP 717 / 787 006-159

под заказ4 950 руб.
38420922245

Angular Трубка. дляmula 500. дляmula 500 Deluxe. (Angular Tube. Formula 500. Formula 500 Deluxe.)

под заказпо запросу
38922245

ANGULAR TUBE (USE 420922245)

под заказпо запросу
39420851280

Fixation. дляmula 500. дляmula 500 Deluxe. (Fixation. Formula 500. Formula 500 Deluxe.)

под заказпо запросу
40420827800

Шайба 5.5 mm. дляmula 500. дляmula 500 Deluxe. (Washer 5.5 mm. Formula 500. Formula 500 Deluxe.)

под заказ284 руб.
40290827800

RONDELLE *WASHER

под заказ230 руб.
41420240181

Allen Винт M5 x 20. дляmula 500. дляmula 500 Deluxe. (Allen Screw M5 x 20. Formula 500. Formula 500 Deluxe.)

под заказпо запросу
42413707000

Molykote 111. дляmula 500. дляmula 500 Deluxe. (Molykote 111. Formula 500. Formula 500 Deluxe.)

под заказ5600 руб.
42420897161

MOLYKOTE 111 *MOLYKOTE-111

под заказпо запросу
43420899788

Loctite 648, 10 ml. дляmula 500. дляmula 500 Deluxe. (Loctite 648, 10 ml. Formula 500. Formula 500 Deluxe.)

под заказпо запросу
43899788

LOCTITE 648, VUHREA 5 G

под заказпо запросу
44413703000

Loctite 242, 10 cc. дляmula 500. дляmula 500 Deluxe. (Loctite 242, 10 cc. Formula 500. Formula 500 Deluxe.)

под заказ1680 руб.
44293800060

LOCTITE 243 *LOCTITE-243

под заказ2150 руб.
ski-doo

Время выполнения запроса 6.4303159713745 сек.


 
 

данный сайт носит информационный характер и не является публичной офертой

склад запчастей для водомоторной техники