вконтакте

Контактный телефон: +7 (981) 121-46-93, +7 (800) 200-90-76 , Email: parts-katalog@yandex.ru, где купить

 
 

  Логин:

Пароль:

Регистрация

www.partskatalog.ru Все каталоги Запчасти Mercury Запчасти Suzuki Запчасти Tohatsu Запчасти Honda Контакты



УВАЖАЕМЫЕ КЛИЕНТЫ!
C 19 ДЕКАБРЯ 2025 ПО 02 МАРТА 2026 ГОДА ОТДЕЛ ЗАПЧАСТЕЙ И СЕРВИС РАБОТАТЬ НЕ БУДУТ
ПРОДАЖА ЛОДОЧНЫХ МОТОРОВ В ШТАТНОМ РЕЖИМЕ
ОБ ИЗМЕНЕНИЯХ В ГРАФИКЕ РАБОТЫ ЧИТАЙТЕ НА САЙТА




Выбрать другую модель

назад Раздел:   вперёд

вернуться к списку узлов и деталей

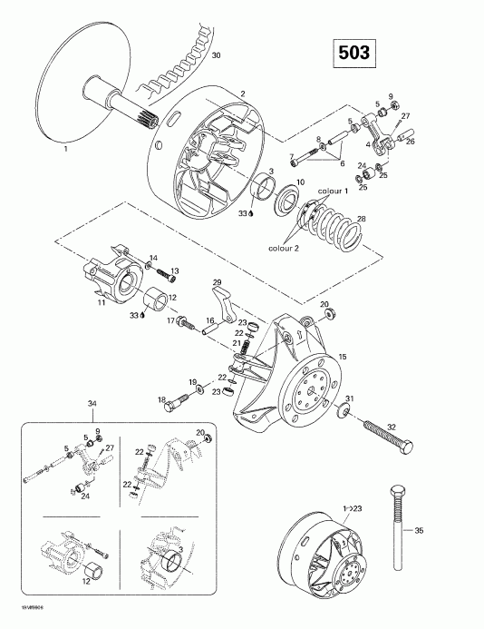
ДЕТАЛИРОВКА ДЛЯ МОДЕЛИ: SKIDOO Skandic 380/500, 1999

Раздел: Шкив привода (503) | Drive Pulley (503)


модель Skandic 380/500, 1999 - Шкив привода (503)

Номер на
рисунке
АртикулНаименованиеКол-во
на складе
Цена
1 417222120

Шкив привода в сборе. Includes 1 - 23. Skandic 500. (Drive Pulley Assy. Includes 1 - 23. Skandic 500.)

под заказпо запросу
1 417222071

Fixe Фланец. Skandic 500. (Fixe Flange. Skandic 500.)

под заказ29400 руб.
1 417222412

FLANGE - FIX

под заказ32000 руб.
2 417222049

Sliding Фланец в сборе. Includes 2 - 3. Skandic 500. (Sliding Flange Assy. Includes 2 - 3. Skandic 500.)

под заказ24900 руб.
2 417222241

FLASQUE COUL.AS*FLANGE-SLID.AS

под заказ27200 руб.
3 417004201

Втулка Outer Half. Skandic 500. (Bushing Outer Half. Skandic 500.)

под заказ2000 руб.
3 414004201

BUSHING OUTER HALF

под заказ1840 руб.
3 SM-03104A

     (не оригинальная запчасть) Втулка вариатора BRP SM-03104A

под заказ2 240 руб.
4 417003801

Рычаг в сборе. Includes 4 - 5. Skandic 500. (Lever Assy. Includes 4 - 5. Skandic 500.)

под заказпо запросу
4 860421500

ENS.LEVIER *KIT-LEVER

под заказпо запросу
5 417004305

Втулка. Skandic 500. (Bushing. Skandic 500.)

под заказ689 руб.
5 433195

FLANGED BUSHING

под заказ970 руб.
5 SM-03104C-1

     (не оригинальная запчасть) Комплект втулок вариатора BRP SM-03104C-1

под заказ860 руб.
6 417004800

Винт в сборе. Includes 6 - 8. Skandic 500. (Screw Assy. Includes 6 - 8. Skandic 500.)

под заказ2310 руб.
6 440165

KIINNITYSPULTTI TAYD.

под заказ1800 руб.
7 222965065

Socket Head Винт M6 x 50. Skandic 500. (Socket Head Screw M6 x 50. Skandic 500.)

под заказ222 руб.
7 205065044

SCREW-SOCKET HD.DIN.912

под заказ290 руб.
8 224061151

плоский Шайба 6 mm. Skandic 500. (Flat Washer 6 mm. Skandic 500.)

под заказ206 руб.
8 234061410

WASHER-FLAT M6 DIN.125A

под заказ270 руб.
9 228561045

Эластичная гайка со стопором M6. Skandic 500. (Elastic Stop Nut M6. Skandic 500.)

под заказ102 руб.
9 232561414

NUT-STOP ELASTIC DIN.985

под заказ130 руб.
10417222044

Пружина Седло. Skandic 500. (Spring Seat. Skandic 500.)

под заказпо запросу
10420427397

SIEGE RESSORT *SEAT-SPRING

под заказпо запросу
11417222157

Крышка пружины в сборе. Includes 11 - 12. Skandic 500. (Spring Cover Assy. Includes 11 - 12. Skandic 500.)

под заказ6130 руб.
11417222304

COUV.RESSORT AS*COVER-SPRING ASSY

под заказ6680 руб.
12417004501

Втулка Крышка пружины. Skandic 500. (Bushing Spring Cover. Skandic 500.)

под заказ1930 руб.
12433185

BUSHING

под заказ1840 руб.
13222964066

Socket Head Винт M6 x 40. Skandic 500. (Socket Head Screw M6 x 40. Skandic 500.)

под заказ447 руб.
13205064086

SCREW-SOCKET HD.DIN.912 GM6174M

под заказ580 руб.
14420245370

Шайба. Skandic 500. (Washer. Skandic 500.)

под заказ72 руб.
14245370

KITKALEVY(USE 420245370)

под заказ60 руб.
15417004700

Governor Cвыше. Skandic 500. (Governor Cup. Skandic 500.)

под заказ32700 руб.
15417222081

CUVETTE REGUL.A*GOVERN.CUP ASS

под заказ41900 руб.
16732804009

Rolled Штифт M8 x 24. Skandic 500. (Rolled Pin M8 x 24. Skandic 500.)

под заказ242 руб.
16429150

DOWEL PIN

под заказ230 руб.
17210361890

Hex. дляming Винт M6 x 18. Skandic 500. (Hex. Forming Screw M6 x 18. Skandic 500.)

под заказ859 руб.
17732601249

SCREW-FORMING HEX.HD.BLACK OXI

под заказ680 руб.
18417005500

Calibration Винт. Skandic 500. (Calibration Screw. Skandic 500.)

под заказ2200 руб.
18417222955

VIS CALIBRATION*SCREW-CALIB.

под заказ2780 руб.
19417005600

Шайба. Skandic 500. (Washer. Skandic 500.)

под заказ428 руб.
20228467045

Hex. Фланец Гайка M6. Skandic 500. (Hex. Flange Nut M6. Skandic 500.)

под заказ222 руб.
20233061414

NUT-FLANGE HEXAGONAL DIN.6927

под заказ290 руб.
21417005700

Пружина. Skandic 500. (Spring. Skandic 500.)

под заказ308 руб.
21438100

SPRING (USE 417005700)

под заказ170 руб.
22732401030

Уплотнительное кольцо. Skandic 500. (O-Ring. Skandic 500.)

под заказ170 руб.
22430730

O-RING

под заказ160 руб.
22SM-03252

     (не оригинальная запчасть) Ремкомплект ведущего вариатора BRP SM-03252

под заказ7 740 руб.
23417005800

Slider Shoe. Skandic 500. (Slider Shoe. Skandic 500.)

под заказ560 руб.
23417223021

Slider Shoe Pulley System

под заказ860 руб.
2303-152T

     (не оригинальная запчасть) Комплект слайдеров ведущего вариатора (6 шт) BRP 03-152T

под заказ1 160 руб.
23SM-03252

     (не оригинальная запчасть) Ремкомплект ведущего вариатора BRP SM-03252

под заказ7 740 руб.
24417222042

Ролик. Skandic 500. (Roller. Skandic 500.)

под заказпо запросу
25417004302

Упорная шайба. Skandic 500. (Thrust Washer. Skandic 500.)

под заказ500 руб.
25427400

SHIM

под заказ400 руб.
26417004309

Штифт. Skandic 500. (Pin. Skandic 500.)

под заказ1930 руб.
26420429140

GOUPILLE *PIN

под заказпо запросу
27732958001

Шплинт. Skandic 500. (Cotter Pin. Skandic 500.)

под заказ61 руб.
27420245210

GOUPILLE FENDUE*PIN-COTTER

под заказ60 руб.
28414689800

Пружина (красный / rouge) Skandic 500. (Spring (Red/rouge). Skandic 500.)

под заказ3350 руб.
29417011006

Ramp. Skandic 500. (Ramp. Skandic 500.)

под заказпо запросу
30415060600

Приводной ремень. Skandic 500. (Drive Belt. Skandic 500.)

под заказ3970 руб.
30417300064

COURROIE ENTR. *BELT-DRIVE

под заказ4080 руб.
30138-4332U4

     (не оригинальная запчасть) Ремень вариатора Arctic Cat/BRP 138-4332U4

под заказ9 440 руб.
3039G4266

     (не оригинальная запчасть) Ремень вариатора для снегохода BRP 39G4266

под заказ9 430 руб.
31732900026

Коническая пружинная шайба. Skandic 500. (Conical Spring Washer. Skandic 500.)

под заказ1350 руб.
31250200005

WASHER-SPRING CONICAL

под заказ1720 руб.
32417113800

Винт hex. Skandic 500. (Screw hex. Skandic 500.)

под заказ1210 руб.
33413703100

Loctite 609, 10 cc. Skandic 500. (Loctite 609, 10 cc. Skandic 500.)

под заказ2150 руб.
34417011008

Сцепление Ремонтный комплект. Skandic 500. (Clutch Repair Kit. Skandic 500.)

под заказ21500 руб.
34417006100

ENS.REP.EMB. *KIT-CLUTCH REP

под заказ14220 руб.
35529007900

Съёмник Inner Half. Skandic 500. (Puller Inner Half. Skandic 500.)

под заказ6240 руб.
35476030

PULLER SCREW (USE 529007900)

под заказ4110 руб.
ski-doo

Время выполнения запроса 5.106467962265 сек.


 
 

данный сайт носит информационный характер и не является публичной офертой

склад запчастей для водомоторной техники