вконтакте

Контактный телефон: +7 (981) 121-46-93, +7 (800) 200-90-76 , Email: parts-katalog@yandex.ru, где купить

 
 

  Логин:

Пароль:

Регистрация

www.partskatalog.ru Все каталоги Запчасти Mercury Запчасти Suzuki Запчасти Tohatsu Запчасти Honda Контакты



УВАЖАЕМЫЕ КЛИЕНТЫ!
C 19 ДЕКАБРЯ 2025 ПО 02 МАРТА 2026 ГОДА ОТДЕЛ ЗАПЧАСТЕЙ И СЕРВИС РАБОТАТЬ НЕ БУДУТ
ПРОДАЖА ЛОДОЧНЫХ МОТОРОВ В ШТАТНОМ РЕЖИМЕ
ОБ ИЗМЕНЕНИЯХ В ГРАФИКЕ РАБОТЫ ЧИТАЙТЕ НА САЙТА




Выбрать другую модель

назад Раздел:   вперёд

вернуться к списку узлов и деталей

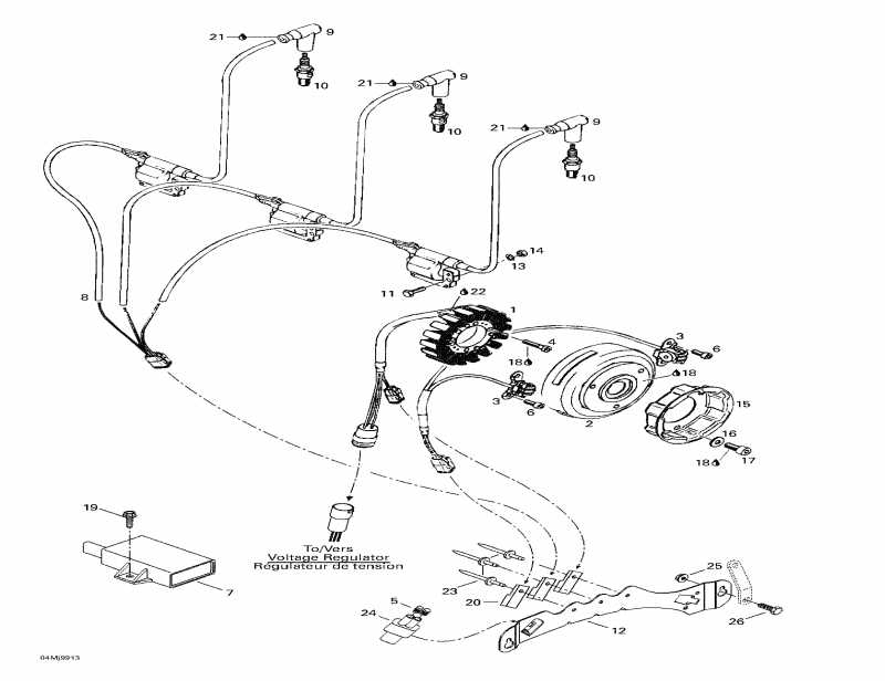
ДЕТАЛИРОВКА ДЛЯ МОДЕЛИ: SKIDOO Grand Touring 700, 1999

Раздел: Магнето 12v 360w | Magneto 12v 360w


snowmobile  Grand Touring 700, 1999 - Магнето 12v 360w

Номер на
рисунке
АртикулНаименованиеКол-во
на складе
Цена
1 410923200

Магнето в сборе 12V 360W. Includes 1 - 3. (Magneto Assy 12V 360W. Includes 1 - 3.)

под заказпо запросу
1 410922907

Статор в сборе (Stator Assy)

под заказ25800 руб.
2 410922908

Маховик (Flywheel)

под заказпо запросу
3 410922909

Pick выше в сборе (Pick Up Assy)

под заказ10540 руб.
4 420840886

Цилиндр Винт M6 x 30 (Cylinder Screw M6 x 30)

под заказ284 руб.
4 290840886

VIS ALLEN *SCREW-SOCKET

под заказ230 руб.
5 409013900

Заглушка (Plug)

под заказ1150 руб.
6 420840391

Taptite Винт M6 x 14 (Taptite Screw M6 x 14)

под заказ40 руб.
7 512058992

Calibration Module. Grand TouКольцо 700. (Calibration Module. Grand Touring 700.)

под заказ62500 руб.
7 512059181

MODULE CALIB. *MODULE-CALIB.

под заказ79900 руб.
590030700

Calibration Module. Grand TouКольцо SE. (Calibration Module. Grand Touring SE.)

под заказпо запросу
8 420966705

Катушка зажигания. Includes 8 - 9. (Ignition Coil. Includes 8 - 9.)

под заказ25500 руб.
9 278000237

Spark Защитный колачок (Spark Plug Cap)

под заказ1580 руб.
9 420866708

PROT.BOUGIE *PROT-SPARK PLU

под заказ1230 руб.
10414961100

Свеча зажигания (NGK BR9-ES) (Spark Plug (NGK BR9-ES))

под заказ166 руб.
10414567000

BOUGIE BR9ES *PLUG-SPARK

под заказ170 руб.
11207162044

Шестигранный винт M6 x 20 (Hex. Screw M6 x 20)

под заказ284 руб.
11420940561

SCREW-HEX.M6 X 20

под заказ230 руб.
12515175148

Корпус Sвышеport (Housing Support)

под заказпо запросу
13420945751

Шайба с блокировкой 6 mm (Lock Washer 6 mm)

под заказ138 руб.
13540802026

RONDELLE-FREIN *WASHER-LOCK

под заказ110 руб.
14232061414

Hex. Гайка M6 (Hex. Nut M6)

под заказ284 руб.
14540802021

NUT-HEX.M6

под заказ230 руб.
15420852418

Starting Шкив (Starting Pulley)

под заказ1620 руб.
16420827405

Шайба (Washer)

под заказ715 руб.
17420841520

Socket Head Винт M8 x 12 (Socket Head Screw M8 x 12)

под заказ122 руб.
18293800015

Loctite 242, 10 ml (Loctite 242, 10 ml)

под заказ1680 руб.
18293800060

LOCTITE 243 *LOCTITE-243

под заказ2150 руб.
19243141640

Винт M4.8 x 16 (Screw M4.8 x 16)

под заказпо запросу
19732603009

SCREW-PLASTITE HEX.WR.HD.

под заказпо запросу
20270000141

Зажим (Clip)

под заказ1000 руб.
21219700417

Synthetic Смазка, 400g (Synthetic Grease, 400g)

под заказ7860 руб.
21293550033

SYNTHETIC GREASE 10X14OZ (1шт=1кор=10 туб)

под заказ10050 руб.
22XXX

Silastic 732 RTV, 100 ml (Silastic 732 RTV, 100 ml)

23XXX

Pop Заклёпка (Pop Rivet)

24409206500

Female Корпус (Female Housing)

под заказпо запросу
25228751045

Elastic Фланецd Гайка M5 (Elastic Flanged Nut M5)

под заказпо запросу
25233251414

NUT-FLANGE ELASTIC DIN.6926

под заказ270 руб.
26222051465

Шестигранный винт M5 x 14 (Hex. Screw M5 x 14)

под заказ222 руб.
26207151444

SCREW-HEX.CAP DIN.933

под заказ290 руб.
ski-doo

Время выполнения запроса 0.97448706626892 сек.


 
 

данный сайт носит информационный характер и не является публичной офертой

склад запчастей для водомоторной техники