вконтакте

Контактный телефон: +7 (981) 121-46-93, +7 (800) 200-90-76 , Email: parts-katalog@yandex.ru, где купить

 
 

  Логин:

Пароль:

Регистрация

www.partskatalog.ru Все каталоги Запчасти Mercury Запчасти Suzuki Запчасти Tohatsu Запчасти Honda Контакты



УВАЖАЕМЫЕ КЛИЕНТЫ!
C 19 ДЕКАБРЯ 2025 ПО 02 МАРТА 2026 ГОДА ОТДЕЛ ЗАПЧАСТЕЙ И СЕРВИС РАБОТАТЬ НЕ БУДУТ
ПРОДАЖА ЛОДОЧНЫХ МОТОРОВ В ШТАТНОМ РЕЖИМЕ
ОБ ИЗМЕНЕНИЯХ В ГРАФИКЕ РАБОТЫ ЧИТАЙТЕ НА САЙТА




Выбрать другую модель

назад Раздел:   вперёд

вернуться к списку узлов и деталей

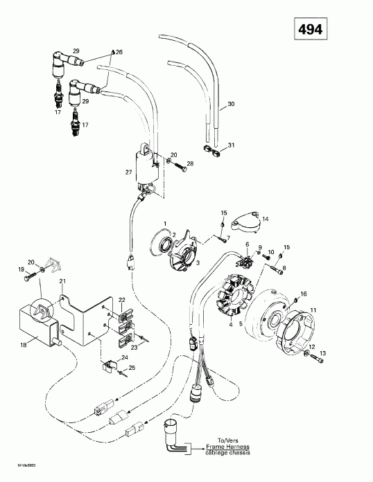
ДЕТАЛИРОВКА ДЛЯ МОДЕЛИ: SKIDOO Grand Touring 500/583, 1999

Раздел: Магнето 12v 220w (494) | Magneto 12v 220w (494)


модификация Grand Touring 500/583, 1999 - Magneto 12v 220w (494)

Номер на
рисунке
АртикулНаименованиеКол-во
на складе
Цена
1 420850430

Уплотнительное кольцо. Grand TouКольцо 500. (O-Ring. Grand Touring 500.)

под заказ1000 руб.
1 850430

O-RING 75-2,5(USE 420850430)

под заказ790 руб.
2 420930695

Сальник. Grand TouКольцо 500. (Oil Seal. Grand Touring 500.)

под заказ2710 руб.
2 930695

OIL-SEAL (USE 420930695)

под заказ2150 руб.
3 420810265

Якорь Пластина. Grand TouКольцо 500. (Armature Plate. Grand Touring 500.)

под заказпо запросу
4 410922904

Магнето в сборе 12V 220W. Includes 4 - 6. Grand TouКольцо 500. (Magneto Assy 12V 220W. Includes 4 - 6. Grand Touring 500.)

под заказпо запросу
4 410922905

Статор в сборе. Grand TouКольцо 500. (Stator Assy. Grand Touring 500.)

под заказ37400 руб.
4 410922100

PLAQUE REACTEUR*PLATE-STATOR A

под заказ34300 руб.
5 410922906

Магнето Маховик. Grand TouКольцо 500. (Magneto Flywheel. Grand Touring 500.)

под заказпо запросу
6 420965642

Pick выше в сборе. Grand TouКольцо 500. (Pick Up Assy. Grand Touring 500.)

под заказ6160 руб.
7 420941540

Allen Винт M5 x 20. Grand TouКольцо 500. (Allen Screw M5 x 20. Grand Touring 500.)

под заказ170 руб.
7 941540

ALLEN SCREW (USE420941540)

под заказ140 руб.
8 420840886

Allen Винт M6 x 30. Grand TouКольцо 500. (Allen Screw M6 x 30. Grand Touring 500.)

под заказ284 руб.
8 290840886

VIS ALLEN *SCREW-SOCKET

под заказ230 руб.
9 420827800

Шайба 5.5 mm. Grand TouКольцо 500. (Washer 5.5 mm. Grand Touring 500.)

под заказ284 руб.
9 290827800

RONDELLE *WASHER

под заказ230 руб.
10420840511

Allen Винт M5 x 16. Grand TouКольцо 500. (Allen Screw M5 x 16. Grand Touring 500.)

под заказ154 руб.
11420852416

Starting Шкив. Grand TouКольцо 500. (Starting Pulley. Grand Touring 500.)

под заказ1420 руб.
11420852590

PULL-STARTING

под заказ2140 руб.
12420945752

Шайба с блокировкой 8 mm. Grand TouКольцо 500. (Lock Washer 8 mm. Grand Touring 500.)

под заказ118 руб.
12402001600

RONDELLE-FREIN *WASHER-LOCK#8

под заказ110 руб.
13420841520

Allen Винт M8 x 12. Grand TouКольцо 500. (Allen Screw M8 x 12. Grand Touring 500.)

под заказ122 руб.
14420810700

Pick-выше Крышка. Grand TouКольцо 500. (Pick-Up Cover. Grand Touring 500.)

под заказ1130 руб.
15293800015

Loctite 242, 10 ml. Grand TouКольцо 500. (Loctite 242, 10 ml. Grand Touring 500.)

под заказ1680 руб.
15293800060

LOCTITE 243 *LOCTITE-243

под заказ2150 руб.
16413711400

Loctite 648, 10 ml. Grand TouКольцо 500. (Loctite 648, 10 ml. Grand Touring 500.)

под заказ2700 руб.
16293800039

LOCTITE 642 *LOCTITE-642

под заказ2700 руб.
17414961100

Свеча зажигания (NGK BR9ES) Grand TouКольцо 500. (Spark Plug (NGK BR9ES). Grand Touring 500.)

под заказ166 руб.
17414567000

BOUGIE BR9ES *PLUG-SPARK

под заказ170 руб.
18512058927

Ignition Module. Grand TouКольцо 500. (Ignition Module. Grand Touring 500.)

под заказпо запросу
19222061665

Шестигранный винт M6 x 16. Grand TouКольцо 500. (Hex. Screw M6 x 16. Grand Touring 500.)

под заказпо запросу
19702000778

VIS *BOLT

под заказпо запросу
20224761110

Шайба с блокировкой 6 mm. Grand TouКольцо 500. (Lock Washer 6 mm. Grand Touring 500.)

под заказ102 руб.
20234161471

WASHER-LOCK BLACK DIN.127B

под заказ130 руб.
21515175107

Sвышеport Кабели. Grand TouКольцо 500. (Support Cable. Grand Touring 500.)

под заказпо запросу
22270000141

Зажим. Grand TouКольцо 500. (Clip. Grand Touring 500.)

под заказ1000 руб.
23XXX

Pop Заклёпка. Grand TouКольцо 500. (Pop Rivet. Grand Touring 500.)

24415089700

Зажим. Grand TouКольцо 500. (Clip. Grand Touring 500.)

под заказпо запросу
25390402500

Pop Заклёпка. Grand TouКольцо 500. (Pop Rivet. Grand Touring 500.)

под заказ130 руб.
26293550004

Dielectric Смазка, 150 gr. Grand TouКольцо 500. (Dielectric Grease, 150 gr. Grand Touring 500.)

под заказ4740 руб.
26747018002

GRAISSE *GREASE

под заказ3710 руб.
27415085400

Катушка зажигания. Grand TouКольцо 500. (Ignition Coil. Grand Touring 500.)

под заказ7930 руб.
28207162044

Шестигранный винт M6 x 20. Grand TouКольцо 500. (Hex. Screw M6 x 20. Grand Touring 500.)

под заказ284 руб.
28420940561

SCREW-HEX.M6 X 20

под заказ230 руб.
29278000237

Свеча зажигания Защита Grand TouКольцо 500. (Spark Plug Protector. Grand Touring 500.)

под заказ1580 руб.
29420866708

PROT.BOUGIE *PROT-SPARK PLU

под заказ1230 руб.
30278001268

Свеча зажигания Провод. Grand TouКольцо 500. (Spark Plug Wire. Grand Touring 500.)

под заказпо запросу
30420965521

CABLE ALLUMAGE *CABLE-IGNITION

под заказпо запросу
31410914600

пластиковый Зажим. Grand TouКольцо 500. (Plastic Clip. Grand Touring 500.)

под заказ572 руб.
ski-doo

Время выполнения запроса 2.0030670166016 сек.


 
 

данный сайт носит информационный характер и не является публичной офертой

склад запчастей для водомоторной техники