вконтакте

Контактный телефон: +7 (981) 121-46-93, +7 (800) 200-90-76 , Email: parts-katalog@yandex.ru, где купить

 
 

  Логин:

Пароль:

Регистрация

www.partskatalog.ru Все каталоги Запчасти Mercury Запчасти Suzuki Запчасти Tohatsu Запчасти Honda Контакты



УВАЖАЕМЫЕ КЛИЕНТЫ!
C 19 ДЕКАБРЯ 2025 ПО 02 МАРТА 2026 ГОДА ОТДЕЛ ЗАПЧАСТЕЙ И СЕРВИС РАБОТАТЬ НЕ БУДУТ
ПРОДАЖА ЛОДОЧНЫХ МОТОРОВ В ШТАТНОМ РЕЖИМЕ
ОБ ИЗМЕНЕНИЯХ В ГРАФИКЕ РАБОТЫ ЧИТАЙТЕ НА САЙТА




Выбрать другую модель

Раздел:   вперёд

вернуться к списку узлов и деталей

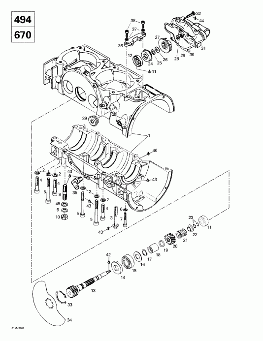
ДЕТАЛИРОВКА ДЛЯ МОДЕЛИ: SKIDOO Formula Z 500/583/670, 1999

Раздел: Картер двигателя, Rotary Клапан, Водяной насос (494, 670) | Crankcase, Rotary Valve, Water Pump (494, 670)


снегоход  Formula Z 500/583/670, 1999 раздел - Картер двигателя, Rotary Клапан, Водяной насос (494, 670)

Номер на
рисунке
АртикулНаименованиеКол-во
на складе
Цена
1 420888181

Картер двигателя в сборе. Includes 1 - 7. дляmula Z 500. (Crankcase Assy. Includes 1 - 7. Formula Z 500.)

под заказпо запросу
420888185

Картер двигателя в сборе. дляmula Z 670. (Crankcase Assy. Formula Z 670.)

под заказпо запросу
2 420945752

Шайба с блокировкой 8 mm. дляmula Z 500. дляmula Z 670. (Lock Washer 8 mm. Formula Z 500. Formula Z 670.)

под заказ118 руб.
2 402001600

RONDELLE-FREIN *WASHER-LOCK#8

под заказ110 руб.
3 420841306

Шестигранный винт M8 x 65. дляmula Z 500. дляmula Z 670. (Hex. Screw M8 x 65. Formula Z 500. Formula Z 670.)

под заказ441 руб.
4 420841561

Allen Винт M8 x 45. дляmula Z 500. дляmula Z 670. (Allen Screw M8 x 45. Formula Z 500. Formula Z 670.)

под заказ145 руб.
5 420841831

Allen Винт M8 x 75. дляmula Z 500. дляmula Z 670. (Allen Screw M8 x 75. Formula Z 500. Formula Z 670.)

под заказ170 руб.
6 420945751

Шайба с блокировкой 6 mm. дляmula Z 500. дляmula Z 670. (Lock Washer 6 mm. Formula Z 500. Formula Z 670.)

под заказ138 руб.
6 540802026

RONDELLE-FREIN *WASHER-LOCK

под заказ110 руб.
7 420241816

Allen Винт M6 x 40. дляmula Z 500. дляmula Z 670. (Allen Screw M6 x 40. Formula Z 500. Formula Z 670.)

под заказ154 руб.
7 420241815

SCREW-ALLEN M6 X 40

под заказ130 руб.
8 420940190

Шпилька M10 x 29 / 20. дляmula Z 500. дляmula Z 670. (Stud M10 x 29/20. Formula Z 500. Formula Z 670.)

под заказ145 руб.
9 224701188

Lock Пружинная шайба 10 mm. дляmula Z 500. дляmula Z 670. (Lock Spring Washer 10 mm. Formula Z 500. Formula Z 670.)

под заказ222 руб.
9 234100602

WASHER-LOCK SPRING DIN.128A-A2

под заказ290 руб.
10228001045

Hex. Гайка M10. дляmula Z 500. дляmula Z 670. (Hex. Nut M10. Formula Z 500. Formula Z 670.)

под заказпо запросу
10701000377

ECROU *NUT

под заказпо запросу
11420932797

Шариковый подшипник 6201. дляmula Z 500. дляmula Z 670. (Ball Bearing 6201. Formula Z 500. Formula Z 670.)

под заказ1290 руб.
11932797

BEARING (USE 420932797)

под заказ1010 руб.
12420850710

Сальник. дляmula Z 500. дляmula Z 670. (Oil Seal. Formula Z 500. Formula Z 670.)

под заказпо запросу
12850710

GASKET (USE 420850710)

под заказпо запросу
13420837243

Rotary Клапан Вал. дляmula Z 500. дляmula Z 670. (Rotary Valve Shaft. Formula Z 500. Formula Z 670.)

под заказпо запросу
13837240

ROTARY VALVE SHAFT (USE 420837243)

под заказпо запросу
14420930580

Сальник. дляmula Z 500. дляmula Z 670. (Oil Seal. Formula Z 500. Formula Z 670.)

под заказ1150 руб.
14930580

GASKET (USE 420930580)

под заказ900 руб.
15405406400

Шариковый подшипник 6203. дляmula Z 500. дляmula Z 670. (Ball Bearing 6203. Formula Z 500. Formula Z 670.)

под заказ1010 руб.
15293350051

ROULEMENT BILLE*BALL BEARING

под заказ1290 руб.
16420227439

Регулировочная шайба. дляmula Z 500. дляmula Z 670. (Shim. Formula Z 500. Formula Z 670.)

под заказ428 руб.
16290227439

CALE EPAISSEUR *SHIM

под заказ340 руб.
17420845450

Lock Кольцо. дляmula Z 500. дляmula Z 670. (Lock Ring. Formula Z 500. Formula Z 670.)

под заказ284 руб.
17845450

SEGERRENGAS 17X1 582 -94

под заказ230 руб.
18420847282

Проставка. дляmula Z 500. дляmula Z 670. (Spacer. Formula Z 500. Formula Z 670.)

под заказ1290 руб.
18847282

SPACER

под заказ1010 руб.
19420831500

Уплотнительное кольцо. дляmula Z 500. дляmula Z 670. (O-Ring. Formula Z 500. Formula Z 670.)

под заказпо запросу
19831500

O-RING (USE 420831500)

под заказпо запросу
20420935735

Rotary Клапан Шестерня 14 Teeth. дляmula Z 500. дляmula Z 670. (Rotary Valve Gear 14 Teeth. Formula Z 500. Formula Z 670.)

под заказ5280 руб.
20420935736

ROUE DENTEE 14D*SPROCKET 14TH

под заказ6750 руб.
20010-450

     (не оригинальная запчасть) Шестерня вала привода роторного клапана BRP 010-450

под заказ5 120 руб.
21420938810

Пружина. дляmula Z 500. дляmula Z 670. (Spring. Formula Z 500. Formula Z 670.)

под заказ1150 руб.
21938810

SPRING (420938810)

под заказ900 руб.
22420827430

Пружина Holding Cвыше. дляmula Z 500. дляmula Z 670. (Spring Holding Cup. Formula Z 500. Formula Z 670.)

под заказ1000 руб.
22827430

SPRING HOLDING CUP

под заказ790 руб.
23420845160

Стопорное кольцо. дляmula Z 500. дляmula Z 670. (Circlip. Formula Z 500. Formula Z 670.)

под заказ284 руб.
23845160

LOCKING RING (USE 420845160)

под заказ230 руб.
24420650370

Rotary Сальник. дляmula Z 500. дляmula Z 670. (Rotary Seal. Formula Z 500. Formula Z 670.)

под заказ2150 руб.
24420650372

JOINT TOURNANT *ROTARY SEAL

под заказ1830 руб.
24010-1200

     (не оригинальная запчасть) Ремкомплект масляного насоса (заднего) BRP 1503 010-1200

под заказ15 700 руб.
24009-797

     (не оригинальная запчасть) Cальник водяного насоса BRP 1503 009-797

под заказ2 830 руб.
2410-721258

     (не оригинальная запчасть) Ремкомплект помпы охлаждения BRP 10-721258

под заказ3 970 руб.
2410-721312

     (не оригинальная запчасть) Ремкомплект помпы охлаждения BRP 10-721312

под заказ4 110 руб.
24AT-10062

     (не оригинальная запчасть) Ремкомплект помпы охлаждения BRP AT-10062

под заказ7 820 руб.
25420227945

Шайба. дляmula Z 500. дляmula Z 670. (Washer. Formula Z 500. Formula Z 670.)

под заказ428 руб.
25227945

WASHER

под заказ340 руб.
26420227155

Friction Шайба. дляmula Z 500. дляmula Z 670. (Friction Washer. Formula Z 500. Formula Z 670.)

под заказ594 руб.
26227155

WASHER

под заказ550 руб.
27420922036

Крыльчатка водяного насоса. дляmula Z 500. дляmula Z 670. (Water Pump Impeller. Formula Z 500. Formula Z 670.)

под заказ1220 руб.
27922036

IMPELLER (USE 420922036)

под заказ960 руб.
28224061121

плоский Шайба 6.4 mm. дляmula Z 500. дляmula Z 670. (Flat Washer 6.4 mm. Formula Z 500. Formula Z 670.)

под заказ138 руб.
28702000112

RONDELLE *WASHER

под заказ110 руб.
29420842042

Locking Гайка M6. дляmula Z 500. дляmula Z 670. (Locking Nut M6. Formula Z 500. Formula Z 670.)

под заказпо запросу
30420931355

Прокладка. дляmula Z 500. дляmula Z 670. (Gasket. Formula Z 500. Formula Z 670.)

под заказ535 руб.
31420922551

Водяной насос Корпус. дляmula Z 500. дляmula Z 670. (Water Pump Housing. Formula Z 500. Formula Z 670.)

под заказпо запросу
32420240031

Шестигранный винт M6 x 25. дляmula Z 500. дляmula Z 670. (Hex. Screw M6 x 25. Formula Z 500. Formula Z 670.)

под заказ242 руб.
32420240034

SCREW-HEX.M6 X 25

под заказ190 руб.
33420845260

Lock Кольцо. дляmula Z 500. дляmula Z 670. (Lock Ring. Formula Z 500. Formula Z 670.)

под заказ572 руб.
33845260

CIRCLIP (USE 420845260)

под заказ450 руб.
34420924508

Rotary Клапан (147 Deg.) дляmula Z 500. (Rotary Valve (147 Deg.). Formula Z 500.)

под заказ4600 руб.
34420924509

VALVE ROTATIVE *VALVE-ROTARY

под заказпо запросу
420924500

Rotary Клапан (164 Deg.) дляmula Z 670. (Rotary Valve (164 Deg.). Formula Z 670.)

под заказ4500 руб.
924500

ROTARY VALVE (164 AST.)(USE420924500)

под заказ3430 руб.
35420922245

Angular Трубка. дляmula Z 500. дляmula Z 670. (Angular Tube. Formula Z 500. Formula Z 670.)

под заказпо запросу
35922245

ANGULAR TUBE (USE 420922245)

под заказпо запросу
36420851280

Fixation. дляmula Z 500. дляmula Z 670. (Fixation. Formula Z 500. Formula Z 670.)

под заказпо запросу
37420827800

Шайба 5.5 mm. дляmula Z 500. дляmula Z 670. (Washer 5.5 mm. Formula Z 500. Formula Z 670.)

под заказ284 руб.
37290827800

RONDELLE *WASHER

под заказ230 руб.
38420240181

Allen Винт M5 x 20. дляmula Z 500. дляmula Z 670. (Allen Screw M5 x 20. Formula Z 500. Formula Z 670.)

под заказпо запросу
39420860965

Кабели Пыльник. дляmula Z 500. дляmula Z 670. (Cable Grommet. Formula Z 500. Formula Z 670.)

под заказ978 руб.
40293800007

Loctite 515, 50 ml. дляmula Z 500. дляmula Z 670. (Loctite 515, 50 ml. Formula Z 500. Formula Z 670.)

под заказпо запросу
41413802900

Oil Injection 12 x 1 L. дляmula Z 500. дляmula Z 670. (Oil Injection 12 x 1 L. Formula Z 500. Formula Z 670.)

под заказ910 руб.
41619590101

XPS 2 stroke Mineral 3*1 gallon (293600118)

под заказ2200 руб.
42413711400

Loctite 648, 10 ml. дляmula Z 500. дляmula Z 670. (Loctite 648, 10 ml. Formula Z 500. Formula Z 670.)

под заказ2700 руб.
42293800039

LOCTITE 642 *LOCTITE-642

под заказ2700 руб.
43413703000

Loctite 242, 10 cc. дляmula Z 500. дляmula Z 670. (Loctite 242, 10 cc. Formula Z 500. Formula Z 670.)

под заказ1680 руб.
43293800060

LOCTITE 243 *LOCTITE-243

под заказ2150 руб.
44XXX

Loctite 243. дляmula Z 500. дляmula Z 670. (Loctite 243. Formula Z 500. Formula Z 670.)

45224001211

плоский Шайба 10 mm. дляmula Z 500. дляmula Z 670. (Flat Washer 10 mm. Formula Z 500. Formula Z 670.)

под заказ222 руб.
45234001410

WASHER-FLAT DIN.125A

под заказ290 руб.
ski-doo

Время выполнения запроса 9.7672090530396 сек.


 
 

данный сайт носит информационный характер и не является публичной офертой

склад запчастей для водомоторной техники