вконтакте

Контактный телефон: +7 (981) 121-46-93, +7 (800) 200-90-76 , Email: parts-katalog@yandex.ru, где купить

 
 

  Логин:

Пароль:

Регистрация

www.partskatalog.ru Все каталоги Запчасти Mercury Запчасти Suzuki Запчасти Tohatsu Запчасти Honda Контакты


Выбрать другую модель

назад Раздел:   вперёд

вернуться к списку узлов и деталей

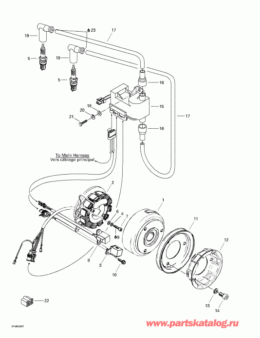
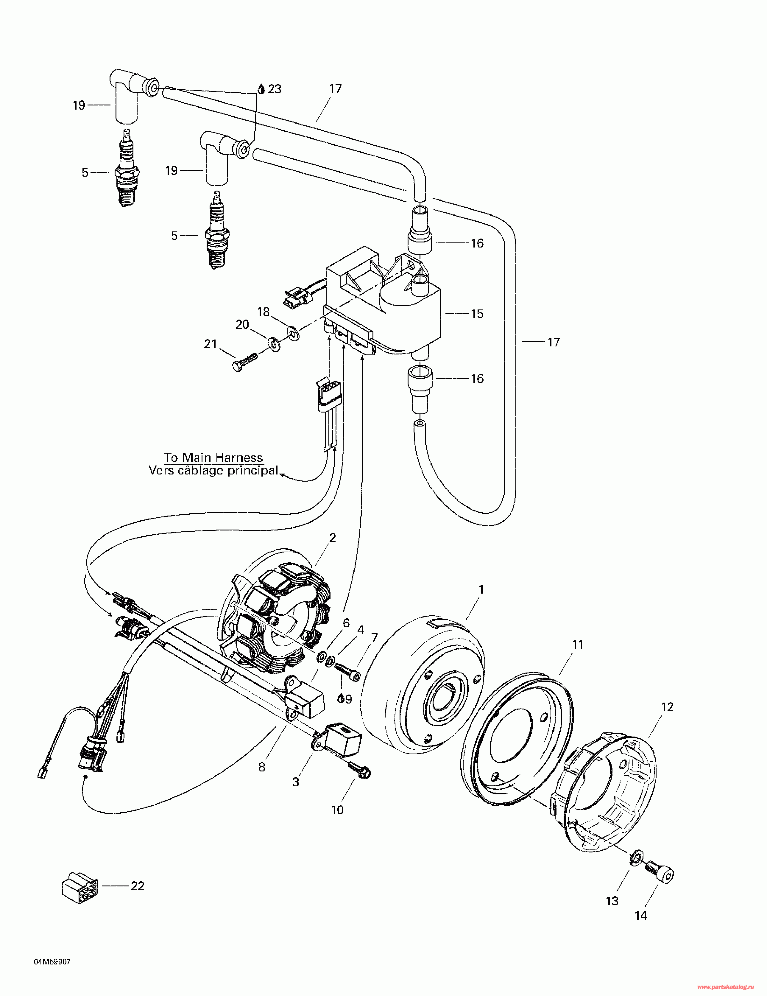
ДЕТАЛИРОВКА ДЛЯ МОДЕЛИ: SKIDOO Formula Deluxe 380/500, 1999

Раздел: Магнето | Magneto


Formula Deluxe 380/500, 1999 - Magneto

Номер на
рисунке
АртикулНаименованиеКол-во
на складе
Цена
1 420887653

Магнето Ducati 12V240W. Includes 1 - 2. (Magneto Ducati 12V240W. Includes 1 - 2.)

под заказпо запросу
1 420887654

MAGNETO DUCATI *MAGNETO-DUCATI

под заказпо запросу
1 420996824

Магнето Маховик (Magneto Flywheel)

под заказ38600 руб.
1 420996823

VOLANT MOTEUR *FLYWHEEL

под заказ46000 руб.
2 420886603

Статор Пластина в сборе (Stator Plate Assy)

под заказ48100 руб.
2 420886602

PLAQUE STATOR A*PLATE-STATOR A

под заказ33300 руб.
2 SM-01379

     (не оригинальная запчасть) Статор BRP SM-01379

под заказ18 980 руб.
3 420966547

Pick-выше в сборе (Pick-up Assy)

под заказпо запросу
3 420665162

CAPTEUR ASS. *PICKUP-ASSY.

под заказпо запросу
3 SU-01371A

     (не оригинальная запчасть) Датчик Холла BRP SU-01371A

под заказ4 300 руб.
4 420945750

Шайба с блокировкой 5 mm (Lock Washer 5 mm)

под заказ138 руб.
4 402402400

RONDELLE-FREIN *WASHER-LOCK

под заказ110 руб.
5 414961100

Свеча зажигания (NGK BR9 ES) (Spark Plug (NGK BR9 ES))

под заказ166 руб.
5 414567000

BOUGIE BR9ES *PLUG-SPARK

под заказ170 руб.
6 420927571

Шайба 5.3 mm (Washer 5.3 mm)

под заказ242 руб.
7 420840515

Socket Head Винт M5 x 18 (Socket Head Screw M5 x 18)

под заказ284 руб.
7 290840515

VIS ALLEN *SCREW-SOCKET

под заказ230 руб.
8 420966545

Pick-выше в сборе (Pick-up Assy)

под заказ9710 руб.
8 420665160

CAPTEUR ASS. *PICKUP-ASSY.

под заказ11960 руб.
8 SU-01379A

     (не оригинальная запчасть) Датчик Холла BRP SU-01379A

под заказ7 650 руб.
9 413703000

Loctite 242, 10 c.c (Loctite 242, 10 c.c)

под заказ1680 руб.
9 293800060

LOCTITE 243 *LOCTITE-243

под заказ2150 руб.
10420941925

Taptite Винт M5 x 16 (Taptite Screw M5 x 16)

под заказ284 руб.
10941925

SCREW M5 X 16(USE 420941925)

под заказ230 руб.
11420980486

Клиновидный ремень Шкив (V-Belt Pulley)

под заказ2710 руб.
11980485

V-BELT-PULLEY

под заказ2010 руб.
12420852414

Шнур Sheave (Rope Sheave)

под заказ2140 руб.
12420852420

POULIE DEMARRAG*SHEAVE-ROPE

под заказпо запросу
13420845311

Шайба с блокировкой (Lock Washer)

под заказ133 руб.
14420841521

Socket Head Винт M8 x 12 (Socket Head Screw M8 x 12)

под заказ154 руб.
15512059002

Calibration Module. дляmula Deluxe 380. (Calibration Module. Formula Deluxe 380.)

под заказ33600 руб.
15515175385

MODULE CALIBRE *MODULE-CALIB.

под заказ36600 руб.
15SU-01192

     (не оригинальная запчасть) Катушка зажигания BRP SU-01192

под заказ33 520 руб.
512059000

Calibration Module. дляmula Deluxe 500. (Calibration Module. Formula Deluxe 500.)

под заказ33600 руб.
515175386

MODULE CALIBRE *MODULE-CALIB.

под заказ36600 руб.
SU-01187

     (не оригинальная запчасть) Катушка зажигания BRP SU-01187

под заказ33 520 руб.
16515174900

Protection Колпачок (Protection Cap)

под заказ1420 руб.
17278001268

Ignition Кабели (Ignition Cable)

под заказпо запросу
17420965521

CABLE ALLUMAGE *CABLE-IGNITION

под заказпо запросу
18224061151

плоский Шайба 6 mm (Flat Washer 6 mm)

под заказ206 руб.
18234061410

WASHER-FLAT M6 DIN.125A

под заказ270 руб.
19278000237

Spark Защитный колачок (Spark Plug Cap)

под заказ1580 руб.
19420866708

PROT.BOUGIE *PROT-SPARK PLU

под заказ1230 руб.
20224761110

Шайба с блокировкой 6 mm (Lock Washer 6 mm)

под заказ102 руб.
20234161471

WASHER-LOCK BLACK DIN.127B

под заказ130 руб.
21222061665

Шестигранный винт M6 x 16 (Hex. Screw M6 x 16)

под заказпо запросу
21702000778

VIS *BOLT

под заказпо запросу
22409204900

Female Корпус (Female Housing)

под заказ471 руб.
23219700417

Synthetic Смазка, 400g (Synthetic Grease, 400g)

под заказ7860 руб.
23293550033

SYNTHETIC GREASE 10X14OZ (1шт=1кор=10 туб)

под заказ10050 руб.
ski-doo

Время выполнения запроса 8.5831108093262 сек.


 
 

данный сайт носит информационный характер и не является публичной офертой

склад запчастей для водомоторной техники