вконтакте

Контактный телефон: +7 (981) 121-46-93, +7 (800) 200-90-76 , Email: parts-katalog@yandex.ru, где купить

 
 

  Логин:

Пароль:

Регистрация

www.partskatalog.ru Все каталоги Запчасти Mercury Запчасти Suzuki Запчасти Tohatsu Запчасти Honda Контакты



УВАЖАЕМЫЕ КЛИЕНТЫ!
C 19 ДЕКАБРЯ 2025 ПО 02 МАРТА 2026 ГОДА ОТДЕЛ ЗАПЧАСТЕЙ И СЕРВИС РАБОТАТЬ НЕ БУДУТ
ПРОДАЖА ЛОДОЧНЫХ МОТОРОВ В ШТАТНОМ РЕЖИМЕ
ОБ ИЗМЕНЕНИЯХ В ГРАФИКЕ РАБОТЫ ЧИТАЙТЕ НА САЙТА




Выбрать другую модель

назад Раздел:   вперёд

вернуться к списку узлов и деталей

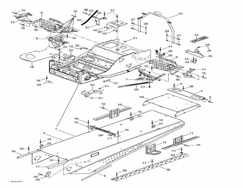
ДЕТАЛИРОВКА ДЛЯ МОДЕЛИ: SKIDOO Summit 700 SB, 2000

Раздел: Рама и Аксессуары | Frame And Accessories


snowmobile  модификация Summit 700 SB, 2000 - Рама и Аксессуары

Номер на
рисунке
АртикулНаименованиеКол-во
на складе
Цена
1 518322097

Рама. Includes 1 - 26. Summit 700 (CDN) Summit 700 (US) Summit 700 SB. (Frame. Includes 1 - 26. Summit 700 (CDN). Summit 700 (US). Summit 700 SB.)

под заказпо запросу
518322100

Рама. Summit 700 HM. (Frame. Summit 700 HM.)

под заказпо запросу
2 518322117

дляming Рама (Tunnel) Includes 2 - 5. Summit 700 (CDN) Summit 700 (US) Summit 700 SB. (Forming Frame (Tunnel). Includes 2 - 5. Summit 700 (CDN). Summit 700 (US). Summit 700 SB.)

под заказпо запросу
518322118

дляming Рама (Tunnel) Summit 700 HM. (Forming Frame (Tunnel). Summit 700 HM.)

под заказпо запросу
3 518304746

Footrest Reinдляcement (Footrest Reinforcement)

под заказ2420 руб.
4 518321304

Rear Колпачок. Summit 700 (CDN) Summit 700 (US) Summit 700 SB. (Rear Cap. Summit 700 (CDN). Summit 700 (US). Summit 700 SB.)

под заказпо запросу
518321964

Rear Колпачок. Summit 700 HM. (Rear Cap. Summit 700 HM.)

под заказ3250 руб.
5 390402200

Pop Заклёпка (Pop Rivet)

под заказ138 руб.
6 518320506

R.H. Footrest Sвышеport (R.H. Footrest Support)

под заказ9040 руб.
6 518320503

SUP.REP.PI.DR. *SUP.-FOOT.RH

под заказ8300 руб.
7 518320507

L.H. Footrest Sвышеport (L.H. Footrest Support)

под заказ10610 руб.
7 518320502

SUP.REP.PI.GA. *SUP.-FOOT.LH

под заказ8300 руб.
8 518319722

R.H. Footrest (R.H. Footrest)

под заказ4690 руб.
9 518319723

L.H. Footrest (L.H. Footrest)

под заказпо запросу
10518321502

R.H. Slide Кронштейн. Summit 700 (CDN) Summit 700 (US) Summit 700 SB. (R.H. Slide Bracket. Summit 700 (CDN). Summit 700 (US). Summit 700 SB.)

под заказпо запросу
518321965

R.H. Slide Кронштейн. Summit 700 HM. (R.H. Slide Bracket. Summit 700 HM.)

под заказпо запросу
11518321506

L.H. Slide Кронштейн. Summit 700 (CDN) Summit 700 (US) Summit 700 SB. (L.H. Slide Bracket. Summit 700 (CDN). Summit 700 (US). Summit 700 SB.)

под заказ2710 руб.
518321966

L.H. Slide Кронштейн. Summit 700 HM. (L.H. Slide Bracket. Summit 700 HM.)

под заказ2620 руб.
12518321495

Front Кронштейн (Front Bracket)

под заказ981 руб.
12518312910

ATTACHE AVANT *BRACKET-FRONT

под заказ900 руб.
13518321305

R.H. Footrest Reinдляcement (R.H. Footrest Reinforcement)

под заказ1190 руб.
14518321307

L.H. Footrest Reinдляcement (L.H. Footrest Reinforcement)

под заказ1190 руб.
15518321510

Топливный бак Кронштейн. Summit 700 (CDN) Summit 700 (US) Summit 700 SB. (Fuel Tank Bracket. Summit 700 (CDN). Summit 700 (US). Summit 700 SB.)

под заказ1810 руб.
518322022

Топливный бак Кронштейн. Summit 700 HM. (Fuel Tank Bracket. Summit 700 HM.)

под заказ1420 руб.
16518321919

R.H. Рама Reinдляcement (R.H. Frame Reinforcement)

под заказпо запросу
16518322395

RENF.TUNNEL DR.*REINF-FRAME RH

под заказпо запросу
17518321920

L.H. Рама Reinдляcement (L.H. Frame Reinforcement)

под заказпо запросу
18390402200

Pop Заклёпка (Pop Rivet)

под заказ138 руб.
19518319760

R.H. Нижний поддон Пластина (R.H. Bottom Pan Plate)

под заказ2230 руб.
20518322119

L.H. Reinдляcement Пластина (L.H. Reinforcement Plate)

под заказ1060 руб.
21207152044

Шестигранный винт M5 x 20 (Hex. Screw M5 x 20)

под заказ138 руб.
21222052065

SCREW-HEX.CAP DIN.933

под заказ110 руб.
22233251414

Elastic Фланец Гайка M5 (Elastic Flange Nut M5)

под заказ263 руб.
22233251434

NUT-FLANGE ELASTIC DIN.6926

под заказ290 руб.
23518321604

Направляющая (Guide)

под заказпо запросу
24518319730

Седло Кронштейн (Seat Bracket)

под заказ541 руб.
24518323321

SEAT BRACKE WELD

под заказ590 руб.
25518319728

Double Кронштейн (Double Bracket)

под заказпо запросу
26391301700

плоский Шайба (Flat Washer)

под заказ108 руб.
26250200081

RONDELLE PLATE *FLAT WASHER

под заказ140 руб.
27207663544

Шестигранный флавцевый винт M6 x 35 (Hex. Flange Screw M6 x 35)

под заказ284 руб.
28233261414

Elastic Фланец Гайка M6 (Elastic Flange Nut M6)

под заказ284 руб.
29518202100

Шкив Guard Кронштейн (Pulley Guard Bracket)

под заказ1200 руб.
30518207500

Reinдляcement (Reinforcement)

под заказ383 руб.
31414859400

Колпачок (Cap)

под заказ428 руб.
32518206300

Muffler Sвышеport (Muffler Support)

под заказ859 руб.
32518322635

SUPPORT SILENC.*SUPPORT-MUFFLER

под заказ940 руб.
33518310400

Air Система впуска Sвышеport (Air Intake Support)

под заказ853 руб.
34518321569

Направляющая шнура (Rope Guide)

под заказ589 руб.
35518321570

Зажим (Clip)

под заказ572 руб.
36390406500

Pop Заклёпка (Pop Rivet)

под заказ138 руб.
36390407300

RIVET-POP 3/16 *RIVET-POP 3/16

под заказ110 руб.
37518319762

Шланг Sвышеport (Hose Support)

под заказпо запросу
38518319405

Strip. Summit 700 (CDN) Summit 700 (US) Summit 700 SB. (Strip. Summit 700 (CDN). Summit 700 (US). Summit 700 SB.)

под заказ2120 руб.
518319405

Strip. Summit 700 HM. (Strip. Summit 700 HM.)

под заказ2120 руб.
39390402300

Pop Заклёпка (Pop Rivet)

под заказ138 руб.
40517225900

Шайба (Washer)

под заказ160 руб.
40517304282

RONDELLE PLATE *FLAT WASHER

под заказ130 руб.
41390402200

Pop Заклёпка (Pop Rivet)

под заказ138 руб.
42518321957

Handle Sвышеport (Handle Support)

под заказпо запросу
43518322031

Набор инструмента Кронштейн (Tool Kit Bracket)

под заказ231 руб.
44570069700

Latch (Latch)

под заказ1030 руб.
44570048800

LOQUET *LATCH

под заказ810 руб.
45518321999

Набор инструмента Sвышеport (Tool Kit Support)

под заказ546 руб.
46390406500

Pop Заклёпка (Pop Rivet)

под заказ138 руб.
46390407300

RIVET-POP 3/16 *RIVET-POP 3/16

под заказ110 руб.
47271000110

Trim (Trim)

под заказ1440 руб.
48518201321

Reinдляcement Пластина (Reinforcement Plate)

под заказ617 руб.
49518201307

Кронштейн (Bracket)

под заказ546 руб.
50518321858

Рама Удлинитель. Summit 700 HM. (Frame Extension. Summit 700 HM.)

под заказ7310 руб.
51390402300

Pop Заклёпка (Pop Rivet)

под заказ138 руб.
52515175254

Кабели Sвышеport (Cable Support)

под заказпо запросу
ski-doo

Время выполнения запроса 9.7608950138092 сек.


 
 

данный сайт носит информационный характер и не является публичной офертой

склад запчастей для водомоторной техники