вконтакте

Контактный телефон: +7 (981) 121-46-93, +7 (800) 200-90-76 , Email: parts-katalog@yandex.ru, где купить

 
 

  Логин:

Пароль:

Регистрация

www.partskatalog.ru Все каталоги Запчасти Mercury Запчасти Suzuki Запчасти Tohatsu Запчасти Honda Контакты



УВАЖАЕМЫЕ КЛИЕНТЫ!
C 19 ДЕКАБРЯ 2025 ПО 02 МАРТА 2026 ГОДА ОТДЕЛ ЗАПЧАСТЕЙ И СЕРВИС РАБОТАТЬ НЕ БУДУТ
ПРОДАЖА ЛОДОЧНЫХ МОТОРОВ В ШТАТНОМ РЕЖИМЕ
ОБ ИЗМЕНЕНИЯХ В ГРАФИКЕ РАБОТЫ ЧИТАЙТЕ НА САЙТА




Выбрать другую модель

Раздел:   вперёд

вернуться к списку узлов и деталей

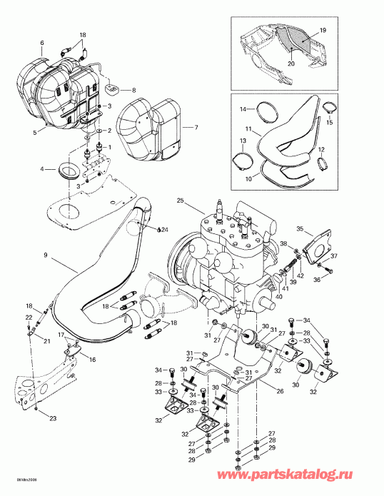
ДЕТАЛИРОВКА ДЛЯ МОДЕЛИ: SKIDOO Summit 600/SB, 2000

Раздел: Двигатель Sвышеport и Muffler | Engine Support And Muffler


snowmobile Ski-doo модификация Summit 600/SB, 2000 - Engine Support And Muffler

Номер на
рисунке
АртикулНаименованиеКол-во
на складе
Цена
1 514052994

Монтажная резинка (Rubber Mount)

под заказ1150 руб.
1 514052889

TAMPON ANCRAGE *MOUNT-RUBBER

под заказ1480 руб.
2 514052891

Isolating Шайба (Isolating Washer)

под заказ183 руб.
3 233281414

Elastic Фланец Гайка M8 (Elastic Flange Nut M8)

под заказ284 руб.
4 570039000

Выхлоп Пыльник (Exhaust Grommet)

под заказ1570 руб.
4 570035600

RONDELLE ECHAPP*GROMMET-EXHAUS

под заказ1220 руб.
5 514052724

Muffler в сборе. Includes 5 - 7. (Muffler Assy. Includes 5 - 7.)

под заказпо запросу
6 514052732

R.H. Heat Shield (R.H. Heat Shield)

под заказпо запросу
6 514053160

DEFL.CHALEUR DR*SHIELD-HEAT RH

под заказпо запросу
7 514052733

L.H. Heat Shield (L.H. Heat Shield)

под заказпо запросу
8 514052704

Rubber Бампер (Rubber Bumper)

под заказ1150 руб.
9 514053012

Tuned Трубка в сборе. Includes 9 - 15. (Tuned Pipe Assy. Includes 9 - 15.)

под заказпо запросу
9 514053488

TUBE-CALIB.ASSY

под заказпо запросу
10514052984

нижний Enveloppe (Lower Enveloppe)

под заказ3070 руб.
10514053360

ENVELOPPE INF. *ENVELOPPE-LOWER

под заказ3350 руб.
11514052714

верхний Enveloppe (Upper Enveloppe)

под заказ3070 руб.
11514053167

ENVELOPPE SUP. *ENVELOPPE-UPP.

под заказ3350 руб.
12514053074

Norma Шестерня Струбцина (Norma Gear Clamp)

под заказ978 руб.
12514052860

BRIDE SERRAGE *CLAMP-GEAR

под заказ580 руб.
13514052962

Norma Шестерня Струбцина (Norma Gear Clamp)

под заказ347 руб.
13514052902

BRIDE SERRAGE *CLAMP-GEAR

под заказ320 руб.
14514052735

Norma Шестерня Струбцина (Norma Gear Clamp)

под заказпо запросу
15514052859

Norma Шестерня Струбцина (Norma Gear Clamp)

под заказ672 руб.
15293650118

BRIDE SERRAGE *CLAMP-GEAR

под заказ860 руб.
16570044100

Rubber Pad (Rubber Pad)

под заказ512 руб.
17390409500

Pop Заклёпка (Pop Rivet)

под заказпо запросу
18415107100

Пружина (Spring)

под заказ457 руб.
18517165800

RESSORT *SPRING

под заказ360 руб.
18SM-02007

     (не оригинальная запчасть) Пружина крепления глушителя BRP SM-02007

под заказ280 руб.
19514052718

Reflective Sheet (Reflective Sheet)

под заказ1030 руб.
20514052719

Reflective Sheet (Reflective Sheet)

под заказ990 руб.
20514053390

FEUILLE REFLECT*SHEET-REFLECT

под заказ1270 руб.
21514053026

Пружина Кронштейн (Spring Bracket)

под заказ170 руб.
22207151244

Шестигранный винт M5 x 12 (Hex. Screw M5 x 12)

под заказ130 руб.
22222051265

SCREW-HEX.CAP DIN.933

под заказ110 руб.
23233251414

Elastic Фланец Гайка M5 (Elastic Flange Nut M5)

под заказ263 руб.
23233251434

NUT-FLANGE ELASTIC DIN.6926

под заказ290 руб.
24413710300

Сальникant, Loctite 17914, 80 ml (Sealant, Loctite 17914, 80 ml)

под заказ1570 руб.
24293800090

ENDUIT ETANCHE *SEALANT

под заказ2010 руб.
25400509717

<<593>> Двигатель (<<593>> Engine)

под заказпо запросу
26512058000

Двигатель Sвышеport (Engine Support)

под заказ7750 руб.
26512059488

SOCLE *SUPPORT-ENGINE

под заказ9910 руб.
27234001410

плоский Шайба 10 mm (Flat Washer 10 mm)

под заказ284 руб.
27224001211

WASHER-FLAT DIN.125A

под заказ230 руб.
28234100602

Шайба с блокировкой 10 мм (Lock Washer 10mm)

под заказ284 руб.
28224701188

WASHER-LOCK SPRING DIN.128A-A2

под заказ230 руб.
29232006414

Гайка M10 (Nut M10)

под заказ284 руб.
29420242091

NUT-HEX.M10

под заказ230 руб.
30570127700

Монтажная резинка (Rubber Mount)

под заказ2440 руб.
30570128700

TAMPON ANCRAGE *MOUNT-RUBBER

под заказ4070 руб.
3009-217

     (не оригинальная запчасть) Опора (подушка) двигателя BRP 09-217

под заказ760 руб.
31233601416

Elastic Locking Гайка M10 (Elastic Locking Nut M10)

под заказ284 руб.
31228501045

NUT-LOCKING ELASTIC DIN.982

под заказпо запросу
32512050900

Двигатель Sвышеport (Engine Support)

под заказ745 руб.
33512056700

Шайба с блокировкой (Lock Washer)

под заказ548 руб.
33517168000

RONDELLE-FREIN *WASHER-LOCK

под заказ430 руб.
34207102544

Шестигранный винт M10 x 25 (Hex. Screw M10 x 25)

под заказ284 руб.
34420440241

SCREW-M10 X25

под заказ230 руб.
35512058500

Sвышеport Пластина (Support Plate)

под заказ1830 руб.
36207182044

Шестигранный винт M8 x 20 (Hex. Screw M8 x 20)

под заказ284 руб.
36702000412

VIS *SCREW

под заказ230 руб.
37234081410

плоский Шайба 8 mm (Flat Washer 8 mm)

под заказ130 руб.
38232581414

Эластичная гайка со стопором M8 (Elastic Stop Nut M8)

под заказ136 руб.
38420942030

NUT-LOCK M8

под заказ110 руб.
39512058800

Стопор Винт (Stopper Screw)

под заказ973 руб.
40512059056

Стопор (Stopper)

под заказ1410 руб.
41512059057

Шайба (Washer)

под заказ106 руб.
415147306

WASHER (512059057)

под заказ120 руб.
42732610019

R.H. Hex. Jam Гайка M12 (R.H. Hex. Jam Nut M12)

под заказ242 руб.
ski-doo

Время выполнения запроса 3.2070569992065 сек.


 
 

данный сайт носит информационный характер и не является публичной офертой

склад запчастей для водомоторной техники