вконтакте

Контактный телефон: +7 (981) 121-46-93, +7 (800) 200-90-76 , Email: parts-katalog@yandex.ru, где купить

 
 

  Логин:

Пароль:

Регистрация

www.partskatalog.ru Все каталоги Запчасти Mercury Запчасти Suzuki Запчасти Tohatsu Запчасти Honda Контакты


Выбрать другую модель

назад Раздел:   вперёд

вернуться к списку узлов и деталей

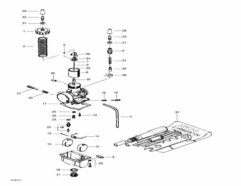
ДЕТАЛИРОВКА ДЛЯ МОДЕЛИ: SKIDOO Skandic Wide Track, 2000

Раздел: Карбюраторs | Carburetors


снегоход BRP SkiDoo модификация Skandic Wide Track, 2000 - Carburetors

Номер на
рисунке
АртикулНаименованиеКол-во
на складе
Цена
1 M19034

Карбюратор VM 34-534. Includes 1 - 35. Skandic WT. Skandic SWT. (Carburetor VM 34-534. Includes 1 - 35. Skandic WT. Skandic SWT.)

под заказпо запросу
M19105

Карбюратор VM 34-534 (MAG) Skandic WT LC. (Carburetor VM 34-534 (MAG). Skandic WT LC.)

под заказпо запросу
M19106

Карбюратор VM 34-534 (PTO) Skandic WT LC. (Carburetor VM 34-534 (PTO). Skandic WT LC.)

под заказпо запросу
1 404103700

Крышка (Cover)

под заказ2360 руб.
2 404154800

Пружина клапана дросселя (Throttle Valve Spring)

под заказ1850 руб.
3 404103000

Пластина (Plate)

под заказ792 руб.
4 404160100

Air Vent Трубка (Air Vent Tube)

под заказ691 руб.
5 404121300

Винт with Шайба (Screw with Washer)

под заказ428 руб.
5 404128200

SCREW-WITH LOCK WASHER

под заказ340 руб.
6 404110400

Игла жиклёра J8 6DH2. Skandic WT. Skandic SWT. (Jet Needle J8 6DH2. Skandic WT. Skandic SWT.)

под заказ1400 руб.
6 1471002

NEEDLE 6DH2 (USE 404110400)

под заказ1110 руб.
404161876

Игла жиклёра J8 6DH10. Skandic WT LC. (Jet Needle J8 6DH10. Skandic WT LC.)

под заказ2040 руб.
7 404102400

Уплотнительное кольцо (E-Ring)

под заказ229 руб.
8 404161100

Sвышеport-Направляющая (Support-Guide)

под заказ2620 руб.
9 404128400

Клапан дросселя CA 2.5 (Throttle Valve CA 2.5)

под заказ9300 руб.
10404100700

Игла распылителя NJ 05-P-2. Skandic WT LC. (Needle Jet NJ 05-P-2. Skandic WT LC.)

под заказ1370 руб.
404157100

Игла распылителя NJ 159. Skandic WT. Skandic SWT. (Needle Jet NJ 159. Skandic WT. Skandic SWT.)

под заказ1240 руб.
11404104200

Прокладка Pan (Gasket Pan)

под заказ481 руб.
11420831895

GASKET

под заказпо запросу
12404109100

Pilot Jet PJ 40 (Pilot Jet PJ 40)

под заказ396 руб.
12963825

TYHJAKAYNTISUUTIN 40

под заказ240 руб.
13404103300

Стопор рычага поплавка (Float Arm Pin)

под заказ428 руб.
14404107600

Поплавок Рычаг (Float Arm)

под заказ1780 руб.
15404107100

Поплавок (Float)

под заказ2140 руб.
15SM-07243

     (не оригинальная запчасть) Поплавок карбюратора BRP SM-07243

под заказ830 руб.
16404101500

Шайба (Washer)

под заказ324 руб.
17404107400

Заглушка винта (Plug Screw)

под заказ1780 руб.
18404102300

Idle Регулировочный винт (Idle Adjusting Screw)

под заказ1070 руб.
18420963860

SCREW MIKUNI VM20/214

под заказпо запросу
19404101800

Idle Регулировочный винт Пружина (Idle Adjusting Screw Spring)

под заказ324 руб.
20404101700

Дроссель Стопорный винт Пружина (Throttle Stop Screw Spring)

под заказ295 руб.
20420938940

SPRING

под заказ240 руб.
21404102800

Дроссель Стопорный винт (Throttle Stop Screw)

под заказ1210 руб.
22XXX

Кабели Регулятор (Cable Adjuster)

23404101600

Шайба (Washer)

под заказ237 руб.
24404103200

Игольчатый клапан 1.5 (Needle Valve 1.5)

под заказ4140 руб.
24963848

NEULAVENTTIILI 1,5 VM34

под заказ2760 руб.
25404102200

BafflУплотнительное кольцо (Baffle Ring)

под заказ315 руб.
26404100200

Главный жиклёр MJ 240 (MAG) Skandic WT LC. (Main Jet MJ 240 (MAG). Skandic WT LC.)

под заказ588 руб.
26963974

PAASUUTIN 240(USE 404100200)

под заказ370 руб.
404100300

Главный жиклёр MJ 250 (PTO) Skandic WT LC. (Main Jet MJ 250 (PTO). Skandic WT LC.)

под заказ588 руб.
963975

PAASUUTIN 250 (USE 404100300)

под заказ370 руб.
404119500

Главный жиклёр MJ 185. Skandic WT. Skandic SWT. (Main Jet MJ 185. Skandic WT. Skandic SWT.)

под заказ396 руб.
27XXX

Гайка (Nut)

28404102000

Винт и Шайба с блокировкой (Screw and Lock Washer)

под заказ237 руб.
29XXX

Резиновый колпачок (Rubber Cap)

30404127600

Ниппель (Nipple)

под заказ691 руб.
30420961030

PRIMER ADAPTER

под заказпо запросу
31404127400

Пружина (Spring)

под заказ792 руб.
32404160400

Плунжер в сборе (Plunger Assy)

под заказ2360 руб.
33404117000

Прокладка (Packing)

под заказ284 руб.
34404122900

Коннектор (Connector)

под заказ946 руб.
34404160800

CONNECTEUR *CONNECTOR

под заказ1210 руб.
35404122100

Крышка (Cover)

под заказ1400 руб.
36404158300

Шайба (Washer)

под заказ301 руб.
37404112000

Набор инструмента (Tool Kit)

под заказ7330 руб.
37876960

SPECIAL TOOL KIT

под заказ5730 руб.
ski-doo

Время выполнения запроса 1.9623491764069 сек.


 
 

данный сайт носит информационный характер и не является публичной офертой

склад запчастей для водомоторной техники