вконтакте

Контактный телефон: +7 (981) 121-46-93, +7 (800) 200-90-76 , Email: parts-katalog@yandex.ru, где купить

 
 

  Логин:

Пароль:

Регистрация

www.partskatalog.ru Все каталоги Запчасти Mercury Запчасти Suzuki Запчасти Tohatsu Запчасти Honda Контакты


Выбрать другую модель

назад Раздел:   вперёд

вернуться к списку узлов и деталей

ДЕТАЛИРОВКА ДЛЯ МОДЕЛИ: SKIDOO MX Z 700 SB Millennium Edition, 2000

Раздел: Карбюраторs | Carburetors


снегоход SkiDoo MX Z 700 SB Millennium Edition, 2000 - Carburetors

Номер на
рисунке
АртикулНаименованиеКол-во
на складе
Цена
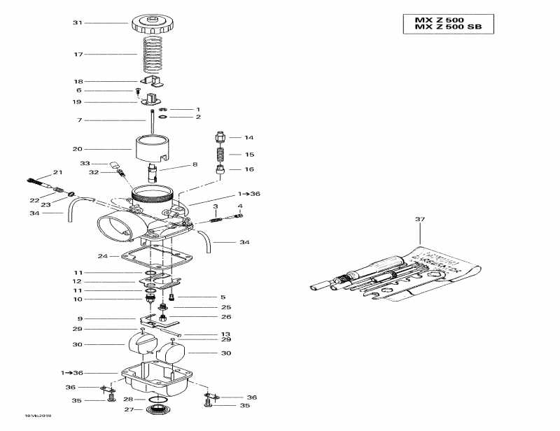
1 403138581

VM 38-429 Карбюратор. Includes 1 - 36. MX Z 500. MX Z 500 SB (чёрный) (VM 38-429 Carburetor. Includes 1 - 36. MX Z 500. MX Z 500 SB (Black).)

под заказпо запросу
1 404152400

Уплотнительное кольцо. MX Z 500. MX Z 500 SB (чёрный) (E-Ring. MX Z 500. MX Z 500 SB (Black).)

под заказ572 руб.
2 404117000

Прокладка. MX Z 500. MX Z 500 SB (чёрный) (Packing. MX Z 500. MX Z 500 SB (Black).)

под заказ284 руб.
3 404139800

Пружина (Air Винт) MX Z 500. MX Z 500 SB (чёрный) (Spring (Air Screw). MX Z 500. MX Z 500 SB (Black).)

под заказ588 руб.
4 404149000

Air Винт. MX Z 500. MX Z 500 SB (чёрный) (Air Screw. MX Z 500. MX Z 500 SB (Black).)

под заказ2320 руб.
5 404109100

Pilot Jet PJ 40. MX Z 500. MX Z 500 SB (чёрный) (Pilot Jet PJ 40. MX Z 500. MX Z 500 SB (Black).)

под заказ396 руб.
5 963825

TYHJAKAYNTISUUTIN 40

под заказ240 руб.
6 404121300

Винт with Шайба. MX Z 500. MX Z 500 SB (чёрный) (Screw with Washer. MX Z 500. MX Z 500 SB (Black).)

под заказ428 руб.
6 404128200

SCREW-WITH LOCK WASHER

под заказ340 руб.
7 404161884

иголка J8-6DEY10. MX Z 500. MX Z 500 SB (чёрный) (Needle J8-6DEY10. MX Z 500. MX Z 500 SB (Black).)

под заказ2340 руб.
8 404161700

Игла распылителя 480-P-8. MX Z 500. MX Z 500 SB (чёрный) (Needle Jet 480-P-8. MX Z 500. MX Z 500 SB (Black).)

под заказ1450 руб.
9 404161823

Поплавок Рычаг. MX Z 500. MX Z 500 SB (чёрный) (Float Lever. MX Z 500. MX Z 500 SB (Black).)

под заказ1270 руб.
10404147400

Игольчатый клапан 1.5. MX Z 500. MX Z 500 SB (чёрный) (Needle Valve 1.5. MX Z 500. MX Z 500 SB (Black).)

под заказ4640 руб.
10861751

VALVE SEAT

под заказ3130 руб.
11404101600

Седло Шайба. MX Z 500. MX Z 500 SB (чёрный) (Seat Washer. MX Z 500. MX Z 500 SB (Black).)

под заказ237 руб.
12XXX

Baffle. MX Z 500. MX Z 500 SB (чёрный) (Baffle. MX Z 500. MX Z 500 SB (Black).)

13404103300

Рычаг Штифт. MX Z 500. MX Z 500 SB (чёрный) (Lever Pin. MX Z 500. MX Z 500 SB (Black).)

под заказ428 руб.
14404161100

Направляющая Держатель. MX Z 500. MX Z 500 SB (чёрный) (Guide Holder. MX Z 500. MX Z 500 SB (Black).)

под заказ2620 руб.
15404161844

Пружина. MX Z 500. MX Z 500 SB (чёрный) (Spring. MX Z 500. MX Z 500 SB (Black).)

под заказ546 руб.
16404161845

Плунжер в сборе. MX Z 500. MX Z 500 SB (чёрный) (Plunger Assy. MX Z 500. MX Z 500 SB (Black).)

под заказ1780 руб.
17404154800

Пружина. MX Z 500. MX Z 500 SB (чёрный) (Spring. MX Z 500. MX Z 500 SB (Black).)

под заказ1850 руб.
18404122100

Крышка. MX Z 500. MX Z 500 SB (чёрный) (Cover. MX Z 500. MX Z 500 SB (Black).)

под заказ1400 руб.
19404160800

Коннектор. MX Z 500. MX Z 500 SB (чёрный) (Connector. MX Z 500. MX Z 500 SB (Black).)

под заказ1210 руб.
19404128000

RACCORD *FITTING

под заказ950 руб.
20404131300

Поршень Клапан CA 2.5. MX Z 500. MX Z 500 SB (чёрный) (Piston Valve CA 2.5. MX Z 500. MX Z 500 SB (Black).)

под заказ10410 руб.
21404102800

Дроссель Adjustment Винт. MX Z 500. MX Z 500 SB (чёрный) (Throttle Adjustment Screw. MX Z 500. MX Z 500 SB (Black).)

под заказ1210 руб.
22404101700

Пружина (Adjustment Винт) MX Z 500. MX Z 500 SB (чёрный) (Spring (Adjustment Screw). MX Z 500. MX Z 500 SB (Black).)

под заказ295 руб.
22420938940

SPRING

под заказ240 руб.
23270500018

Шайба. MX Z 500. MX Z 500 SB (чёрный) (Washer. MX Z 500. MX Z 500 SB (Black).)

под заказ159 руб.
24404104700

Прокладка. MX Z 500. MX Z 500 SB (чёрный) (Gasket. MX Z 500. MX Z 500 SB (Black).)

под заказ1170 руб.
25404105500

Винт Направляющая. MX Z 500. MX Z 500 SB (чёрный) (Screw Guide. MX Z 500. MX Z 500 SB (Black).)

под заказ2360 руб.
26404100500

Главный жиклёр MJ 280. MX Z 500. MX Z 500 SB (чёрный) (Main Jet MJ 280. MX Z 500. MX Z 500 SB (Black).)

под заказ588 руб.
26963881

MAIN JET 280 (USE 404100500)

под заказ370 руб.
27404112900

Drain Заглушка винта. MX Z 500. MX Z 500 SB (чёрный) (Drain Plug Screw. MX Z 500. MX Z 500 SB (Black).)

под заказ952 руб.
28404112800

Шайба. MX Z 500. MX Z 500 SB (чёрный) (Washer. MX Z 500. MX Z 500 SB (Black).)

под заказ222 руб.
29404105800

Колпачок. MX Z 500. MX Z 500 SB (чёрный) (Cap. MX Z 500. MX Z 500 SB (Black).)

под заказ481 руб.
29420960990

FOAT FIXATION CAP

под заказпо запросу
29SM-07243

     (не оригинальная запчасть) Поплавок карбюратора BRP SM-07243

под заказ830 руб.
30404105400

Поплавок. MX Z 500. MX Z 500 SB (чёрный) (Float. MX Z 500. MX Z 500 SB (Black).)

под заказ2180 руб.
30404120300

FLOTTE *FLOAT

под заказ1700 руб.
31404105100

Крышка. MX Z 500. MX Z 500 SB (чёрный) (Cover. MX Z 500. MX Z 500 SB (Black).)

под заказ4840 руб.
31404124200

COUVERCLE CARB.*TOP-MIX.CHAMB.

под заказ3790 руб.
32404153400

Ниппель. MX Z 500. MX Z 500 SB (чёрный) (Nipple. MX Z 500. MX Z 500 SB (Black).)

под заказ859 руб.
32404159100

RACCORD *NIPPLE

под заказ680 руб.
33404154900

Колпачок. MX Z 500. MX Z 500 SB (чёрный) (Cap. MX Z 500. MX Z 500 SB (Black).)

под заказ1150 руб.
34404161880

Шланг. MX Z 500. MX Z 500 SB (чёрный) (Hose. MX Z 500. MX Z 500 SB (Black).)

под заказ4340 руб.
34404161814

DURITE *HOSE

под заказ3390 руб.
35404102000

Винт with Шайба с блокировкой. MX Z 500. MX Z 500 SB (чёрный) (Screw with Lock Washer. MX Z 500. MX Z 500 SB (Black).)

под заказ237 руб.
36404103000

Пластина. MX Z 500. MX Z 500 SB (чёрный) (Plate. MX Z 500. MX Z 500 SB (Black).)

под заказ792 руб.
37404112000

Набор инструмента. MX Z 500. MX Z 500 SB (чёрный) (Tool Kit. MX Z 500. MX Z 500 SB (Black).)

под заказ7330 руб.
37876960

SPECIAL TOOL KIT

под заказ5730 руб.
ski-doo

Время выполнения запроса 1.3739540576935 сек.


 
 

данный сайт носит информационный характер и не является публичной офертой

склад запчастей для водомоторной техники