вконтакте

Контактный телефон: +7 (981) 121-46-93, +7 (800) 200-90-76 , Email: parts-katalog@yandex.ru, где купить

 
 

  Логин:

Пароль:

Регистрация

www.partskatalog.ru Все каталоги Запчасти Mercury Запчасти Suzuki Запчасти Tohatsu Запчасти Honda Контакты



УВАЖАЕМЫЕ КЛИЕНТЫ!
C 19 ДЕКАБРЯ 2025 ПО 02 МАРТА 2026 ГОДА ОТДЕЛ ЗАПЧАСТЕЙ И СЕРВИС РАБОТАТЬ НЕ БУДУТ
ПРОДАЖА ЛОДОЧНЫХ МОТОРОВ В ШТАТНОМ РЕЖИМЕ
ОБ ИЗМЕНЕНИЯХ В ГРАФИКЕ РАБОТЫ ЧИТАЙТЕ НА САЙТА




Выбрать другую модель

назад Раздел:   вперёд

вернуться к списку узлов и деталей

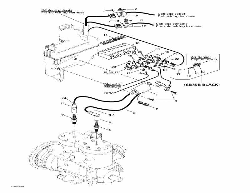
ДЕТАЛИРОВКА ДЛЯ МОДЕЛИ: SKIDOO MX Z 600 SB Black, 2000

Раздел: Ignition | Ignition


snowmobile BRP - Ignition

Номер на
рисунке
АртикулНаименованиеКол-во
на складе
Цена
1 512059039

Катушка зажигания. Includes 1 - 3. (Ignition Coil. Includes 1 - 3.)

под заказ7360 руб.
1 5348142

IGNITION COIL ASSY

под заказ5980 руб.
2 410914600

пластиковый Зажим (Plastic Clip)

под заказ572 руб.
3 278001268

Свеча зажигания Провод (Spark Plug Wire)

под заказпо запросу
3 420965521

CABLE ALLUMAGE *CABLE-IGNITION

под заказпо запросу
4 250000005

Саморез (Tapping Screw)

под заказпо запросу
5 515175352

Male Корпус (13 Circuits) (Male Housing (13 Circuits))

под заказ970 руб.
6 515175283

Корпус Sвышеport (Housing Support)

под заказ859 руб.
7 293550004

Dielectric Смазка, 150 g (Dielectric Grease, 150 g)

под заказ4740 руб.
7 747018002

GRAISSE *GREASE

под заказ3710 руб.
8 278000237

Свеча зажигания Защита (Spark Plug Protector)

под заказ1580 руб.
8 420866708

PROT.BOUGIE *PROT-SPARK PLU

под заказ1230 руб.
9 414961100

Свеча зажигания (NGK BR9ES) (Spark Plug (NGK BR9ES))

под заказ166 руб.
9 414567000

BOUGIE BR9ES *PLUG-SPARK

под заказ170 руб.
10515175380

Calibration Module. MX-Z 600. (Calibration Module. MX-Z 600.)

под заказ34800 руб.
515175383

Calibration Module. MX-Z 600 SB. MX-Z 600 SB чёрный. (Calibration Module. MX-Z 600 SB. MX-Z 600 SB Black.)

под заказпо запросу
11516000245

Электрика Box Наклейка (Electrical Box Decal)

под заказ410 руб.
12515175351

Male Корпус (15 Circuits) (Male Housing (15 Circuits))

под заказ930 руб.
13278001005

Female Корпус (Bosch) (2 Circuits) MX-Z 600 SB. MX-Z 600 SB чёрный. (Female Housing (Bosch) (2 Circuits). MX-Z 600 SB. MX-Z 600 SB Black.)

под заказ1440 руб.
14278000998

Female Клемма. MX-Z 600 SB. MX-Z 600 SB чёрный. (Female Terminal. MX-Z 600 SB. MX-Z 600 SB Black.)

под заказ428 руб.
14415128502

TERMINAL F. *TERMINAL F.

под заказ340 руб.
15278000999

Сальник. MX-Z 600 SB. MX-Z 600 SB чёрный. (Seal. MX-Z 600 SB. MX-Z 600 SB Black.)

под заказ284 руб.
16515175303

Заглушка (Deutsch) MX-Z 600 SB. MX-Z 600 SB чёрный. (Plug (Deutsch). MX-Z 600 SB. MX-Z 600 SB Black.)

под заказ572 руб.
17515175332

Трубопровод. MX-Z 600 SB. MX-Z 600 SB чёрный. (Tubing. MX-Z 600 SB. MX-Z 600 SB Black.)

под заказ715 руб.
18409015100

Female Клемма. MX-Z 600 SB. MX-Z 600 SB чёрный. (Female Terminal. MX-Z 600 SB. MX-Z 600 SB Black.)

под заказ572 руб.
19278000736

Female Корпус (6 Circuits) (Female Housing (6 Circuits))

под заказ1590 руб.
20278000737

(Female) Secondary Lock (6 Circuits) (Deutsch) ((Female) Secondary Lock (6 Circuits) (Deutsch))

под заказ284 руб.
20278001666

WEDGE-6 WAYS M

под заказ230 руб.
21293000052

Заглушка (Plug)

под заказ284 руб.
22278000632

Female Клемма (Female Terminal)

под заказ284 руб.
23515175245

Female Корпус (Deutsch) (4 Circuits) MX-Z 600 SB. MX-Z 600 SB чёрный. (Female Housing (Deutsch) (4 Circuits). MX-Z 600 SB. MX-Z 600 SB Black.)

под заказпо запросу
24278000738

Lock (4 Circuits) MX-Z 600 SB. MX-Z 600 SB чёрный. (Lock (4 Circuits). MX-Z 600 SB. MX-Z 600 SB Black.)

под заказ428 руб.
25409207400

Female Корпус (3 Circuits) MX-Z 600 (Female Housing (3 Circuits). MX-Z 600)

под заказ854 руб.
25278002375

LOGEMENT FEMEL.*HOUSING-FEMALE

под заказ2570 руб.
26278000632

Female Клемма. MX-Z 600 (Female Terminal. MX-Z 600)

под заказ284 руб.
27409207200

(Female) Secondary Lock (3 Circuits) (Deutsch) MX-Z 600 ((Female) Secondary Lock (3 Circuits) (Deutsch). MX-Z 600)

под заказ428 руб.
ski-doo

Время выполнения запроса 0.90233993530273 сек.


 
 

данный сайт носит информационный характер и не является публичной офертой

склад запчастей для водомоторной техники