вконтакте

Контактный телефон: +7 (981) 121-46-93, +7 (800) 200-90-76 , Email: parts-katalog@yandex.ru, где купить

 
 

  Логин:

Пароль:

Регистрация

www.partskatalog.ru Все каталоги Запчасти Mercury Запчасти Suzuki Запчасти Tohatsu Запчасти Honda Контакты



УВАЖАЕМЫЕ КЛИЕНТЫ!
C 19 ДЕКАБРЯ 2025 ПО 02 МАРТА 2026 ГОДА ОТДЕЛ ЗАПЧАСТЕЙ И СЕРВИС РАБОТАТЬ НЕ БУДУТ
ПРОДАЖА ЛОДОЧНЫХ МОТОРОВ В ШТАТНОМ РЕЖИМЕ
ОБ ИЗМЕНЕНИЯХ В ГРАФИКЕ РАБОТЫ ЧИТАЙТЕ НА САЙТА




Выбрать другую модель

назад Раздел:   вперёд

вернуться к списку узлов и деталей

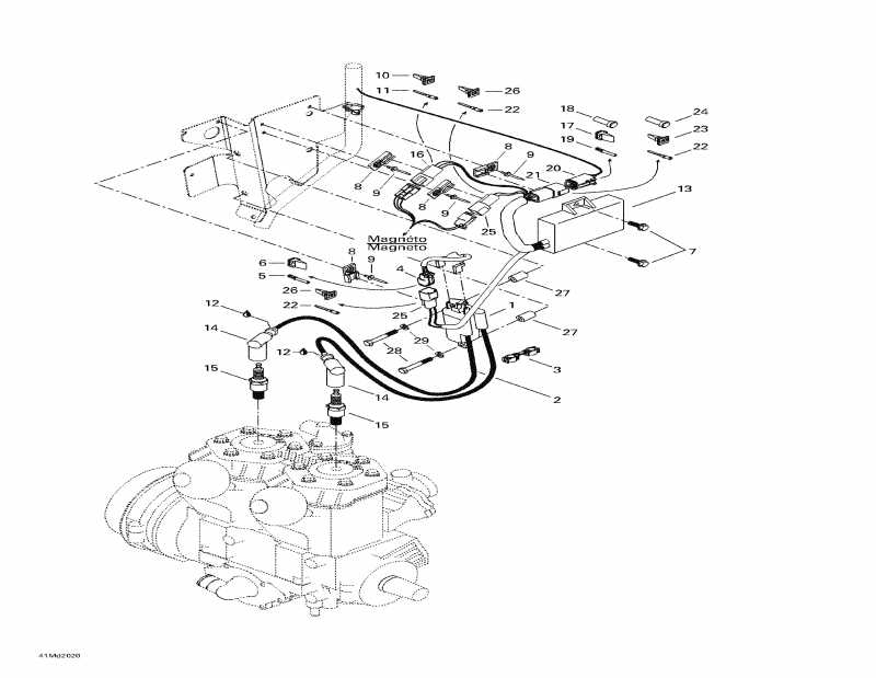
ДЕТАЛИРОВКА ДЛЯ МОДЕЛИ: SKIDOO MX Z X 440 LC, 2000

Раздел: Ignition | Ignition


снегоход SKIDOO - Ignition

Номер на
рисунке
АртикулНаименованиеКол-во
на складе
Цена
1 512059073

Катушка зажигания. Includes 1 - 6. (Ignition Coil. Includes 1 - 6.)

под заказпо запросу
2 278001268

Свеча зажигания Провод (Spark Plug Wire)

под заказпо запросу
2 420965521

CABLE ALLUMAGE *CABLE-IGNITION

под заказпо запросу
3 410914600

Зажим (Package of 5) (Clip (Package of 5))

под заказ572 руб.
4 409207300

Female Клемма Корпус (2 Circuits) (Female Terminal Housing (2 Circuits))

под заказ859 руб.
5 278000632

Female Клемма (Female Terminal)

под заказ284 руб.
6 409207100

Female Lock (2 Circuits) (Female Lock (2 Circuits))

под заказ428 руб.
7 207662044

Hex. Фланецd Винт M6 X 20 (Hex. Flanged Screw M6 X 20)

под заказ284 руб.
8 270000141

Зажим (Clip)

под заказ1000 руб.
9 XXX

Pop Заклёпка (Pop Rivet)

10710000046

Male Lock (4 Circuits) (Male Lock (4 Circuits))

под заказ859 руб.
11409014800

Male Клемма (Male Terminal)

под заказ428 руб.
12293550004

Dielectric Смазка, 150 g (Dielectric Grease, 150 g)

под заказ4740 руб.
12747018002

GRAISSE *GREASE

под заказ3710 руб.
13515175471

Calibration Module (Calibration Module)

под заказпо запросу
14278000237

Свеча зажигания Защита (Spark Plug Protector)

под заказ1580 руб.
14420866708

PROT.BOUGIE *PROT-SPARK PLU

под заказ1230 руб.
15414961100

Свеча зажигания (NGK BR9ES) (Spark Plug (NGK BR9ES))

под заказ166 руб.
15414567000

BOUGIE BR9ES *PLUG-SPARK

под заказ170 руб.
16710000045

Male Клемма Корпус (4 Circuits) (Male Terminal Housing (4 Circuits))

под заказ3300 руб.
17278000737

(Female) Secondary Lock (6 Circuits) (Deutsch) ((Female) Secondary Lock (6 Circuits) (Deutsch))

под заказ284 руб.
17278001666

WEDGE-6 WAYS M

под заказ230 руб.
18293000052

Сальникing Колпачок (Sealing Cap)

под заказ284 руб.
19278000632

Female Клемма (Female Terminal)

под заказ284 руб.
20278000736

Female Клемма Корпус (6 Circuits) (Female Terminal Housing (6 Circuits))

под заказ1590 руб.
21270000137

Male Клемма Корпус (6 Circuits) (Male Terminal Housing (6 Circuits))

под заказ978 руб.
22278000631

Male Клемма (Male Terminal)

под заказ428 руб.
23278000735

(Female) Secondary Lock (6 Circuits) (Deutsch) ((Female) Secondary Lock (6 Circuits) (Deutsch))

под заказ284 руб.
24515175303

Заглушка (Plug)

под заказ572 руб.
25XXX

Male Клемма Корпус (2 Circuits) (Male Terminal Housing (2 Circuits))

26409207500

Male Lock (2 Circuits) (Male Lock (2 Circuits))

под заказ428 руб.
27517203200

Проставка (Spacer)

под заказ1580 руб.
28207064544

Шестигранный винт M6 x 45 (Hex. Screw M6 x 45)

под заказ284 руб.
28222064565

SCREW-HEX.CAP DIN.931

под заказпо запросу
29234161471

Шайба с блокировкой 6 mm (Lock Washer 6 mm)

под заказ130 руб.
29224761110

WASHER-LOCK THIN BLACK DIN.127

под заказ110 руб.
ski-doo

Время выполнения запроса 1.3467130661011 сек.


 
 

данный сайт носит информационный характер и не является публичной офертой

склад запчастей для водомоторной техники